HOME
ASK A QUESTION
REPAIR GUIDES
BECOME A MEMBER
LOG IN
Login with Facebook
OR
Remember me
NOT A MEMBER?
FORGOT PASSWORD?
CONTACT US
PRIVACY POLICY
TERMS AND CONDITIONS
☰
Home
Mercury
Mountaineer
Brakes
Symptoms
Pedal Goes to the Floor
Brakes not working
ME LONE JONES
MEMBER
2004 MERCURY MOUNTAINEER
V6
2WD
AUTOMATIC
200,300 MILES
Fuse was replaced, brake switch replaced.
Sunday, December 30th, 2018 AT 6:45 PM
8 Replies
DANNY L
MECHANIC
5,648 POSTS
Hello, I'm Danny.
Just to be clear; do you mean the brake lights are not working? Hope this helps and thanks for using 2CarPros.
Danny-
Was this
answer
helpful?
Yes
No
Sunday, December 30th, 2018 AT 6:54 PM
ME LONE JONES
MEMBER
5 POSTS
Yes sir. The brake lights are not working at all. My husband replaced the brake switch and checked the fuse and still was not successful.
Was this
answer
helpful?
Yes
No
Monday, December 31st, 2018 AT 12:16 AM
ME LONE JONES
MEMBER
5 POSTS
Thank you for reaching back out to me.
Was this
answer
helpful?
Yes
No
Monday, December 31st, 2018 AT 12:16 AM
DOCFIXIT
MECHANIC
18,828 POSTS
Do u have a test light? If yes check for power on wires to switch. Just asking did u check bulbs?
Was this
answer
helpful?
Yes
No
+1
Monday, December 31st, 2018 AT 12:11 PM
ME LONE JONES
MEMBER
5 POSTS
Yes he checked bulb. Getting ready to ask him about testing it. Thank you so muc. I will get back with you in a few
Was this
answer
helpful?
Yes
No
Monday, December 31st, 2018 AT 1:48 PM
DANNY L
MECHANIC
5,648 POSTS
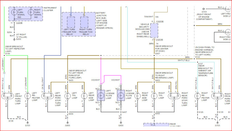
Hello again.
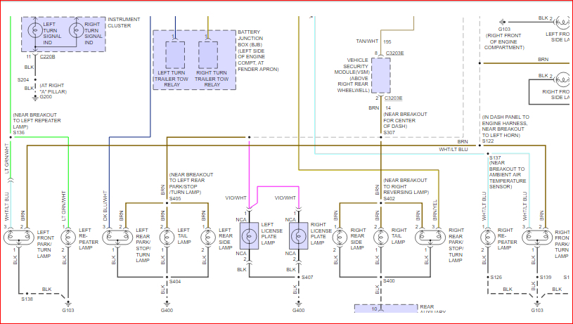
Attached below is the wiring diagram for the rear brake circuit. This is for the non-IVD. Hope this helps and thanks again for using 2CarPros.
Danny-
Image (Click to make bigger)
Was this
answer
helpful?
Yes
No
+1
Monday, December 31st, 2018 AT 4:26 PM
ME LONE JONES
MEMBER
5 POSTS
Thank you so much! I'm passing this informative information onto my husband. Thanks again and have a Happy New Year!
Was this
answer
helpful?
Yes
No
Monday, December 31st, 2018 AT 10:27 PM
DANNY L
MECHANIC
5,648 POSTS
You're welcome!
Keep us updated and Happy New Year!
Danny-
Was this
answer
helpful?
Yes
No
Tuesday, January 1st, 2019 AT 12:22 AM
Please
login
or
register
to post a reply.
Related Brake Pedal Goes To The Floor Content
2004 Mercury Mountaineer Changing Brakes
I Changed Brake Pads On Front And Back But Now The Brake Pedal Goes To The Floor Land I Have No Brakes?
Asked by
disc
·
6 ANSWERS
2004
MERCURY MOUNTAINEER
GUIDE
Brake Pedal Goes to the Floor
Experiencing a brake pedal that goes to the floor can be a frightening situation, particularly when you need to stop quickly. The automotive brake system is a hydraulically...
Mercury Mountaineer Brake Problems
I've Had This Issue For About A Year On My 2000 Mountaineer And The Dealership And 4 Other Mechanics Can't Figure Out What It Is. When I'm...
Asked by
QUICKSILVER
·
3 ANSWERS
MERCURY MOUNTAINEER
Brake Caliper
I Had My Nephew Put Rear Pads On Car And In The Process Somehow He Lost The One Of The Small Bracketts That Go Onto Caliper. Im Not Sure...
Asked by
scorpeon40
·
1 ANSWER
2002
MERCURY MOUNTAINEER
We Just Put Brakes, Master Cylinder, And A Vacuum...
We Just Put Brakes, Master Cylinder, And A Vacuum Booster On Our Vehicle And The Brake Pressure Is Gone When The Vehicle Is Running And We...
Asked by
Anonymous
·
1 ANSWER
1998
MERCURY MOUNTAINEER
Squeeking Brakes
I Have A 1998 2wd Mountaineer And The Brake Shoes Were Replaced On All Four Wheels Last Month. The Rear Wheels Are Squeekin Very Loud When...
Asked by
Shankie
·
3 ANSWERS
MERCURY MOUNTAINEER
VIEW MORE
Ask a Car Question. It's Free!
Brake System Warning Light
How to Get ABS Codes Video
How to Fix a Brake Pull