License plate lights not working?

Tiny
CJONKER
  • MEMBER
  • 2016 CHEVROLET SILVERADO
  • V8
  • TURBO
  • 4WD
  • AUTOMATIC
  • 48,000 MILES
Could it be a fuse? Where is the fuse located? Would not think bulbs would be burned out, not that old.
Sunday, November 4th, 2018 AT 5:31 AM

10 Replies

Tiny
KEN L
  • MASTER CERTIFIED MECHANIC
  • 55,322 POSTS
Hello,

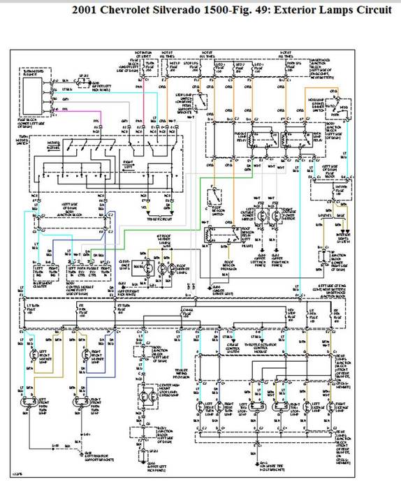
There are three BCM fuses (# 4, 6 and 7)that need to be checked .I would check the bulbs as well because you might have had a voltage surge that pops the bulbs. Here is a guide and a video to help you check both the fuses and the bulbs. Also, here is the license plate light wiring diagrams so you can see how the system works (Diagrams Below)

https://youtu.be/do01KXLitKc

and

https://www.2carpros.com/articles/how-to-check-a-car-fuse

Check out the diagrams (below). Please let us know what you find.
Was this
answer
helpful?
Yes
No
+4
Monday, November 5th, 2018 AT 9:21 AM
Tiny
JORDAN BROWN
  • MEMBER
  • 1 POST
  • 2009 CHEVROLET SILVERADO
  • 6.0L
  • V6
  • 4WD
  • AUTOMATIC
  • 100,000 MILES
My father drove his truck on the beach and it got soaked all the way through. The front parking lights and rear licence plate light along with taillights wont turn off they glow dimly unless he disconnects the battery. He brought it home and tried drying it out and checking all the wiring under the hood and trailer hitch connector. Please help. Thank you.
Was this
answer
helpful?
Yes
No
Wednesday, November 25th, 2020 AT 6:02 PM (Merged)
Tiny
TOUGHDIVER
  • MECHANIC
  • 224 POSTS
Hi,

Jordan, depending on how deep of water was the truck was exposed to. There are several circuits and if they get wet can short and cause electrical issues.

Circuit/System Description

B+ is applied at all times to both the coil and switch sides of the park lamp relay located in the under hood fuse block. The turn signal/multi-function switch is supplied with ground at G201 at all times. When the headlamp switch is placed in either the head or park position, ground is applied to the park lamp signal circuit to the body control module (BCM). The BCM responds by applying ground to the park lamp relay control circuit. This energizes the park lamp relay coil causing the relay switch contacts to close allowing B+ to flow through the LT PRK, RT PRK, and TRLR PRK fuses, to all of the park, tail, license, and marker lamps. I'm attaching wiring diagrams for the components that will need direct drying with with heat gun or hair dryer. Please let us know if you need more information.

Thank you
Joe T.
Was this
answer
helpful?
Yes
No
-1
Wednesday, November 25th, 2020 AT 6:02 PM (Merged)
Tiny
BOB GARY
  • MEMBER
  • 1 POST
  • 2006 CHEVROLET SILVERADO
  • 5.2L
  • V8
  • 4WD
  • AUTOMATIC
  • 190,000 MILES
What fuse is for the license plate light?
Was this
answer
helpful?
Yes
No
+2
Wednesday, November 25th, 2020 AT 6:02 PM (Merged)
Tiny
JACOBANDNICKOLAS
  • MECHANIC
  • 110,192 POSTS
Hi,

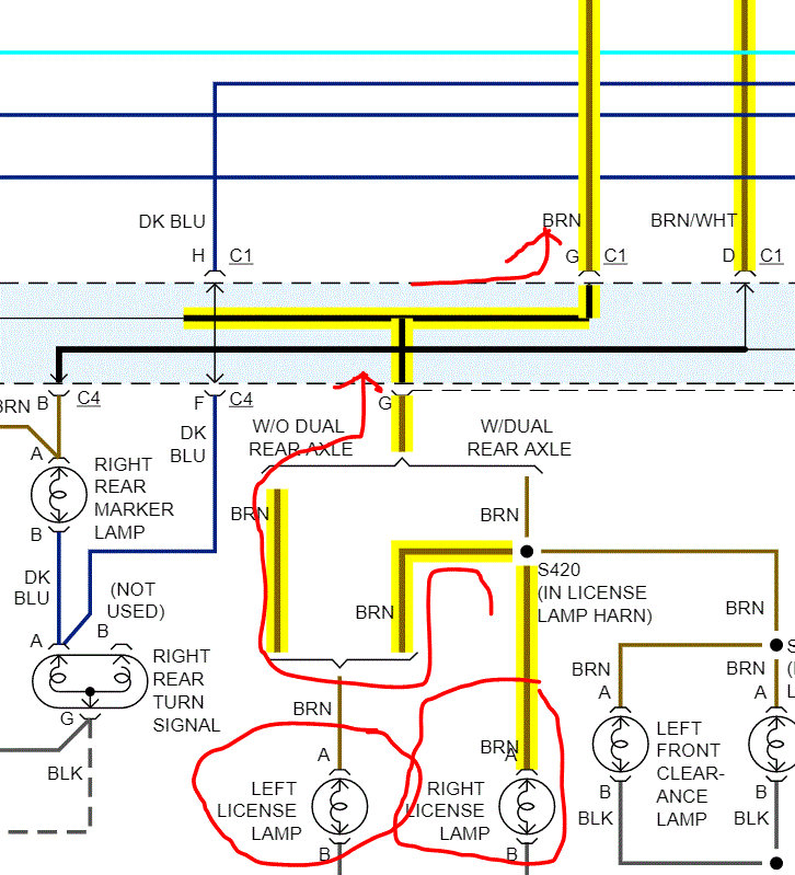
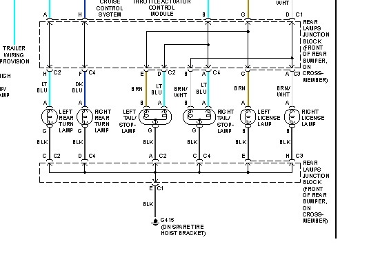
If the left rear parking lights are working, they should too. The fuse is in the under hood fuse box. I attached pics below. The first three are from the wiring schematic showing how power is distributed. I started at the license lights and then have arrows pointing it back to the power source / fuse. The third pic shows fuse location. Pic 4 shows the fuse in the box.

Now, here are a few links you may find helpful. When you check the fuse, if it is good, make sure there is power to the fuse as well. If there isn't, we need to trace back to find where power is lost, which could be one of the main fuses.

https://www.2carpros.com/articles/how-to-check-a-car-fuse

Keep in mind the following. If the parking lights work, it isn't a fuse issue. If they don't, there is a parking light relay in the fuse box to check. If everything works but the license plate lights, first make sure there isn't power to the lock sockets. If there isn't, trace the power wire back to where it connects with the other tail lights. If there is power, then replace the sockets.

I hope something here helps. Let me know if you have questions or need help. Also, if you find it and have a chance, let me know what you found.

Here is a link that explains how to test a relay. I'm adding it in case you want to check it. Remember, none of the tail lights will work if it's bad, so if they work, that isn't the problem.

https://www.2carpros.com/articles/how-to-check-an-electrical-relay-and-wiring-control-circuit

Take care,
Joe

Was this
answer
helpful?
Yes
No
-1
Wednesday, November 25th, 2020 AT 6:02 PM (Merged)
Tiny
2CP-ARCHIVES
  • MEMBER
  • 4,540 POSTS
  • 2000 CHEVROLET SILVERADO
  • 47,000 MILES
When my headlights are on and I step on the brake I have no turn signals. But my cab brake light blinks and my license plate lights blink and I have no back-up lights. What could be the problem?
Was this
answer
helpful?
Yes
No
+1
Wednesday, November 25th, 2020 AT 6:03 PM (Merged)
Tiny
JDL
  • MECHANIC
  • 16,098 POSTS
Sounds like a faulty ground, somewhere. Faulty grounds can cause all kinds of weird issues. Check the ground for the turn signals.
Was this
answer
helpful?
Yes
No
+1
Wednesday, November 25th, 2020 AT 6:03 PM (Merged)
Tiny
JDL
  • MECHANIC
  • 16,098 POSTS
On the diagram, the black wire is ground.
Was this
answer
helpful?
Yes
No
Wednesday, November 25th, 2020 AT 6:03 PM (Merged)
Tiny
TET051449
  • MEMBER
  • 1 POST
  • 2001 CHEVROLET SILVERADO
  • 80,000 MILES
Both of my tag lights are out, I looked at the bulbs and they don't appear to be blown, so I'm thinking fuse. I could not find in the manual whitch fuse went to the tag lights, all the other lights are working. Are the tag lights on the same circuit with the other rear lights.
Was this
answer
helpful?
Yes
No
+3
Wednesday, November 25th, 2020 AT 6:03 PM (Merged)
Tiny
IMPALASS
  • MECHANIC
  • 3,112 POSTS
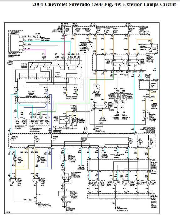
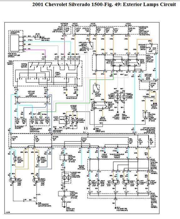
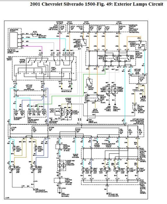
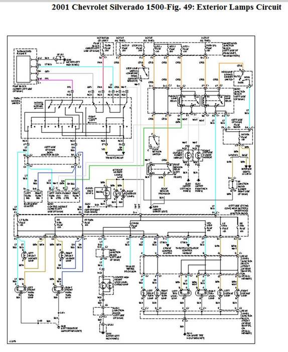
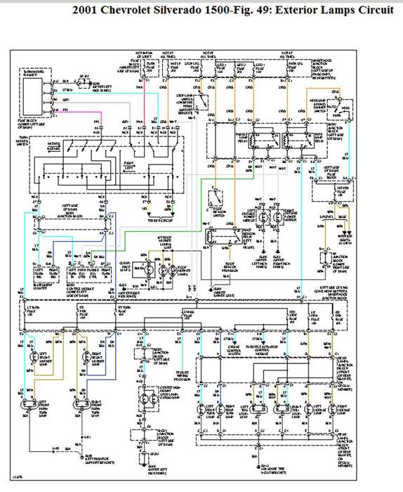
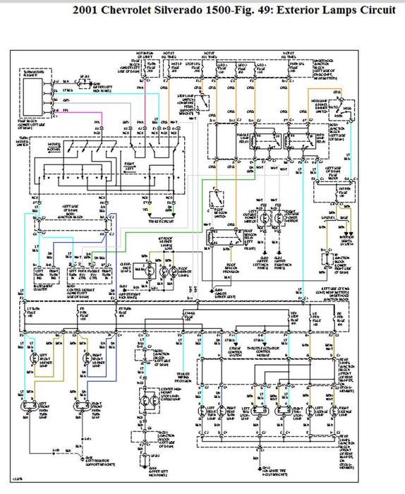
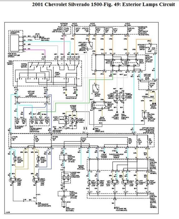
Hello Looks like it goes through the Park lps fuse 30A in the underhood junction box, then to the parking lamp relay located in the body junction block left side of dash to teh left and right prk fuse 10A located left side of eng comp near battery underhood junction block.

I have attached the wiring diagram and other information. Since you didn't specify your model this is for a 1500

I would first check the fuse - looks like fuse #24 and I would run 12v or ohm the fuse. Then change the bulbs. They may look okay but you don't know what the filiment is.
Was this
answer
helpful?
Yes
No
+10
Wednesday, November 25th, 2020 AT 6:04 PM (Merged)

Please login or register to post a reply.