Air conditioner fuse?

Tiny
ROSASEGURA241
  • MEMBER
  • 2006 CHRYSLER 300
  • 14,000 MILES
The air compressor does not run. Is there a fuse for that and where is it located?
Tuesday, June 20th, 2017 AT 4:24 PM

1 Reply

Tiny
KEN L
  • MASTER CERTIFIED MECHANIC
  • 55,488 POSTS
Hello,

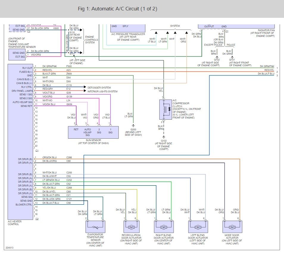
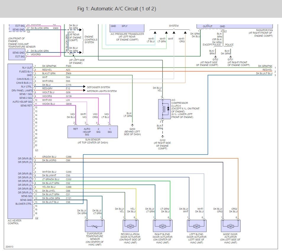
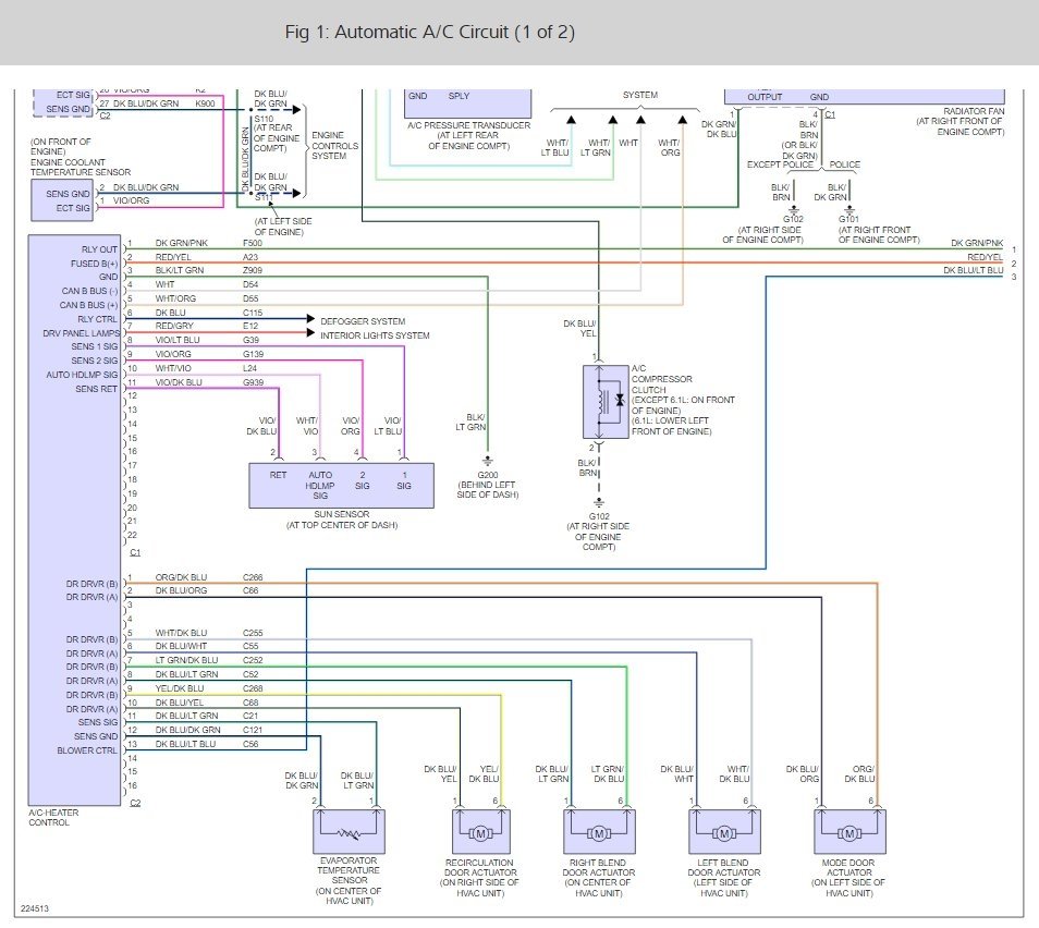
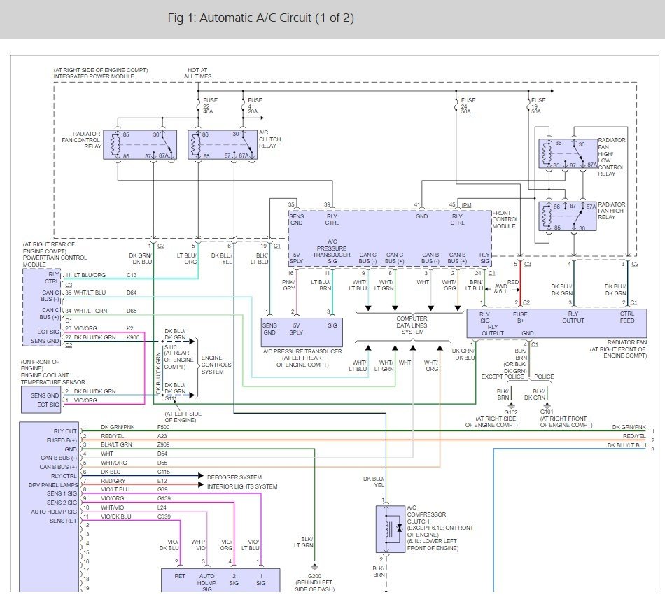
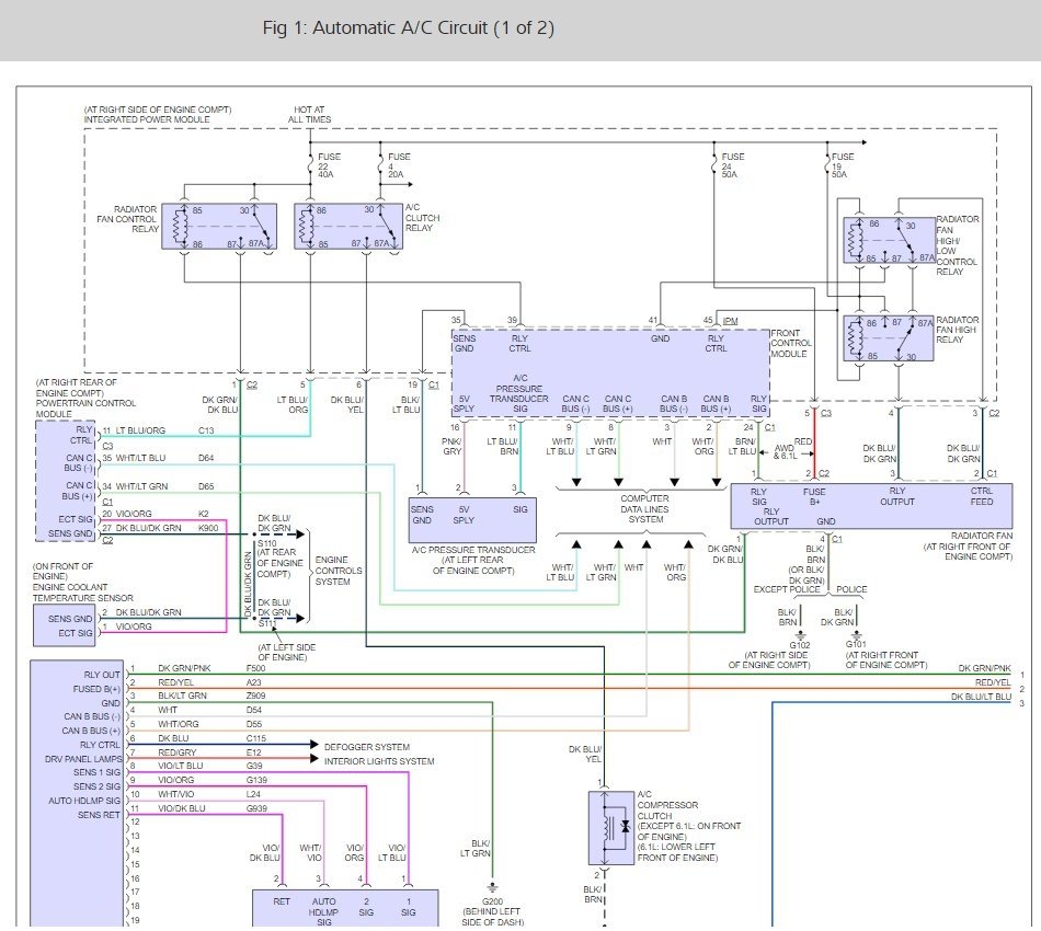
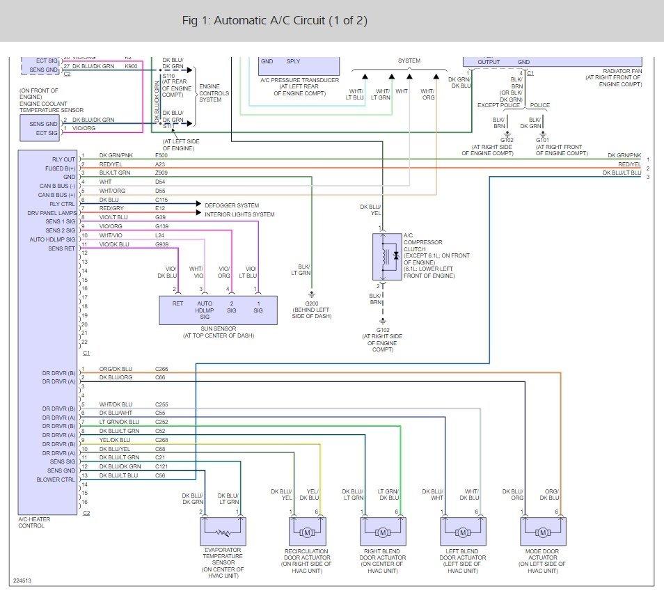
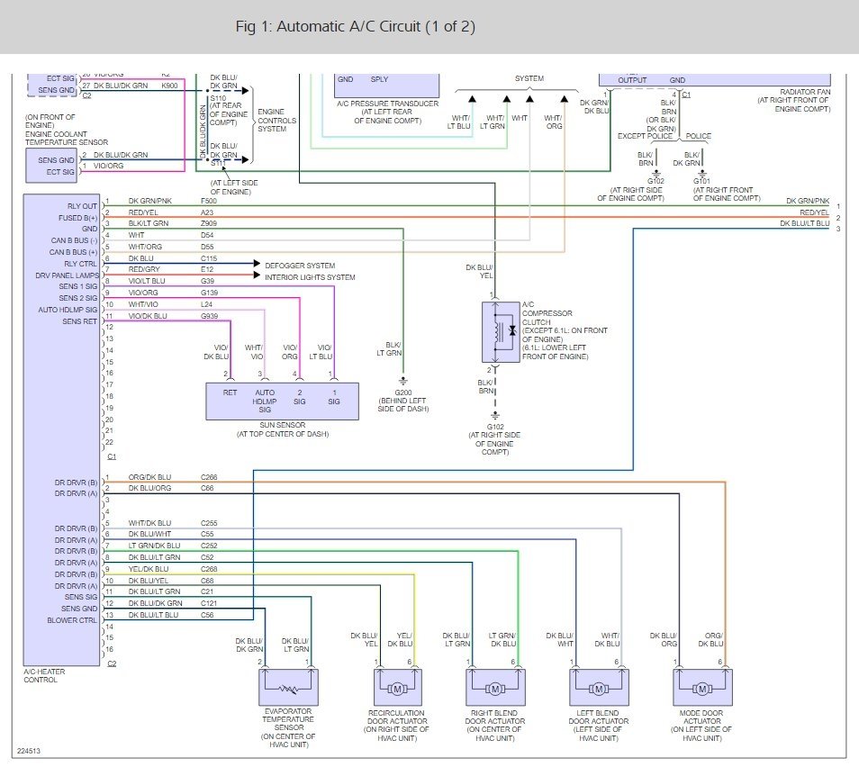
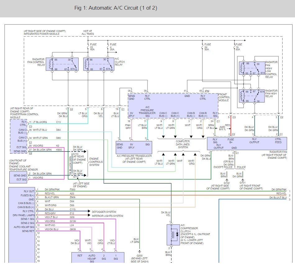
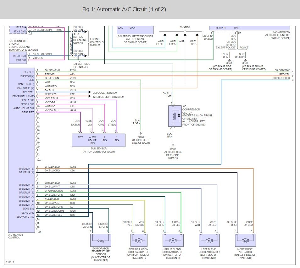
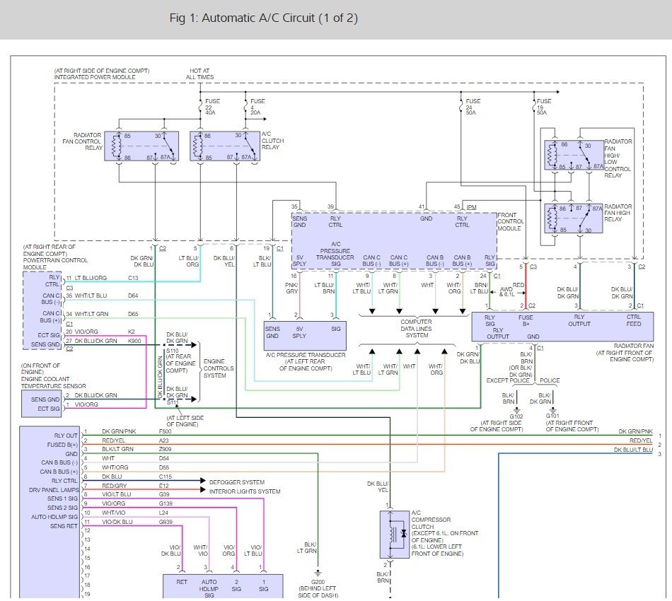
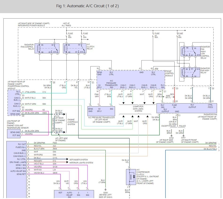
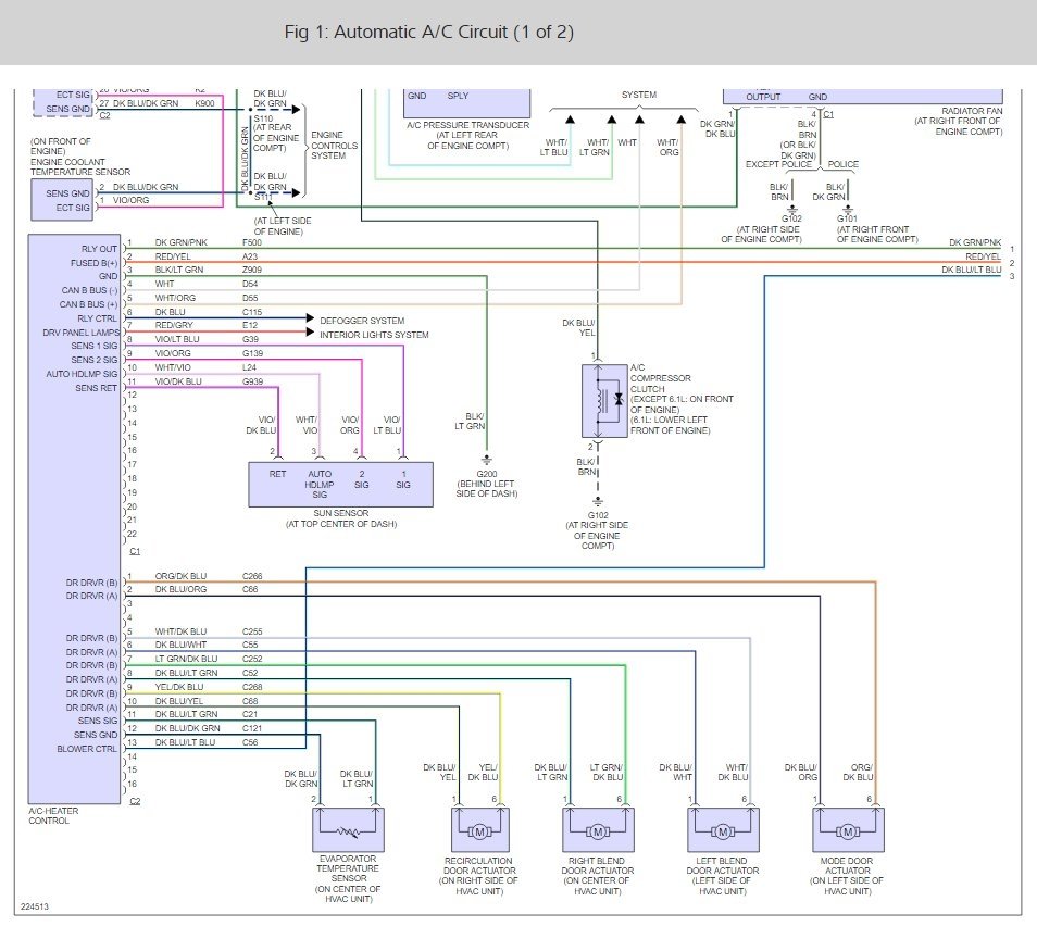
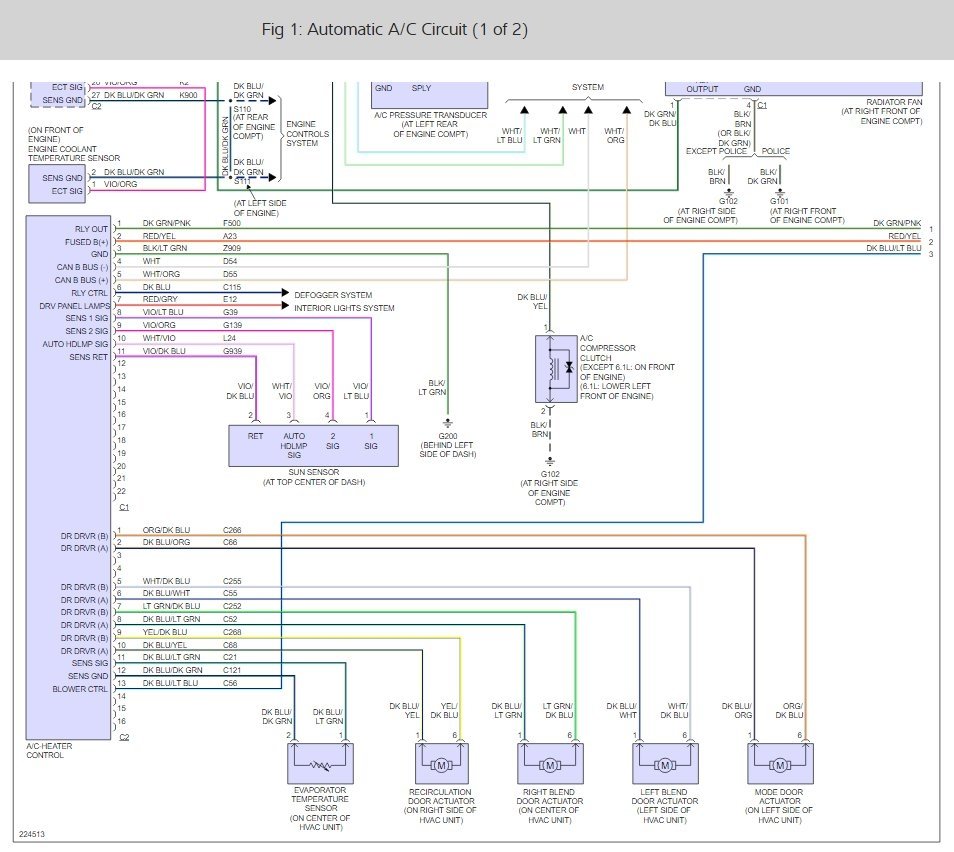
I have found the fuse and relay locations for you along with the air conditioner wiring diagrams (BELOW) Here are a couple of guides to get you started in the right direction.

https://www.2carpros.com/articles/how-to-check-a-car-fuse

and

https://www.2carpros.com/articles/how-to-check-an-electrical-relay-and-wiring-control-circuit

Please run some tests and get back to us so we can continue helping you. Check out the diagrams (Below). Please let us know what you find. We are interested to see what it is.
Was this
answer
helpful?
Yes
No
+1
Friday, June 23rd, 2017 AT 11:16 AM

Please login or register to post a reply.