After replacing fuse box under the hood fuse keeps blowing that starts the car

Tiny
JEREMY555
  • MEMBER
  • 1998 DODGE STRATUS
  • 2.0L
  • 4 CYL
  • 2WD
  • MANUAL
  • 171,585 MILES
Well, I just changed my fuse box under the hood of my car because my fuse that starts my car kept blowing. It use to crank just fine before I changed the fuse box then all of a sudden the fuse just started blowing. I would change the fuse and it would crank for a while and then start back blowing. Now that I've changed my fuse box it still will not start. At first it turned over like it wanted to start, then it started a clicking noise when I tried to start it like it was the starter, but when I held the key it blew the fuse. I changed the fuse and it started back clicking like it was the starter. Everything else is functioning properly. Someone said It could be that my ignition switch is bad or my starter switch is bad. What could be the problem?
Jeremy
Sunday, July 7th, 2019 AT 11:28 PM

1 Reply

Tiny
SCGRANTURISMO
  • MECHANIC
  • 4,897 POSTS
Hello,

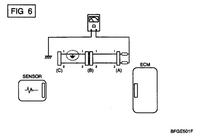
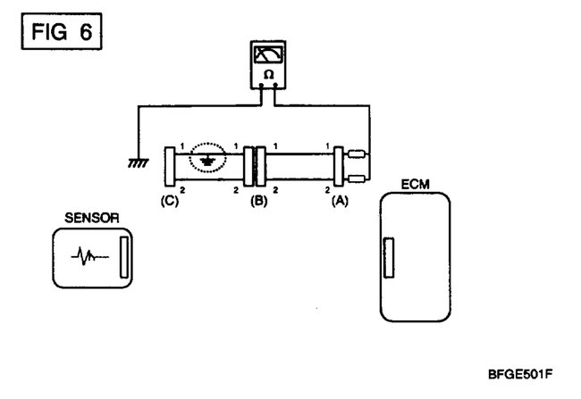
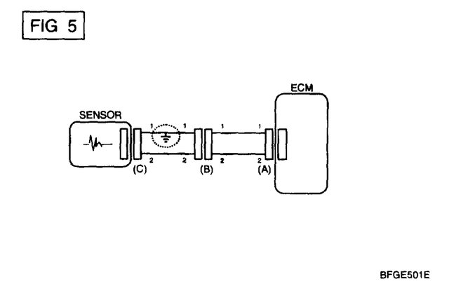
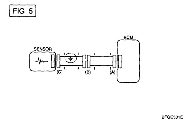
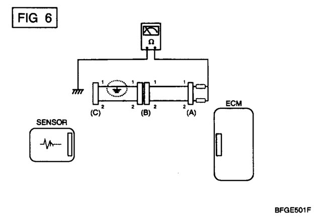
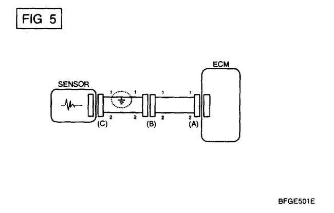
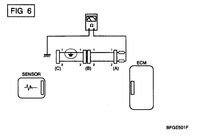
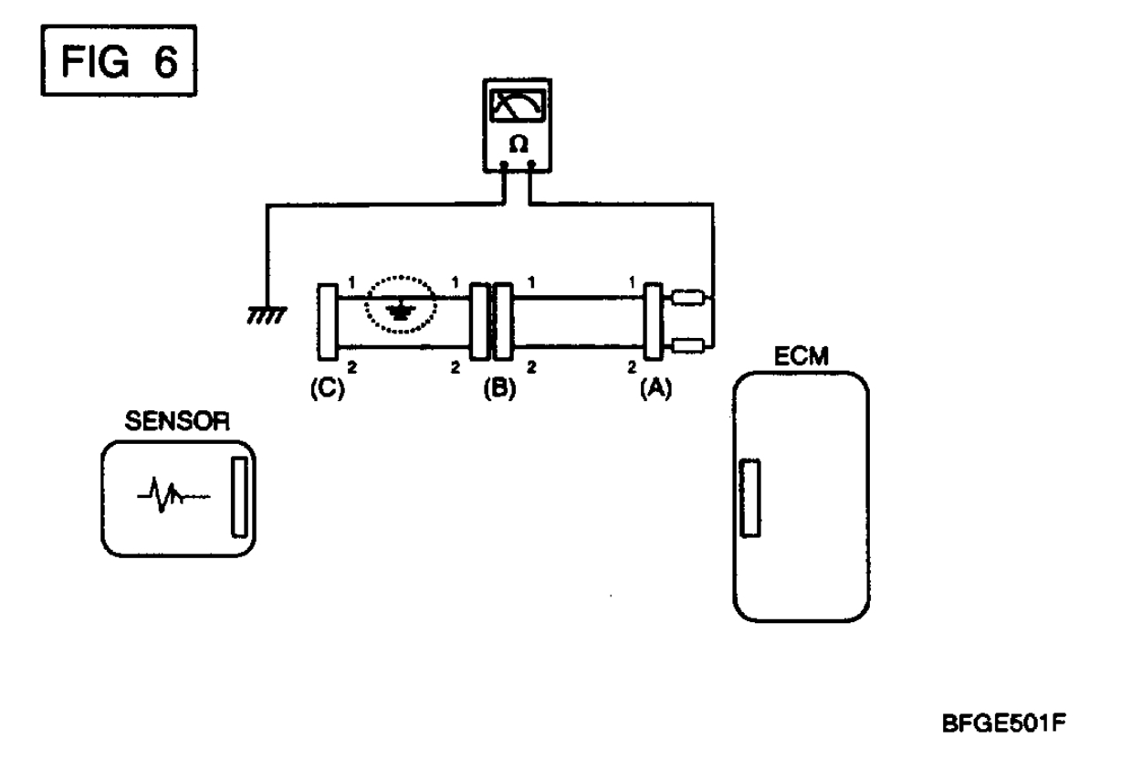
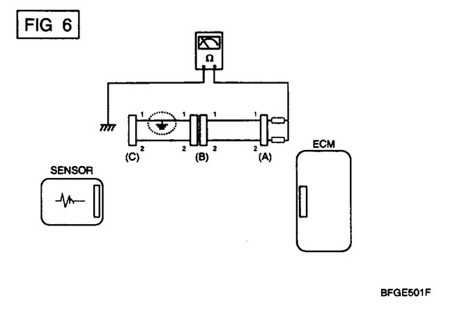
A blown fuse means that there is a short to ground somewhere in the circuit. In your vehicle's case it is the starting circuit. This is due to Ohm's law, the law that governs electricity.Electricity has three parts to it. 1) Voltage(Electrical Pressure) 2) Current(Electrical Flow) and 3) Resistance(Anything that opposes Current). Ohm's law states that if 1 of the three is a constant(In vehicle's Voltage is always constant), then when one of the other two goes down(In this case Resistance) then the other(In this case Current) must go up. So a short to ground makes the resistance go to zero and the current go to infinity. Every circuit in an vehicle, in fact every electrical circuit, is protected, and in vehicle's the circuits are protected by fuses. When the circuits current surpasses the fuse rating then the fuse blows. Since the current is now at infinity, the fuse will blow every time. In the diagrams down below I have included a wiring diagram of your vehicle's starting circuit and a guide on how to find short to grounds in an electrical circuit. You will need to use a multi-meter and below I have also included a link for you to go to if you are unfamiliar with how to do this.

https://www.2carpros.com/articles/how-to-use-a-voltmeter

Please go through these guides, if needed, and get back to us with what you are able to find out.

Thanks,
Alex
2CarPros
Was this
answer
helpful?
Yes
No
Monday, July 8th, 2019 AT 2:50 AM

Please login or register to post a reply.