MASTER POWER WINDOW SWITCH OPERATES DRIVER'S WINDOW ONLY
Sportage
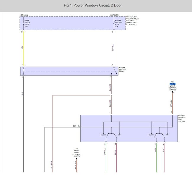
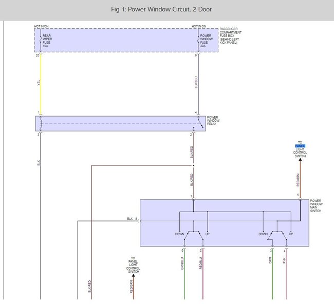
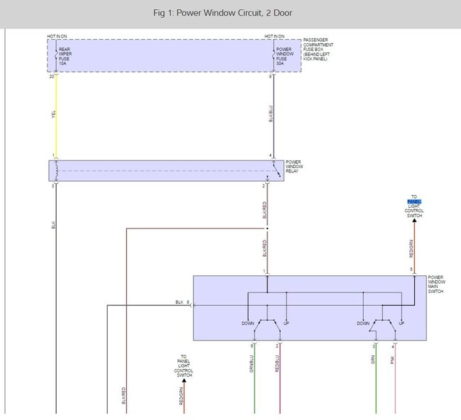
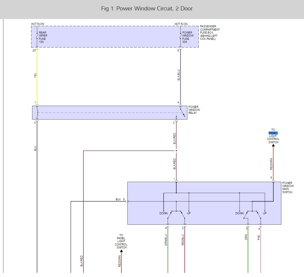
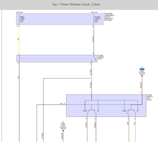
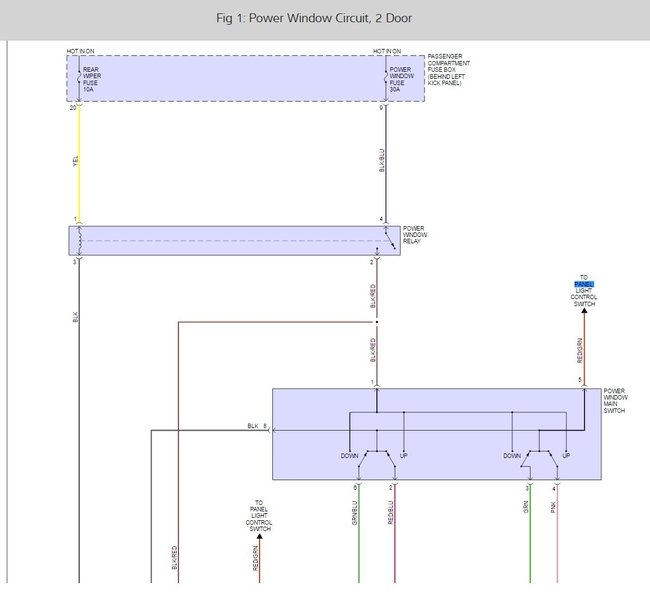
Turn ignition on. Using voltmeter connected to ground, backprobe and ensure battery voltage exists at specified wire color terminals of master power window switch while operating switch. See WINDOW SWITCH POWER DISTRIBUTION (SPORTAGE) table. See Fig. 1 . If battery voltage exists, go to next step. If battery voltage does not exist, check master power window switch operation. See MASTER POWER WINDOW SWITCH under COMPONENT TESTS. Repair or replace as necessary. Retest system.
Using voltmeter connected to ground, backprobe and ensure battery voltage exists at each individual passenger window switch while operating master switch. See WINDOW SWITCH POWER DISTRIBUTION (SPORTAGE) table. If battery voltage exists, go to next step. If battery voltage does not exist, repair open or short in appropriate power feed circuit to passenger window switch. Retest system.
While operating master switch, ensure battery voltage exists at Pink wire (switch position UP), then Green wire (switch position DOWN) at each passenger window switch connector. See Fig. 2 . If battery voltage exists, go to next step. If battery voltage does not exist at one or more switches, check appropriate window switch operation. See PASSENGER POWER WINDOW SWITCHES under COMPONENT TESTS. Retest system.
While operating master switch, ensure battery voltage exists at Pink wire (switch position UP), then Green wire (switch position DOWN) at each passenger window motor. See Fig. 2 . If battery voltage exists, replace appropriate window motor. If battery voltage does not exist at one or more motors, repair appropriate open or shorted wire between passenger window switch and window motor. Retest system.

Saturday, March 2nd, 2019 AT 2:46 PM
(Merged)