Monday, October 12th, 2020 AT 8:48 AM
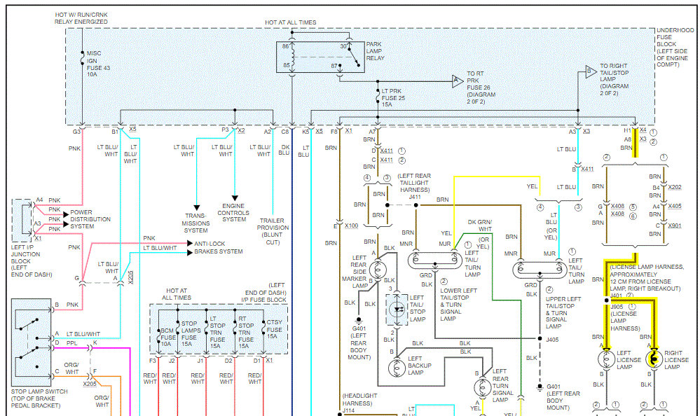
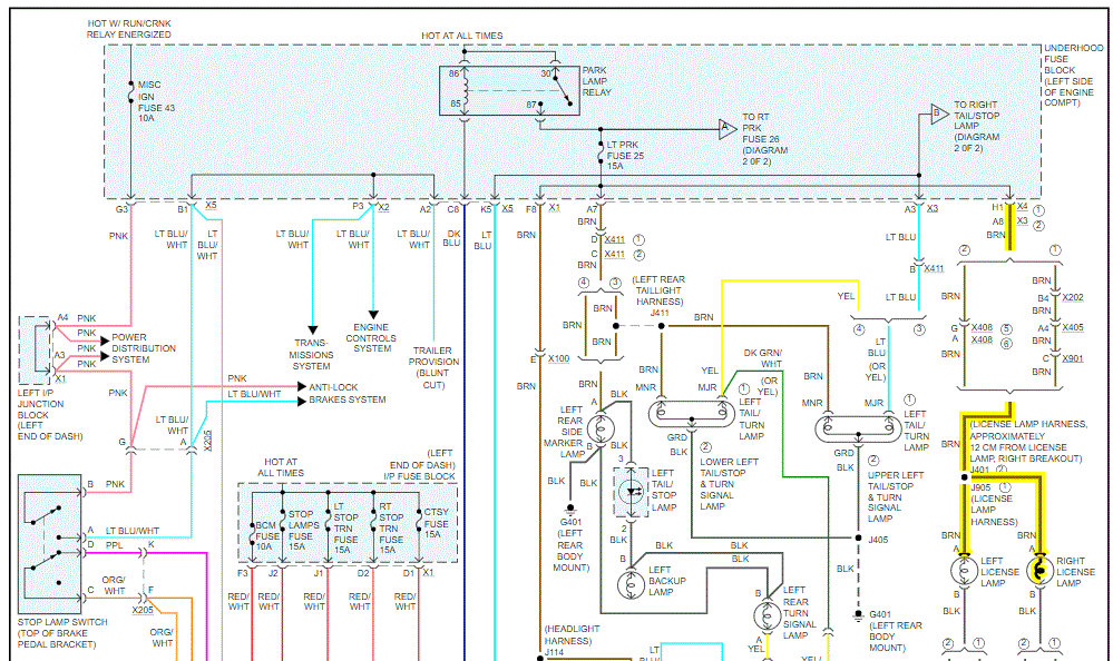
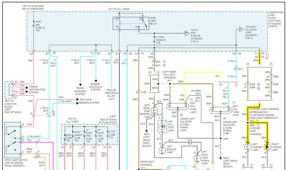
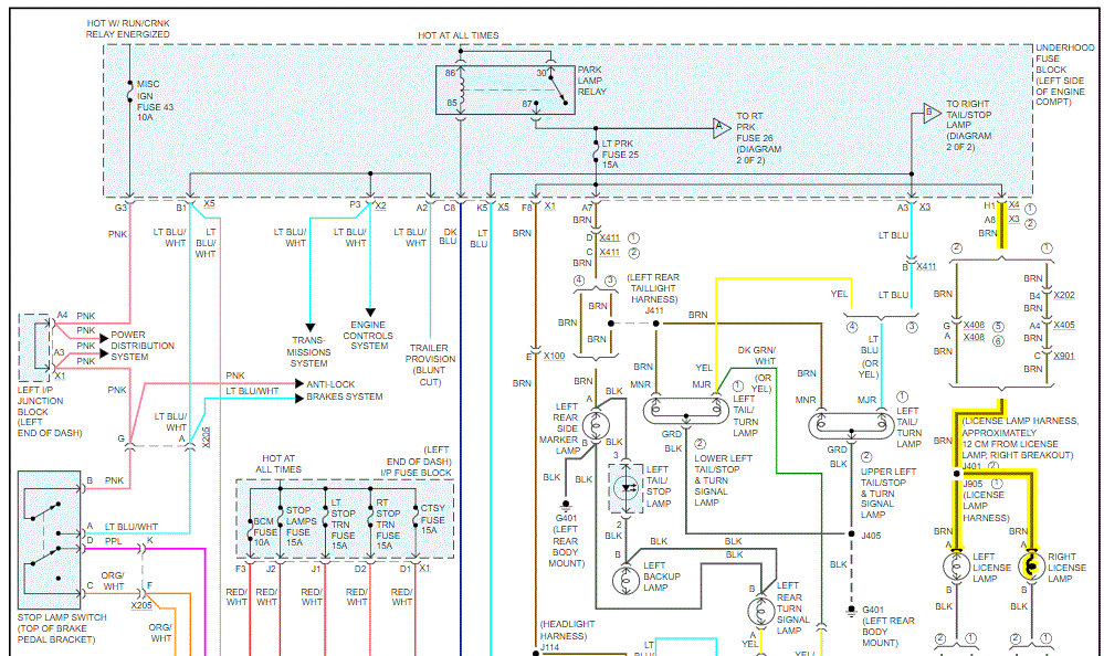
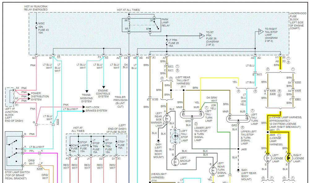
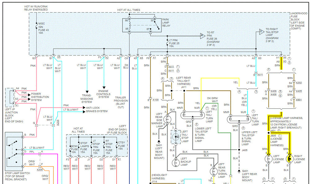
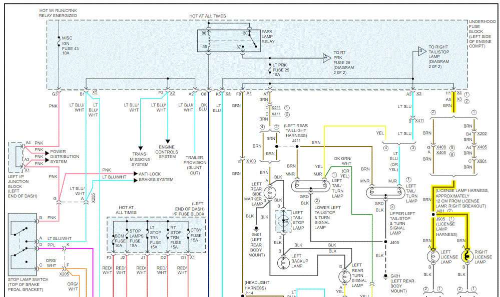
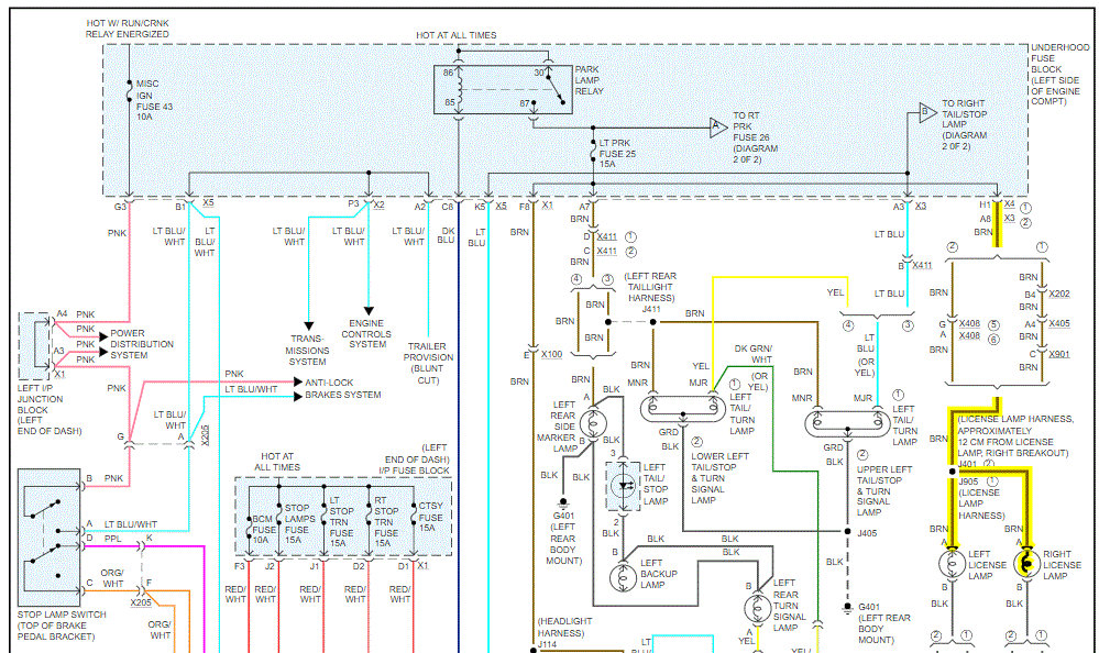
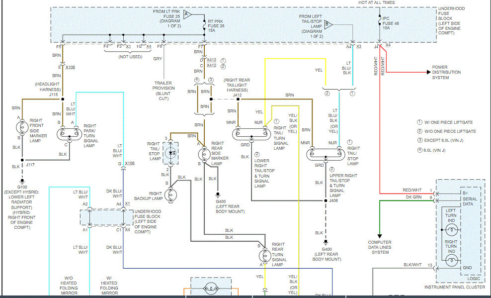
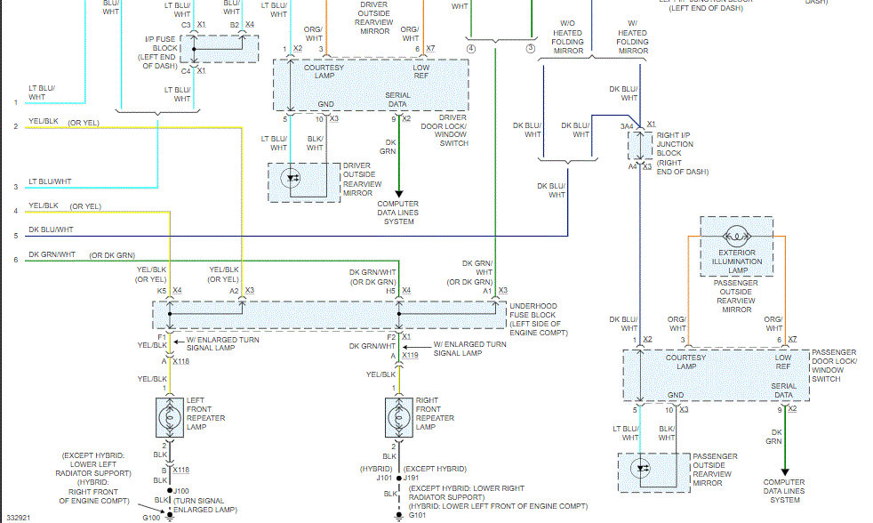
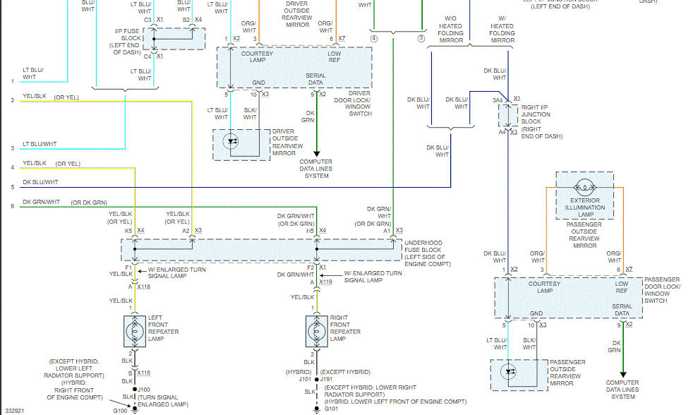
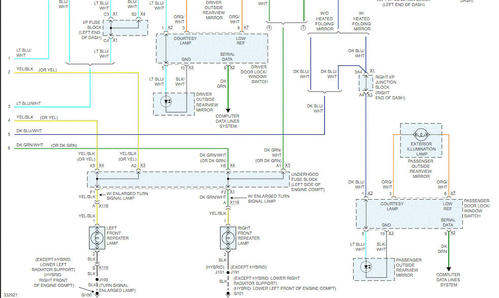
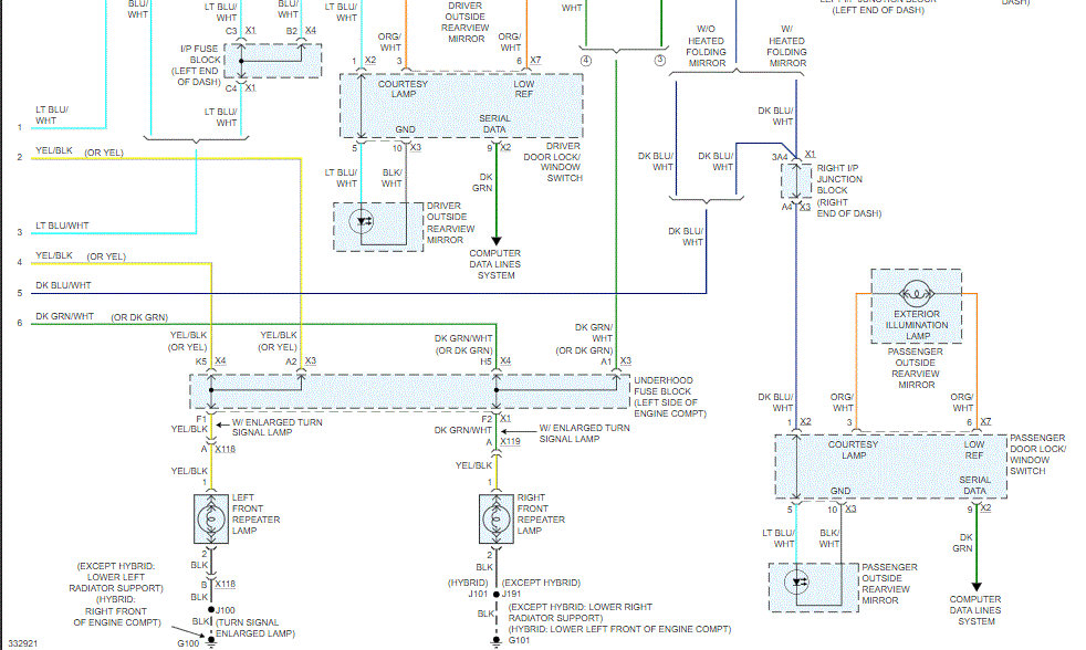
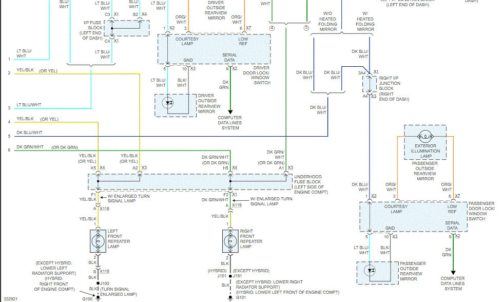
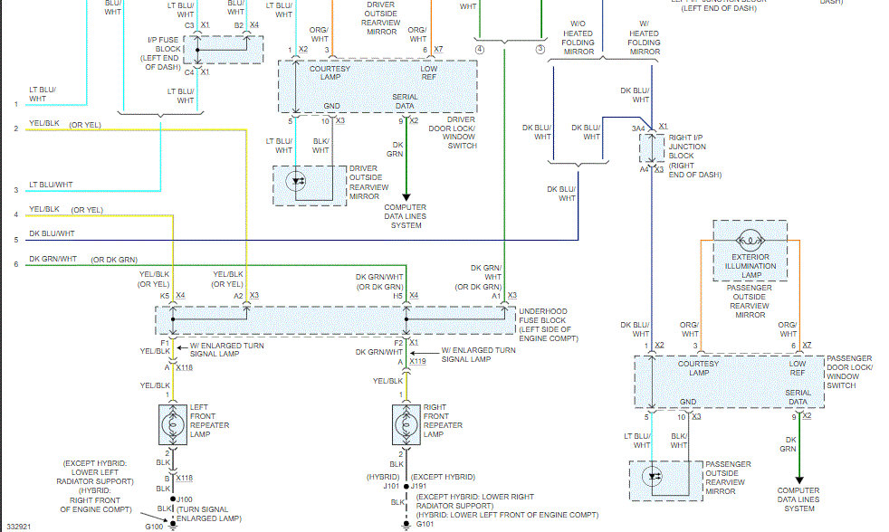
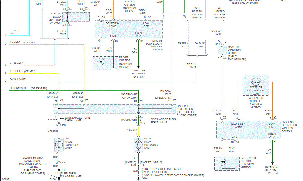
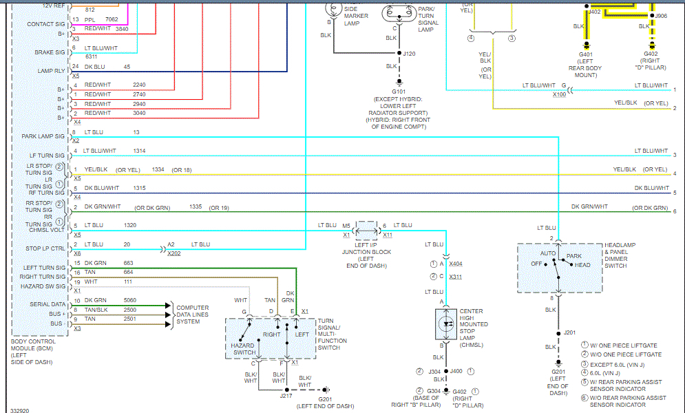
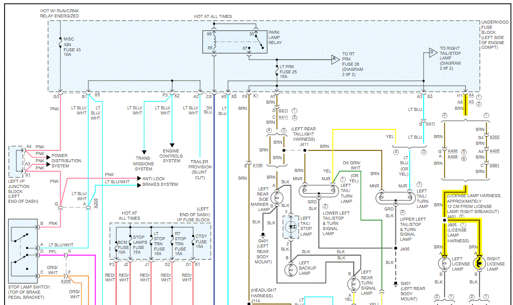
License plate lights do not work. Changed bulbs did nothing. I want to check the fuse that operates these lights can't find nothing in manual or lid of fuse boxes (one in engine compartment and one on driver side of dash board). Nothing is labeled to operate the license plate lights.





