Sunday, May 29th, 2022 AT 6:16 PM
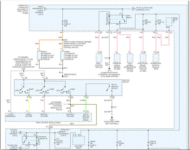
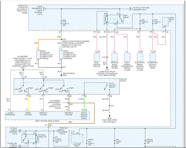
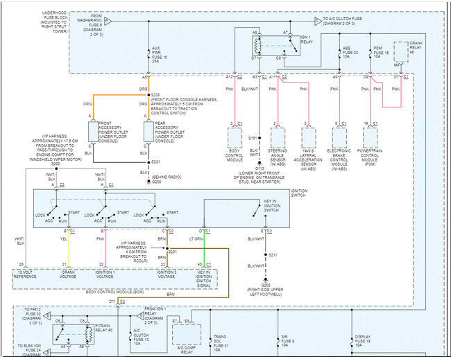
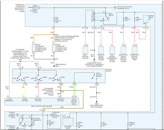
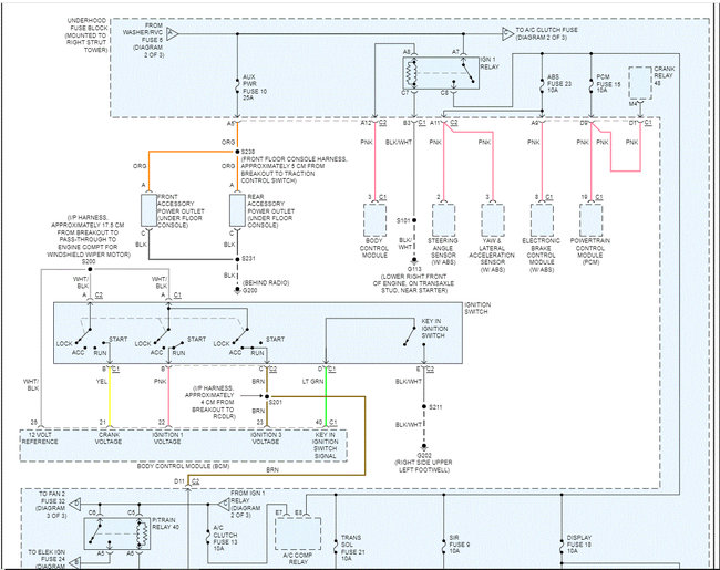
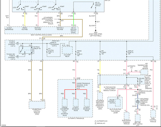
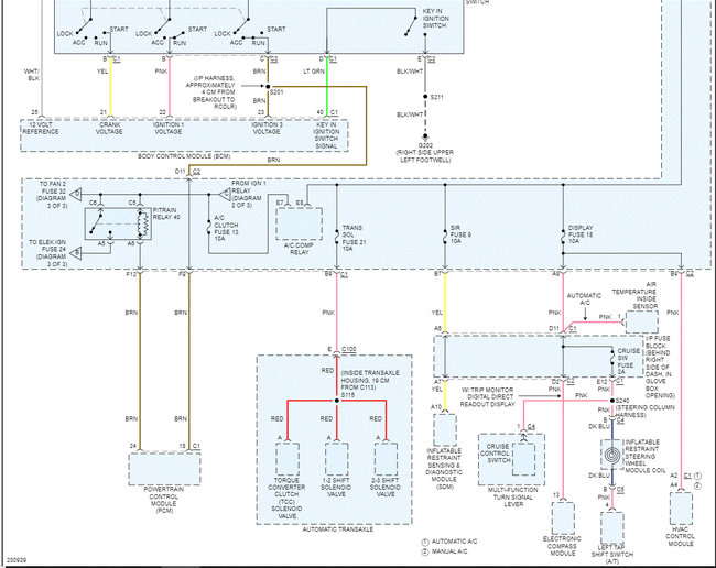
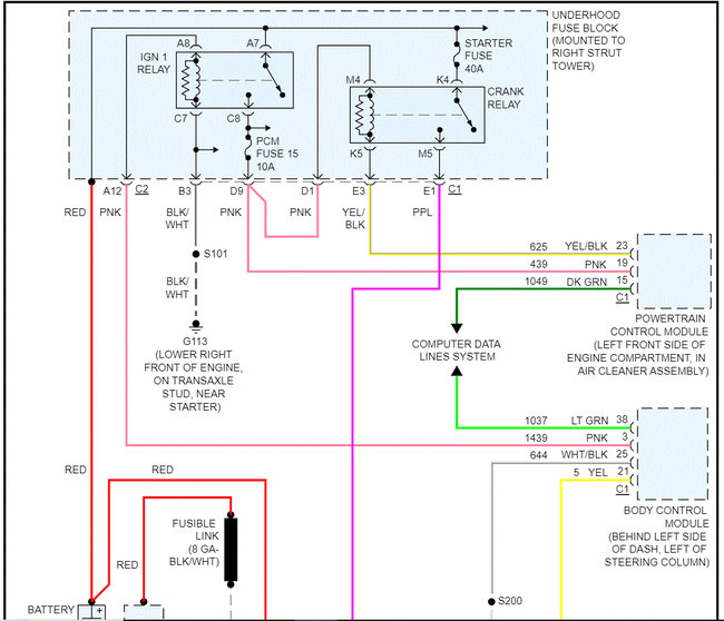
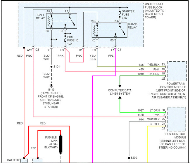
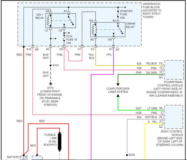
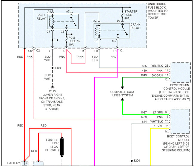
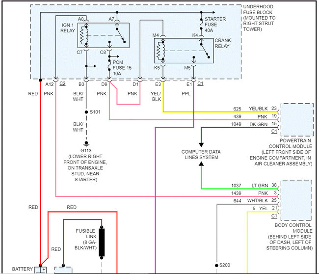
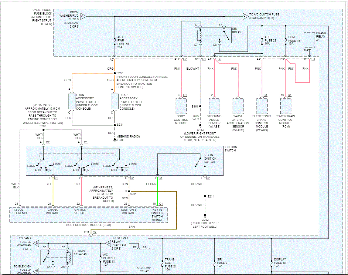
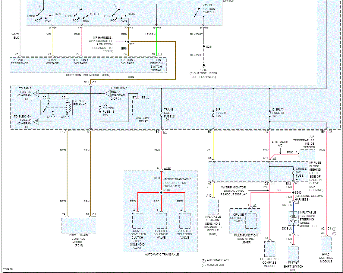
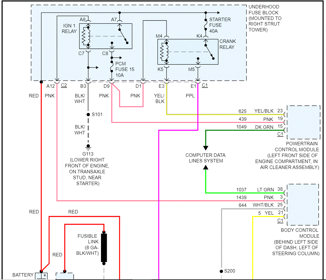
Okay, well, it all started with a bad starter. Replaced and the car would not start. Chased bad ground connections. All I found was some corrosion. Cleaned it up, still nothing. Lights come on gauges move turn the key to start everything shuts off. Changed ignition switch. Kept old lock cylinder. Nothing still the same. Lights, gauges, turn over the key it all shuts off. Checked the battery it read 11.9 fully discharged. Put the new battery in same thing back to square one. Started checking fuse box under the hood with a multimeter and only the top half has power to it. Did notice some yellow discoloration on four of the relays. Couldn't tell you which ones at the moment. I had to walk away for the evening very frustrated. Please help make sense of this. Thanks in advance.













