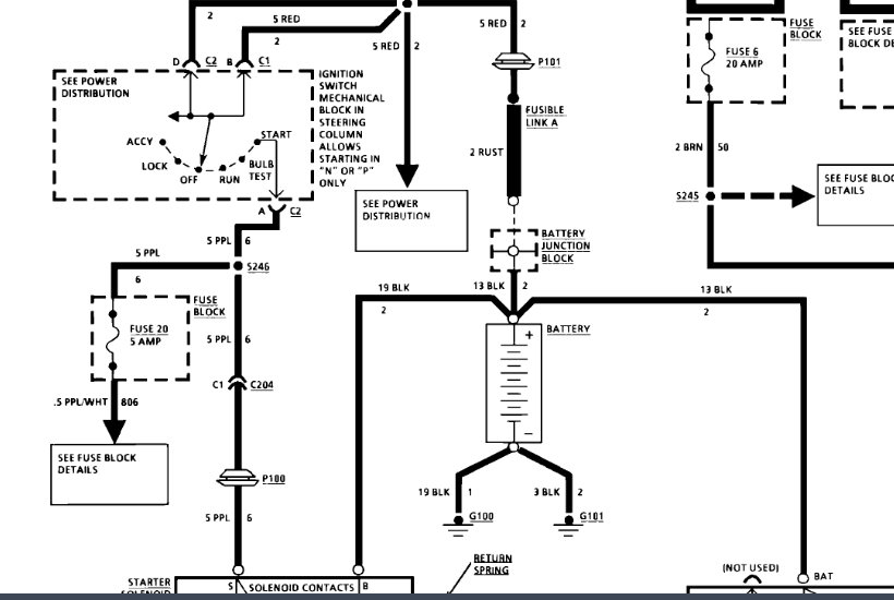
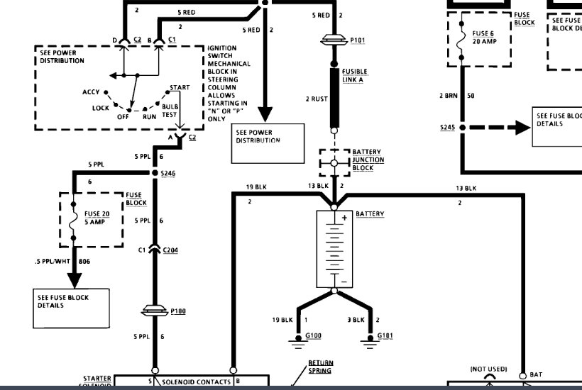
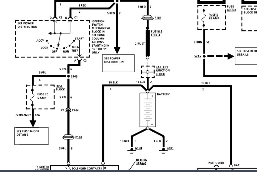
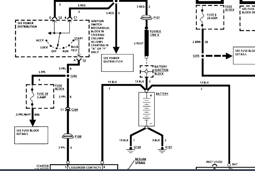
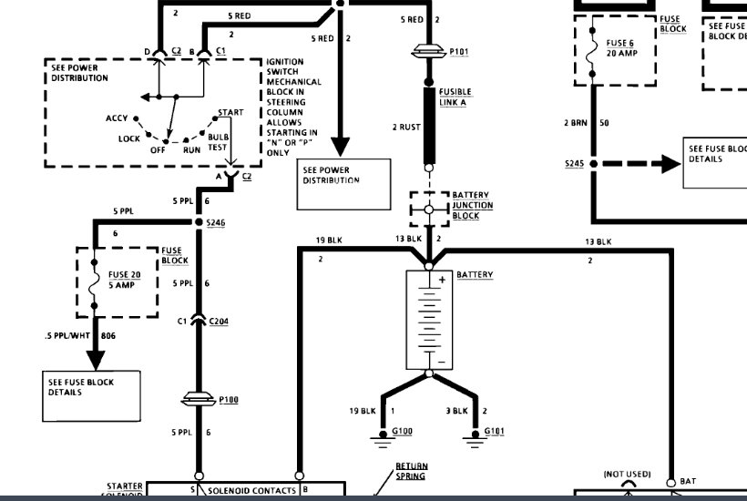
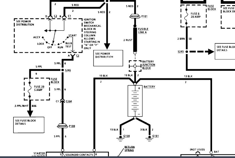
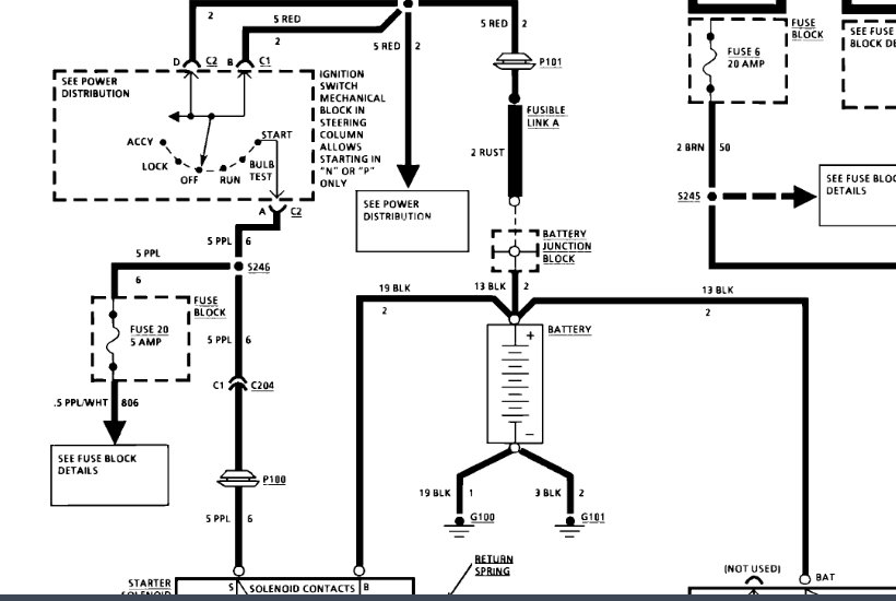
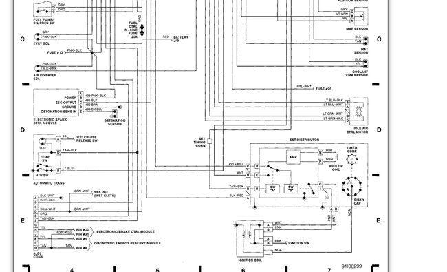
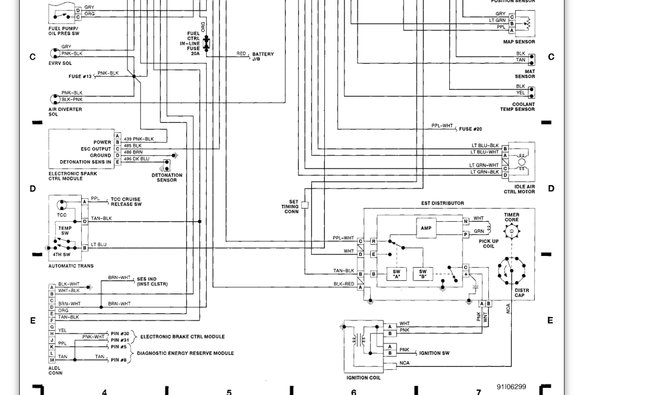
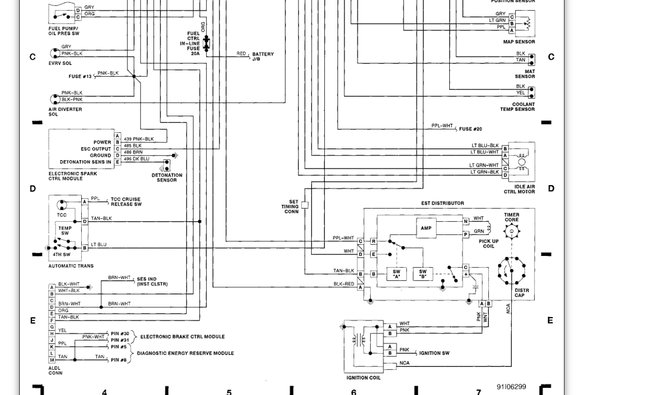
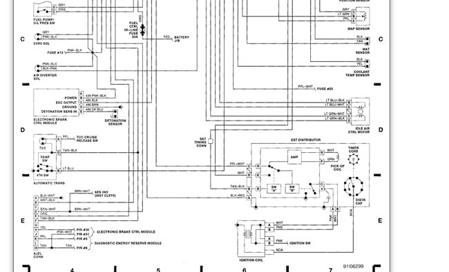
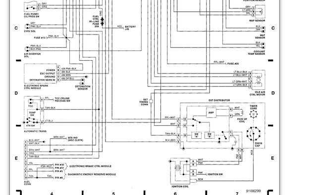
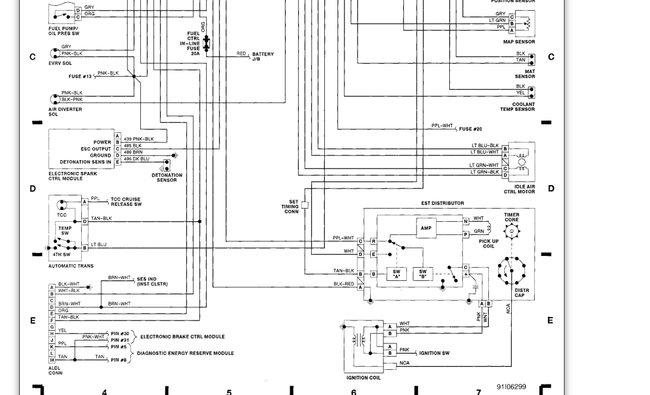
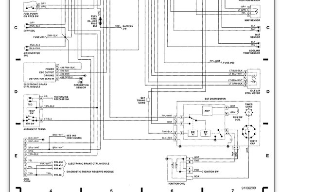
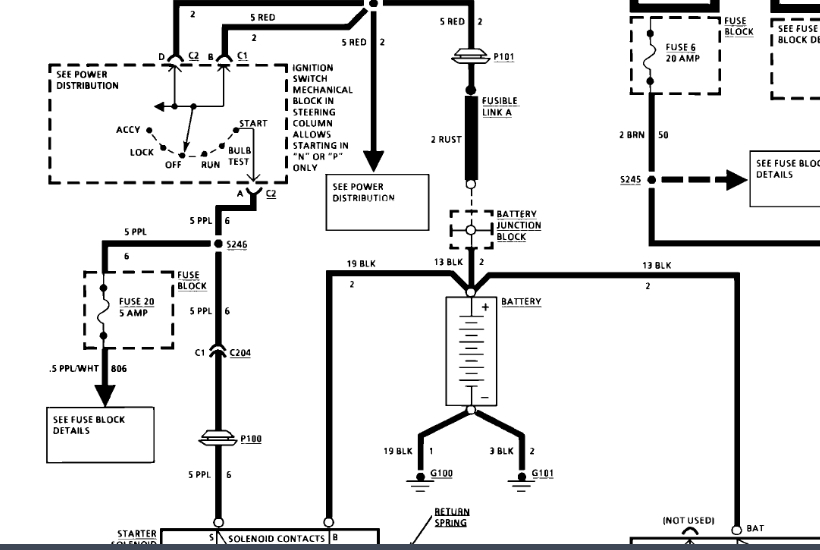
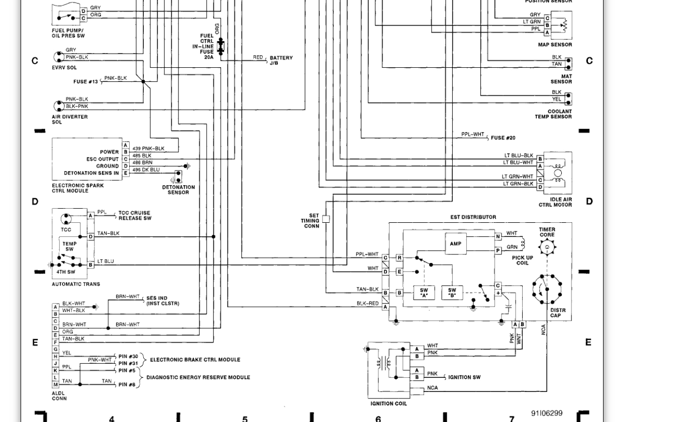
Tuesday, December 4th, 2018 AT 9:22 AM
Had a new starter installed. Cranked a few times and now just a click, engine will not turn over. Do not have owners manual for fuse box diagram. Any help?










