Thursday, November 1st, 2018 AT 9:22 PM
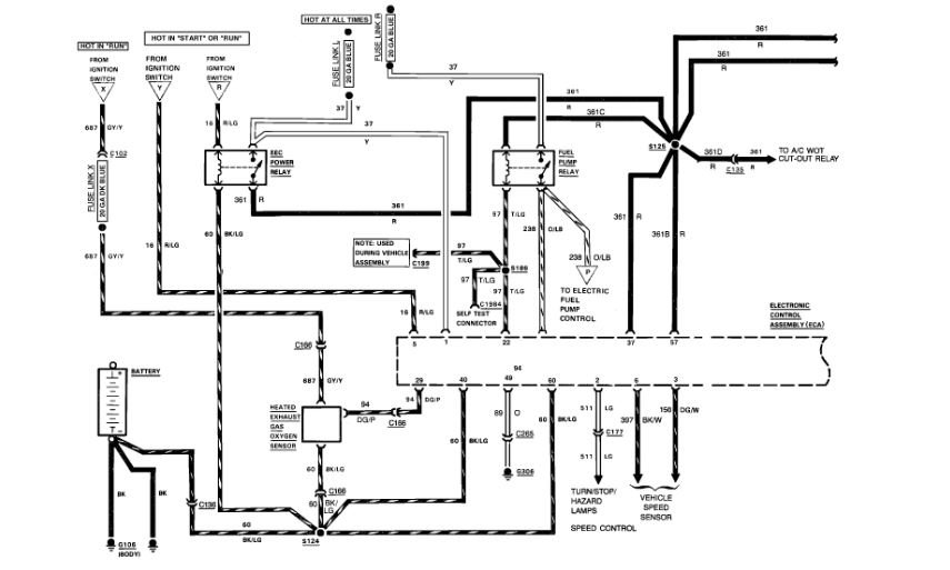
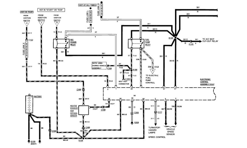
I had to replace the fuel pumps and the fuel pump relay, but anytime that the switch is on the fuel pumps are running. I need help really bad. I also replaced the fuel pressure valve.


