Fuel pump replacement

Tiny
GERRY HARP
  • MEMBER
  • 1989 OLDSMOBILE 98
  • 3.8L
  • V6
  • 2WD
  • AUTOMATIC
  • 120,000 MILES
Need to know pressure that pump should be and if changing pump is there an access panel or do I have to drop the tank?
Sunday, January 19th, 2020 AT 11:39 AM

1 Reply

Tiny
SCGRANTURISMO
  • MECHANIC
  • 4,897 POSTS
Hello,

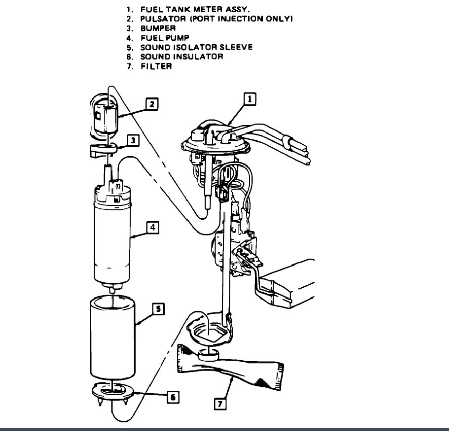
I have included for you the fuel pressure specs for your vehicle and the instructions for the removal and installation of your vehicle's fuel pump. Please go through these guides and get back to us with how everything turns out please.

Thanks,
Alex
2CarPros
Was this
answer
helpful?
Yes
No
Sunday, January 19th, 2020 AT 11:54 AM

Please login or register to post a reply.