Fuel pump not working without directly wiring

Tiny
JIMGABBARD58
  • MEMBER
  • 1993 PLYMOUTH COLT
  • 1.5L
  • 4 CYL
  • 2WD
  • MANUAL
  • 100 MILES
Two problems the first is engine has been completely rebuilt all new but sensors 1. Problem hesitation after warm up when acceleration hesitates bad. I think sensor but not sure which. It is not any other thing like timing or other has been before rebuild.
2. One day stopped able to start fuel pump not running but works if hot wired cannot find good wire diagram for location of pump relay or fuse. Any ideas? Help please.
Thursday, November 23rd, 2017 AT 7:26 PM

10 Replies

Tiny
HARRY P
  • MECHANIC
  • 2,296 POSTS
The pump is bad. When you run a hot wire to it, you end up with just a little extra juice getting there, helping it to get turning. This also explains the hesitation and bad running, as the fuel pressure is not as strong as it is supposed to be. To confirm, probe the lead wire at the fuel pump with a multi-meter. It should get some power when you turn the key on (two to three seconds) and when cranking. I will look up the location of the relay in a few minutes so you can check it (if there is no power at the pump) and post it below.
Was this
answer
helpful?
Yes
No
+1
Thursday, November 23rd, 2017 AT 7:46 PM
Tiny
HARRY P
  • MECHANIC
  • 2,296 POSTS
Here is some information on the relay and how to test it.
Was this
answer
helpful?
Yes
No
+2
Thursday, November 23rd, 2017 AT 7:58 PM
Tiny
JIMGABBARD58
  • MEMBER
  • 4 POSTS
Well your answer needed more information to get to the real problem
the hesitation only happened after warmup while cold the engine was spunky no hesitation, so the initial problem of hesitation can't be fuel pump although it may have gone bad later.
Was this
answer
helpful?
Yes
No
Friday, November 24th, 2017 AT 6:57 PM
Tiny
HARRY P
  • MECHANIC
  • 2,296 POSTS
The pump could be losing pressure as the car warms up. I have seen that happen on cars, even Chrysler products. I would still start at the pump and see if that hesitation goes away.
Was this
answer
helpful?
Yes
No
-1
Saturday, November 25th, 2017 AT 3:23 AM
Tiny
JIMGABBARD58
  • MEMBER
  • 4 POSTS
I got to the plug for the fuel pump disconnected and turned key with probe light on not any voltage found the MFI relay will I need to take the whole dash out cannot find any way to get to It I am figuring relay or broken wire or connection. Any thoughts?
Was this
answer
helpful?
Yes
No
Sunday, December 17th, 2017 AT 1:29 PM
Tiny
JIMGABBARD58
  • MEMBER
  • 4 POSTS
Well got the MFI relay out and did testing as prescribed it's all good so what is telling the mfi to work possible new controle module?
Was this
answer
helpful?
Yes
No
Sunday, December 17th, 2017 AT 5:36 PM
Tiny
HARRY P
  • MECHANIC
  • 2,296 POSTS
I am phoning a friend on this one. I will follow up and do necessary research this evening if needed.
Was this
answer
helpful?
Yes
No
Monday, December 18th, 2017 AT 4:50 AM
Tiny
KEN L
  • MASTER CERTIFIED MECHANIC
  • 55,499 POSTS
Hello,

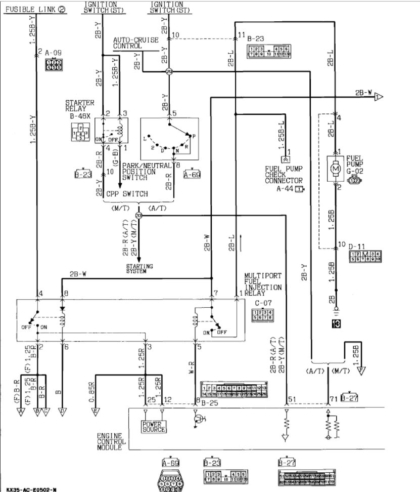
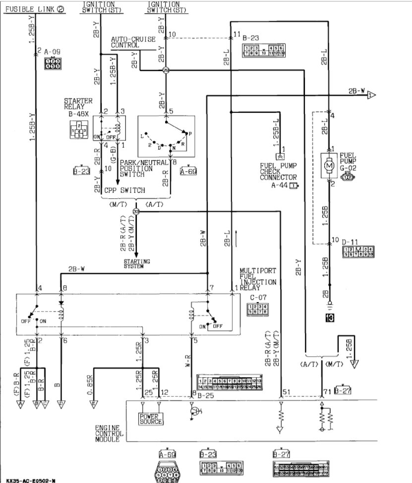
If I may jump in here. It sounds like you have lost a power feed to the system like a fusible link is bad. Please use a test light and check for power on both sides of the link.
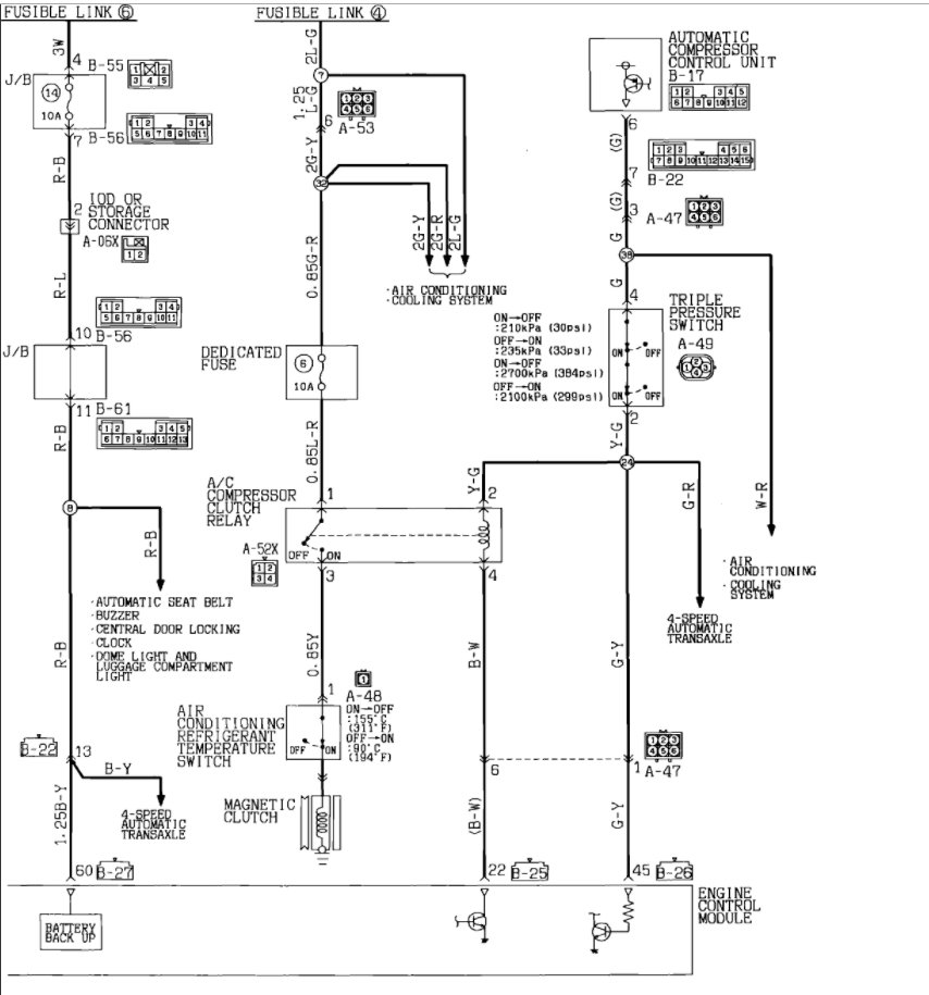
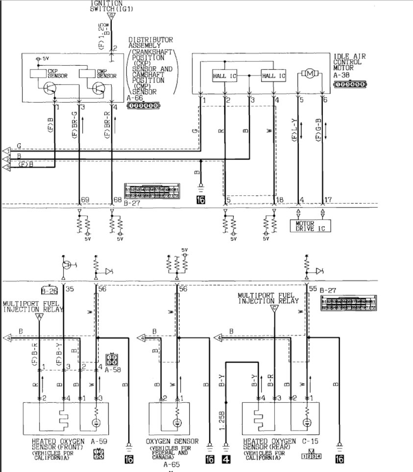
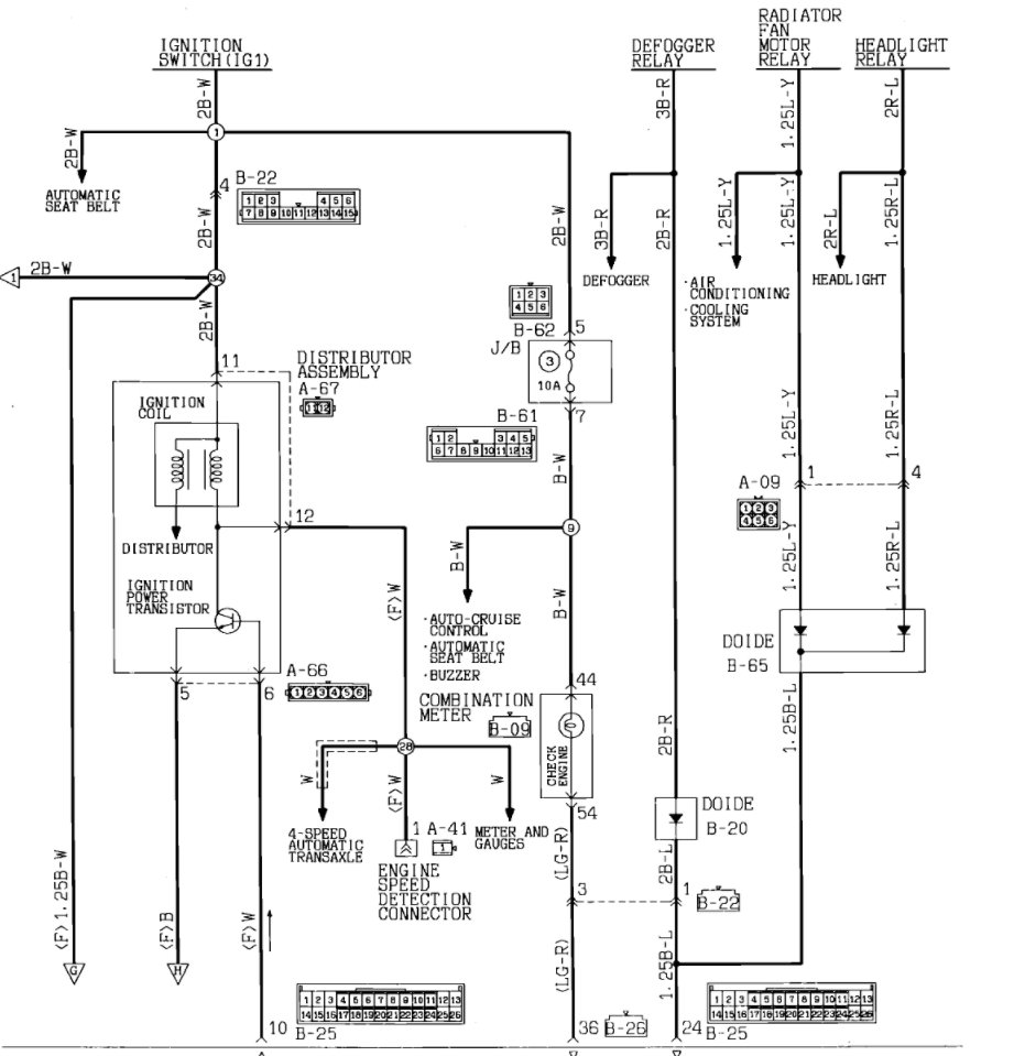
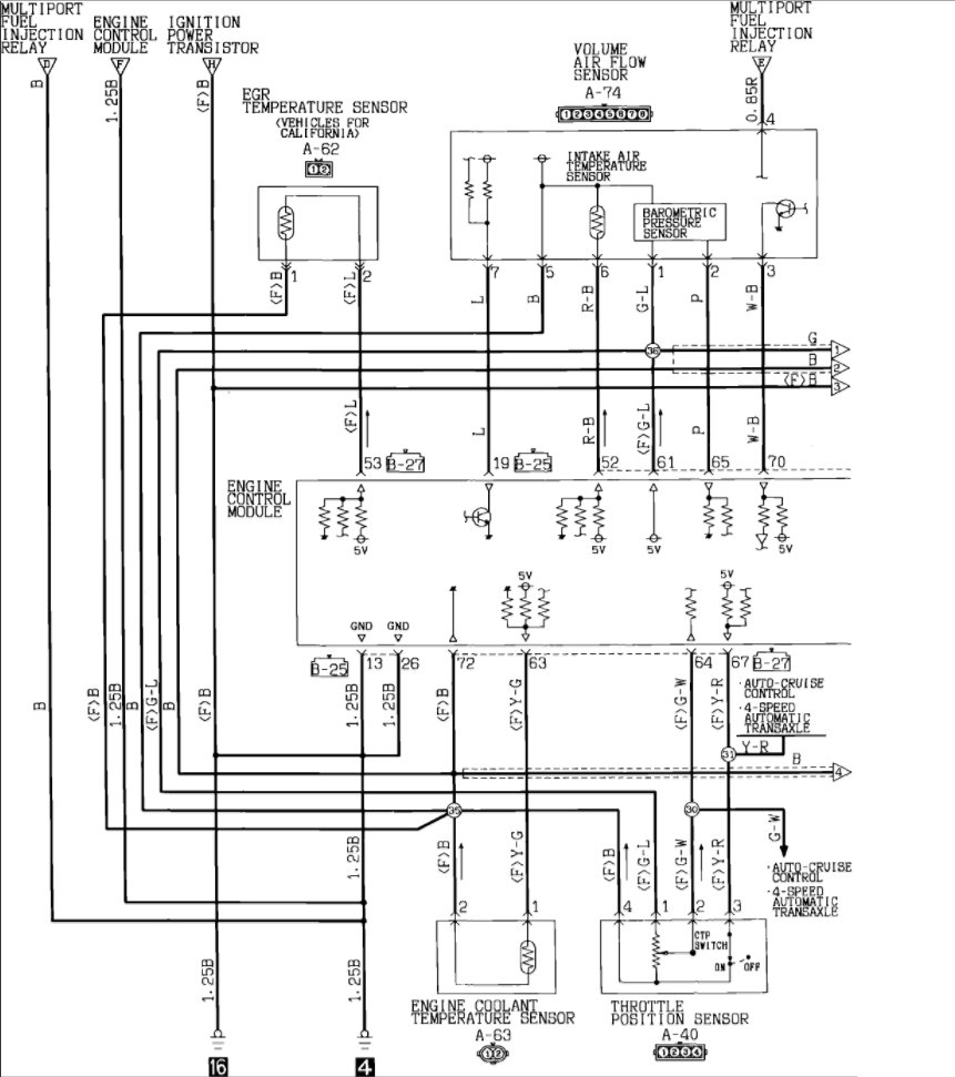
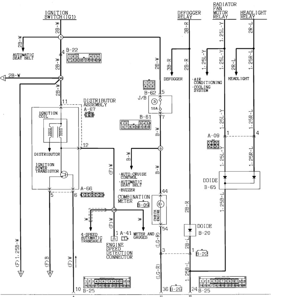
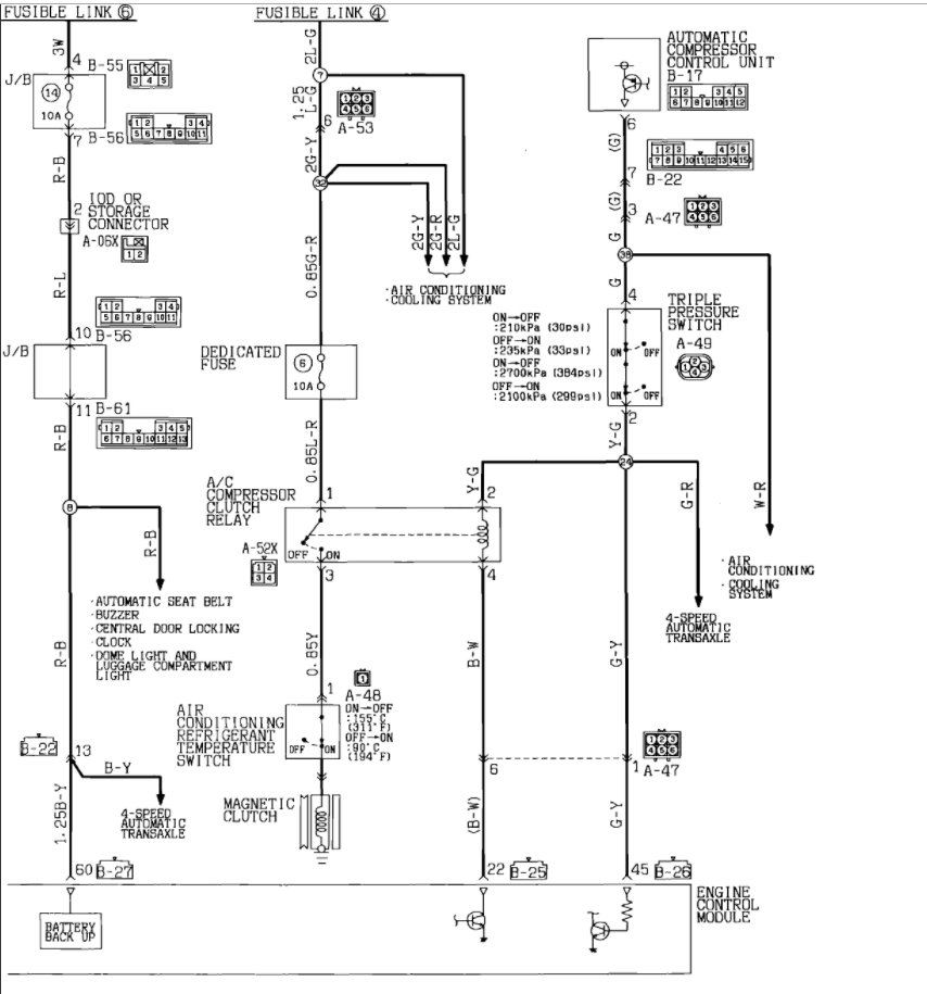
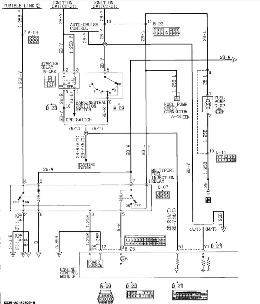
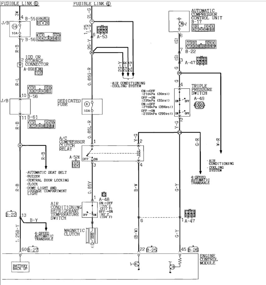
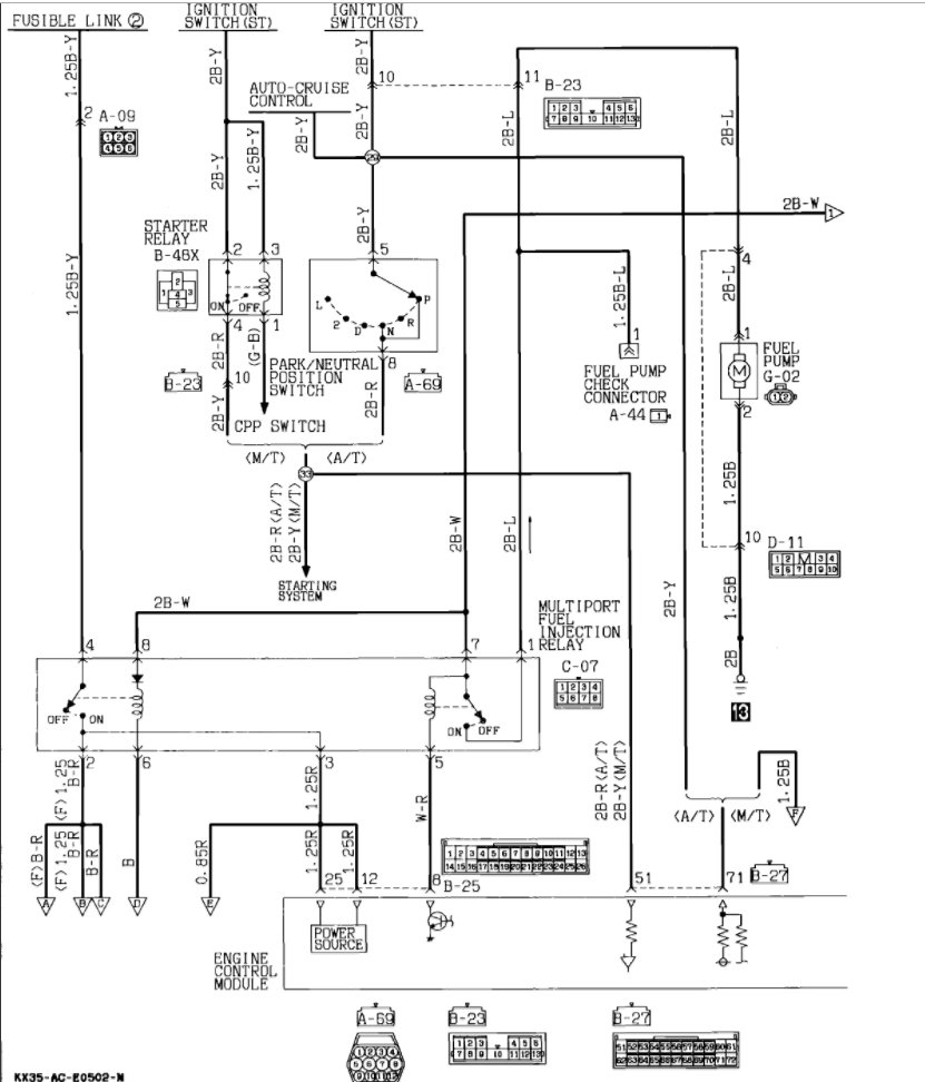
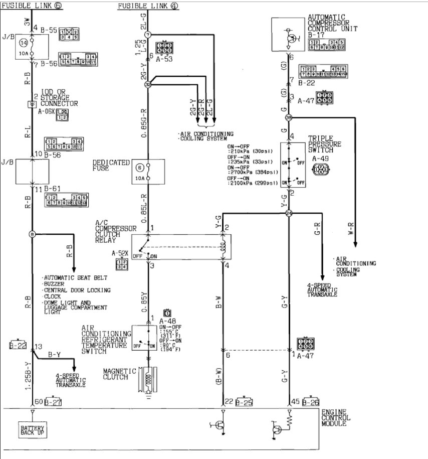
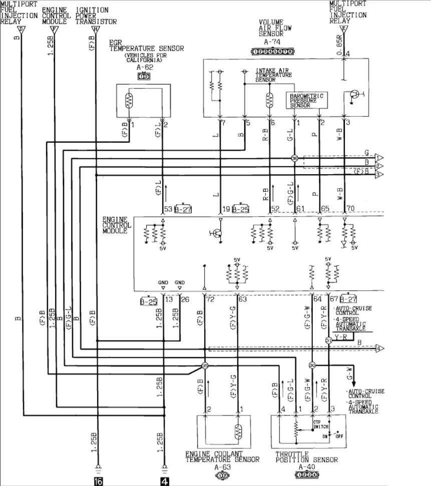
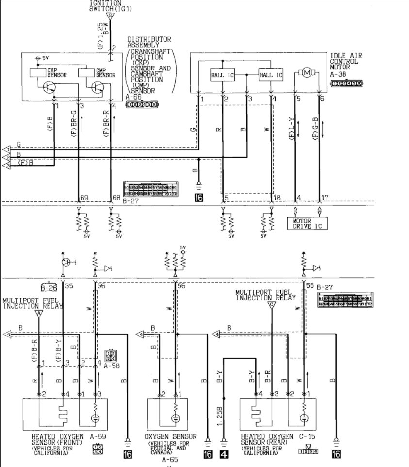
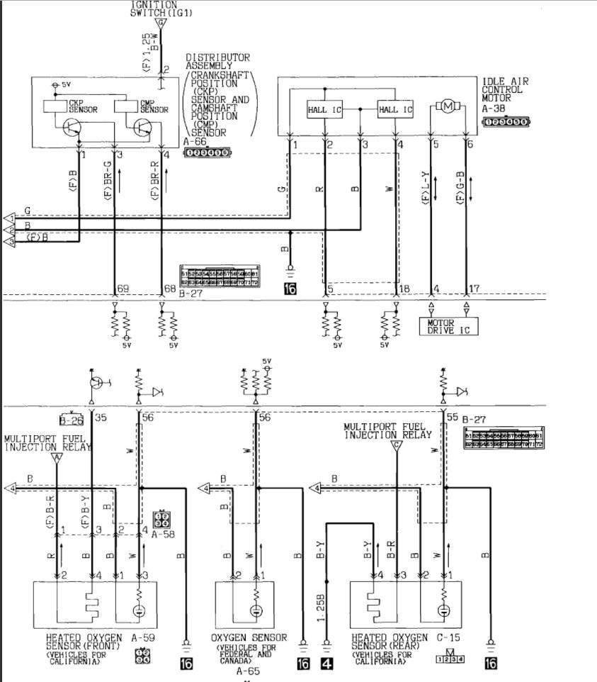
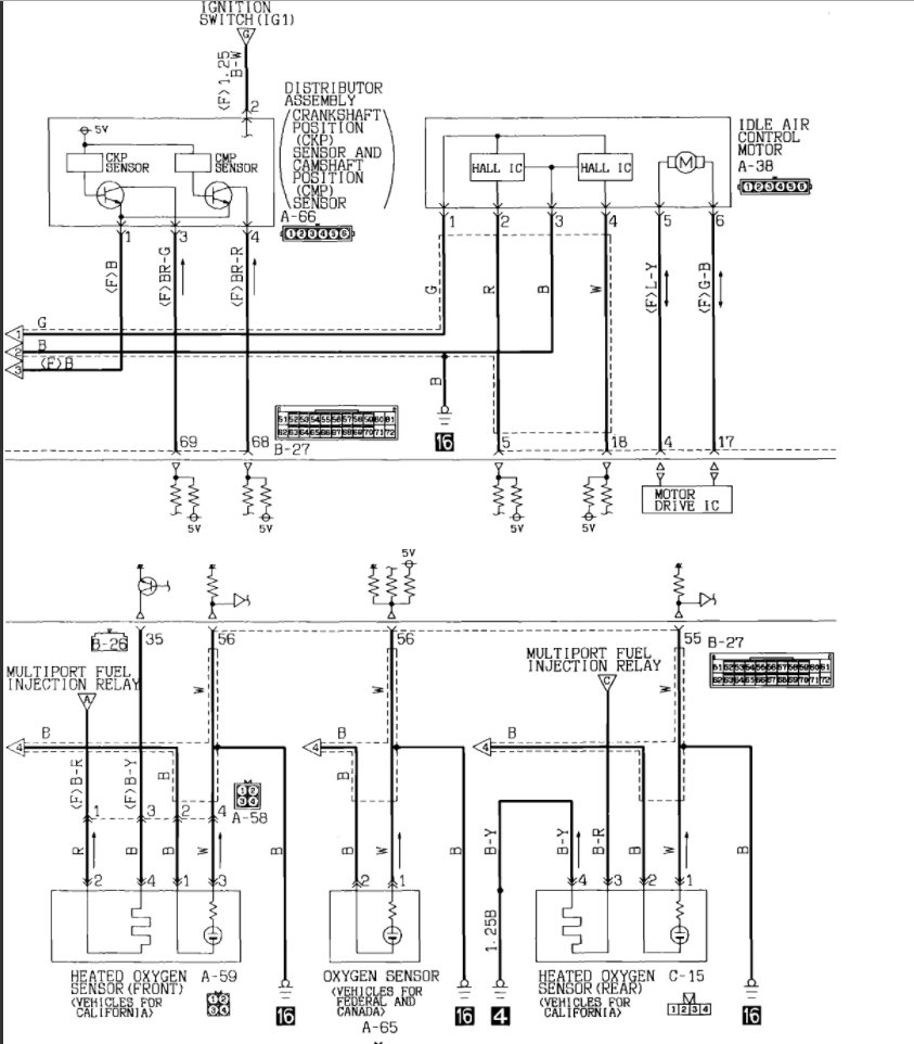
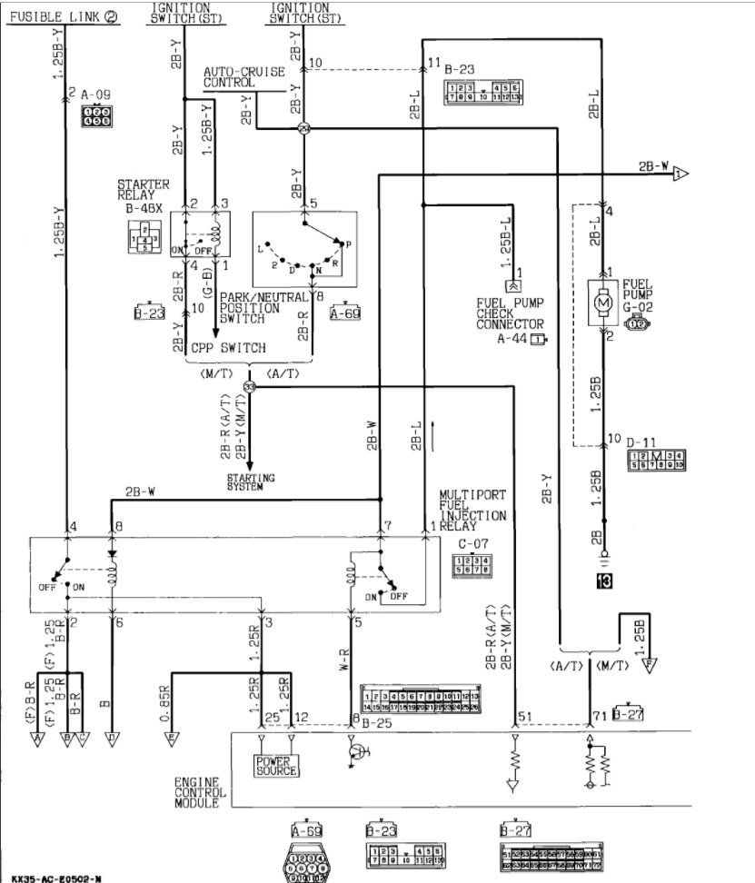
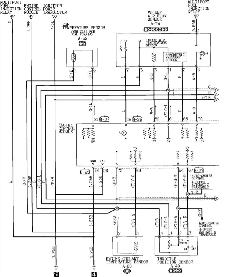
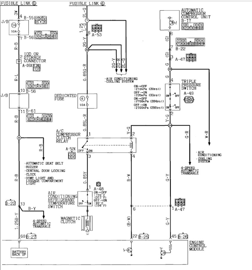
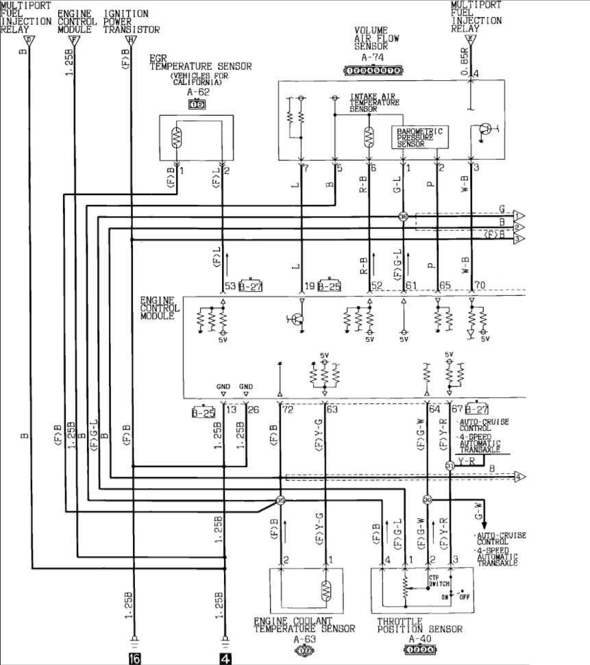
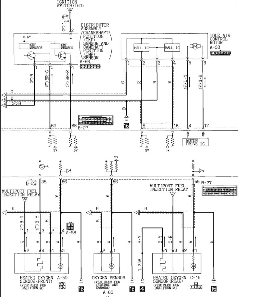
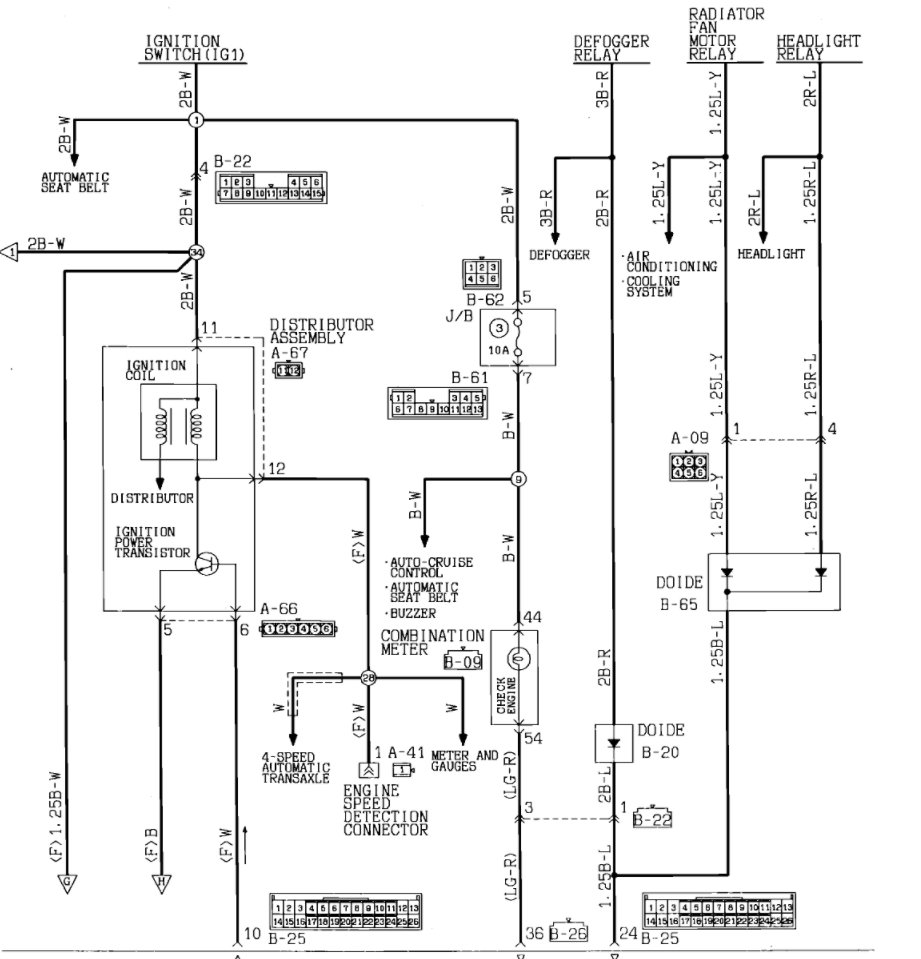
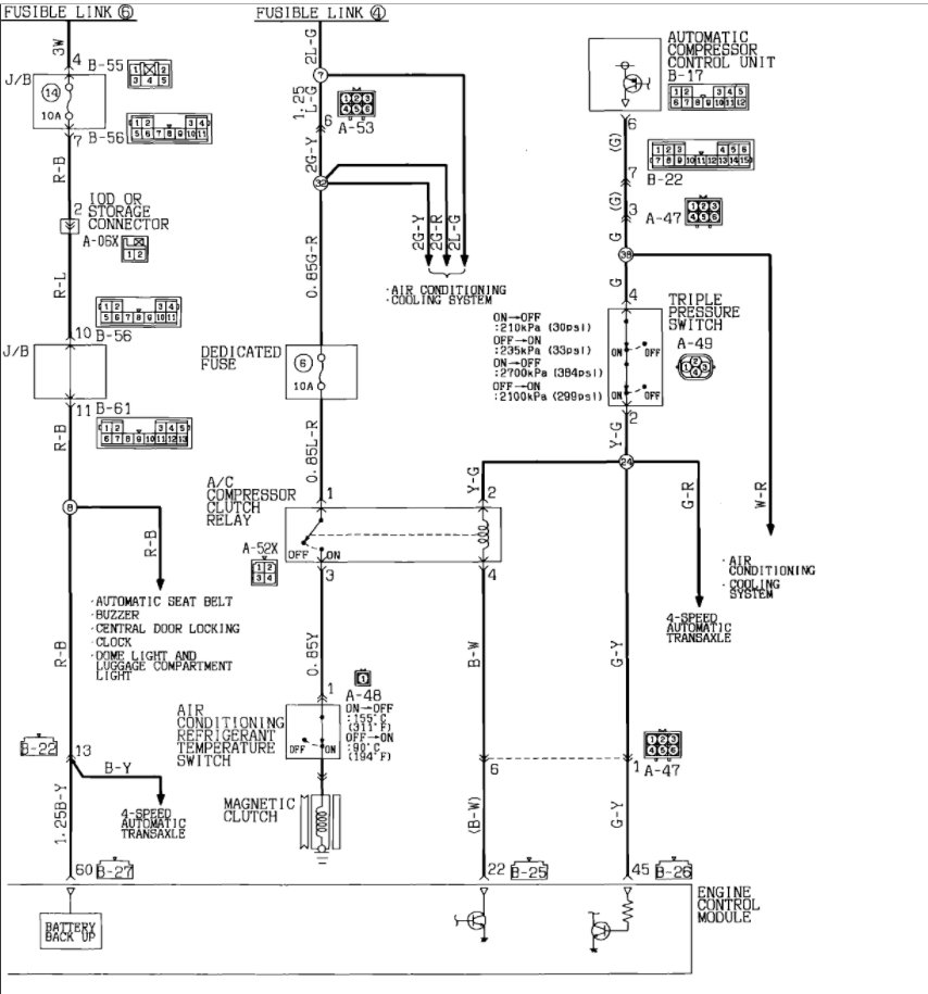
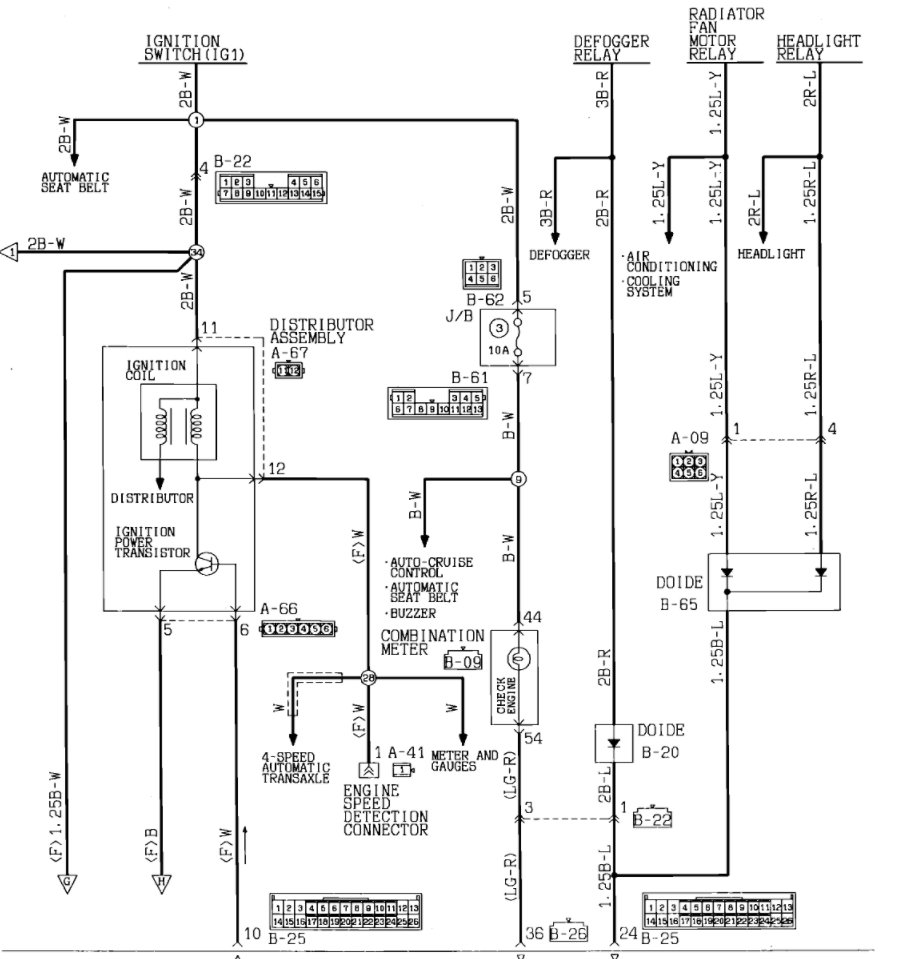
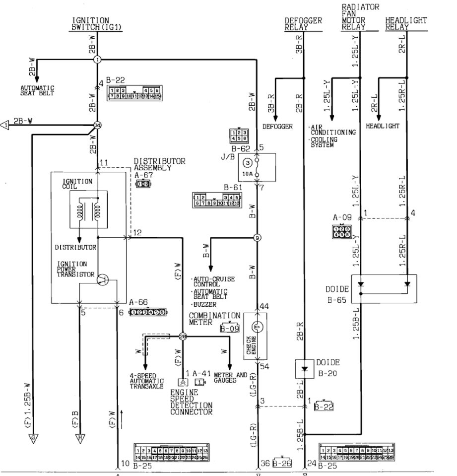
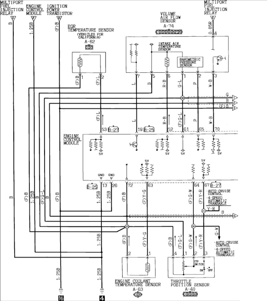
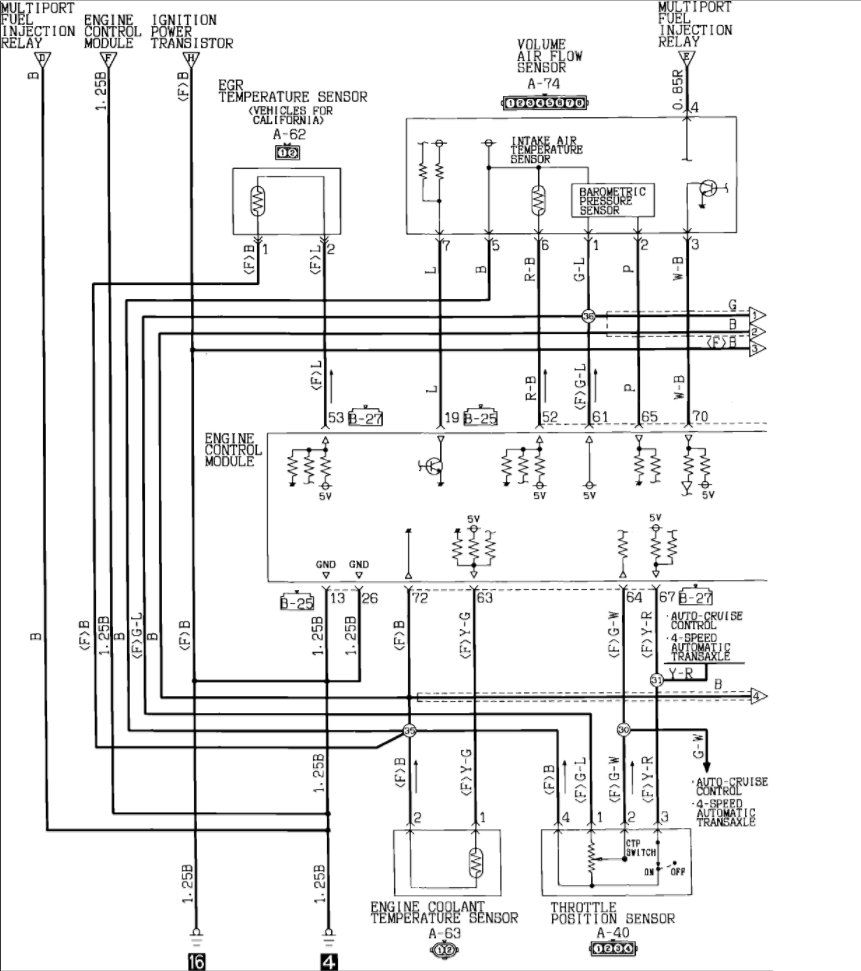
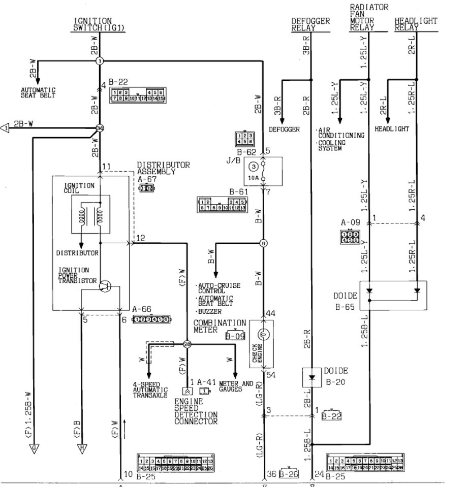
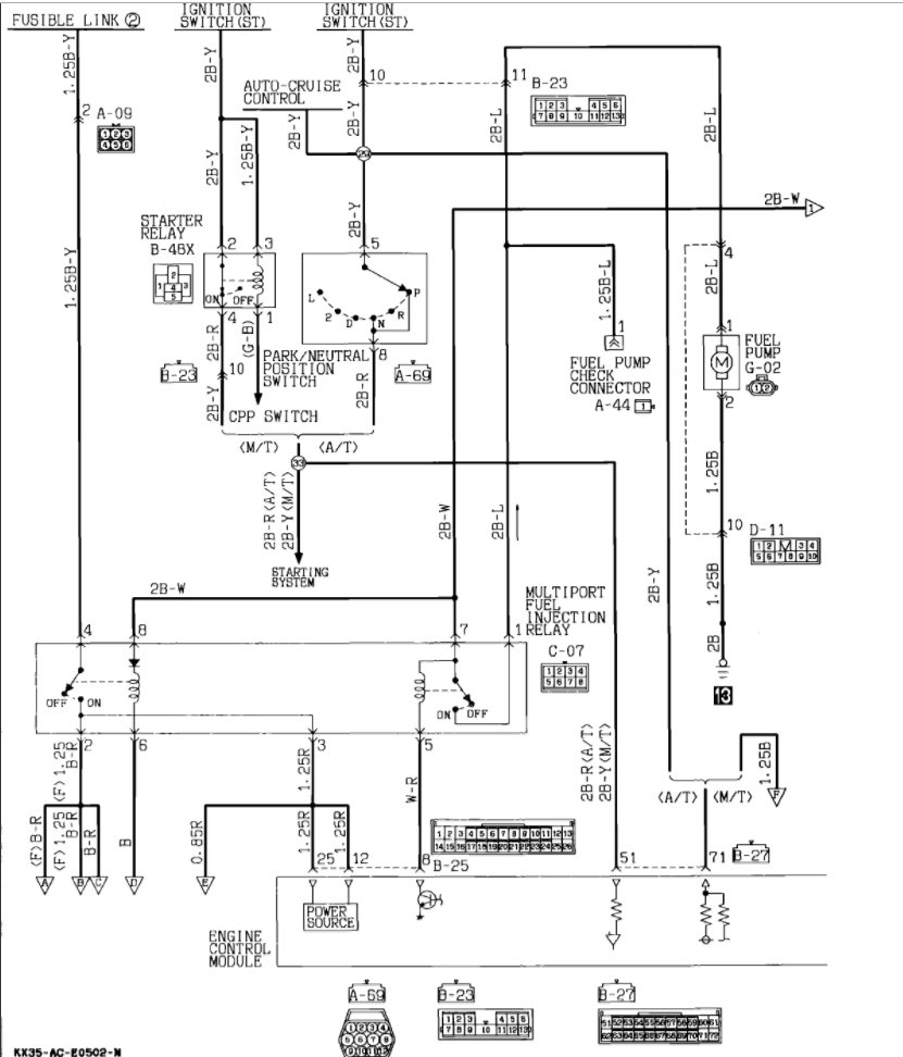
Here are the engine and fuel pump wiring diagrams so you can check power and ground of the system:

https://www.2carpros.com/articles/how-to-use-a-test-light-circuit-tester

and

https://www.2carpros.com/articles/how-to-check-wiring

Check out the diagrams (below).

Please let us know what you find. We are interested to see what it is.

Cheers, Ken
Was this
answer
helpful?
Yes
No
Monday, December 18th, 2017 AT 12:30 PM
Tiny
HARRY P
  • MECHANIC
  • 2,296 POSTS
Thanks Ken! I thought that I was missing something but couldn't put my finger on it. I think you nailed it.
Was this
answer
helpful?
Yes
No
Tuesday, December 19th, 2017 AT 4:00 AM
Tiny
KEN L
  • MASTER CERTIFIED MECHANIC
  • 55,499 POSTS
Teamwork! Its what we do :)
Was this
answer
helpful?
Yes
No
Tuesday, December 19th, 2017 AT 1:00 PM

Please login or register to post a reply.