Wednesday, May 16th, 2018 AT 6:02 PM
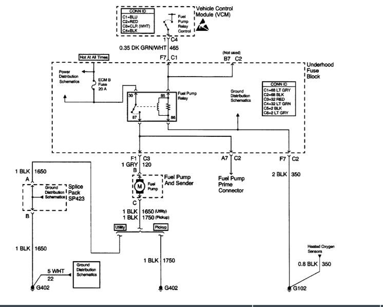
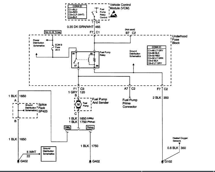
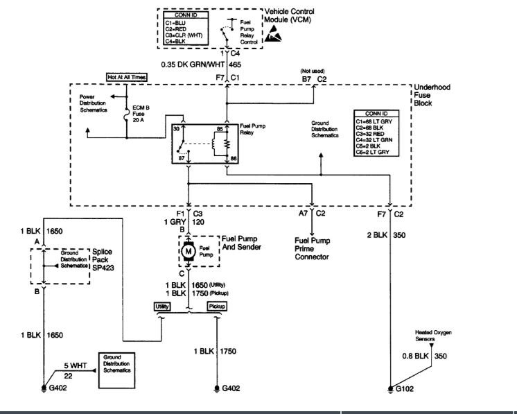
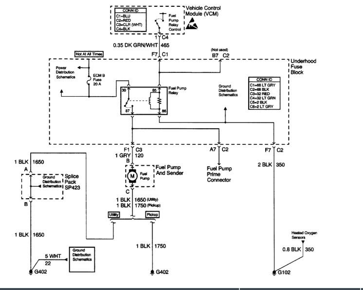
Is there a security shut off to the fuel pump? Where is the relay switch on the truck? Could the fuse cause fuel pump to go out? Truck started and ran couple times after replacing fuel filter. Then quit and will not start. Replaced battery too.

