Car will not start, fuel pump not turning on

Tiny
KIM HOWELL
  • MEMBER
  • 2004 HONDA ACCORD
  • 2.4L
  • 4 CYL
  • 2WD
  • AUTOMATIC
  • 220,000 MILES
Hey. My car was recently towed home after the serpentine belt broke while picking my kid up from school. Replaced the belt. Still will not start. Engine cranks. And just noticed the fuel pump is not turning on. There is power from the relay so is it my pump I need to replace or is there a reset switch somewhere I need to press?
Sunday, September 2nd, 2018 AT 4:11 PM

1 Reply

Tiny
JACOBANDNICKOLAS
  • MECHANIC
  • 110,192 POSTS
Hi Kim and thanks for using 2CarPros.com.

If there is power to the fuel pump and it is not turning on, chances are the pump is bad. However, a broken serpentine belt should not have caused the pump to fail. Before you replace the pump, confirm that there is no fuel pressure to the engine. Here are general directions for checking:

https://www.2carpros.com/articles/how-to-check-fuel-system-pressure-and-regulator

Also, switch the fuel pump relay with another one with the same part number in the relay box to confirm the relay is not bad.

Here are specific directions for your vehicle to help confirm the pump is bad:

___________________________

Fuel pump test pictures 1 and 2 correlate with these directions.

If you suspect a problem with the fuel pump, check that the fuel pump actually runs; when it is on, you will hear some noise if you listen to the fuel fill port with the fuel fill cap removed. The fuel pump should run for two seconds when the ignition switch is first turned on. If the fuel pump does not make noise, check as follows:

1. Remove the trunk floor.
2. Remove the access panel from the floor.
3. Turn the ignition switch off, then disconnect the fuel pump 5P connector.
4. Connect the PGM-FI main relay 7P connector terminals No.4 and No.5 with a jumper wire.
5. Turn the ignition switch on (II).
6. Check that battery voltage is available between the fuel pump 5P connector terminal No.5 and body ground when the ignition switch is turned on (II).
- If battery voltage is available, check the fuel pump ground. If the ground is okay, replace the fuel pump.
- If there is no voltage, check the wire harness.

______________________________________________________________

If you determine that the pump is bad, here are the directions for replacement. All remaining pictures correlate with these directions.

_____________________________________________________________

REMOVAL AND REPLACEMENT
Fuel Pump Replacement

1. Remove the trunk floor.
2. Remove the access panel from the floor.
3. Turn the ignition switch off, then disconnect the fuel pump 5P connector.
4. Remove the fuel cap.
5. Relieve the fuel pressure.
6. Disconnect the quick-connect fittings from the fuel pump.

Fuel Pump
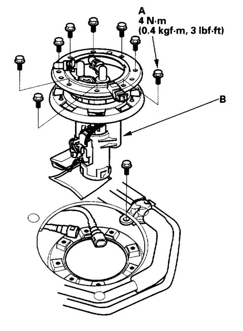
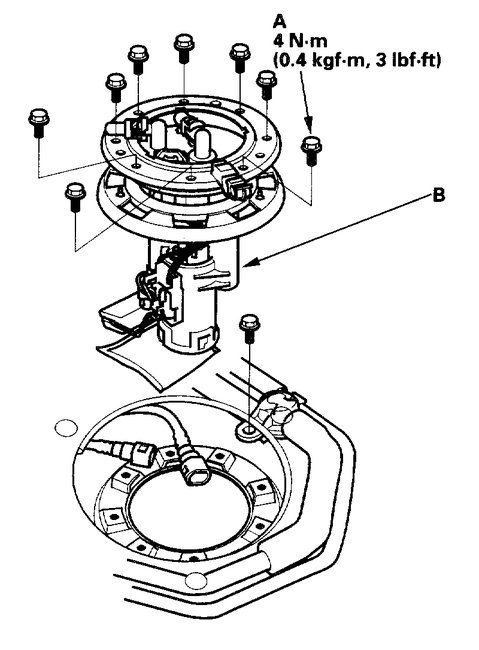
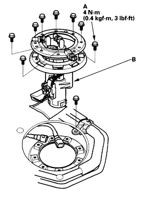
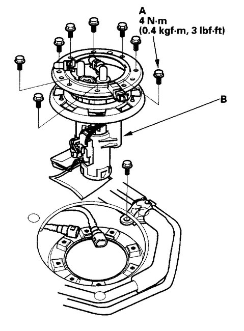
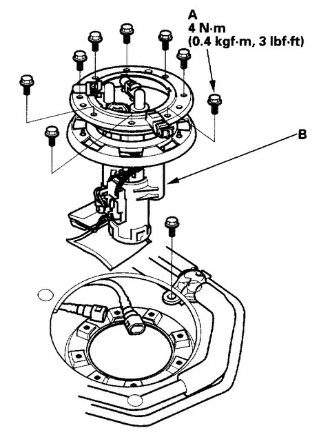
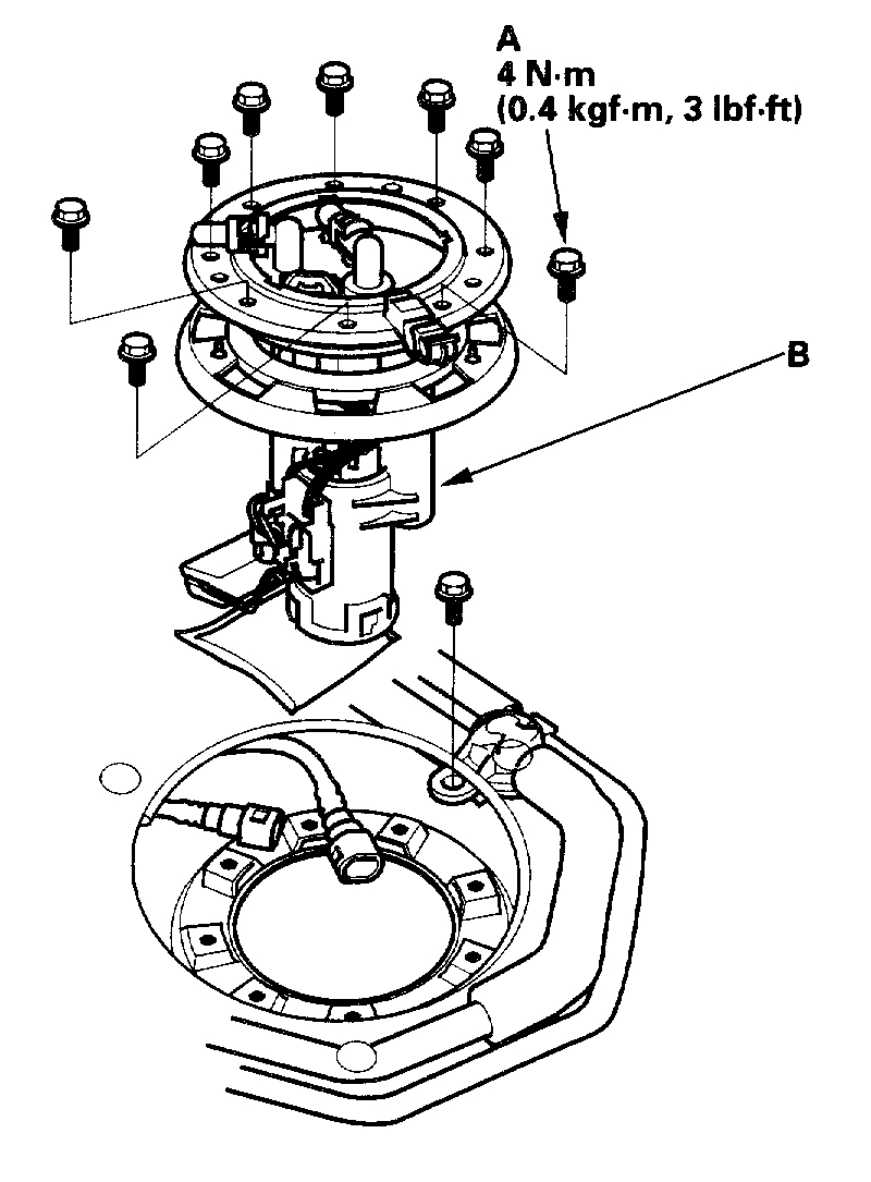
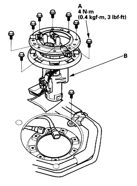
7. Remove the bolts (A), and the fuel tank unit (B).
8. Remove the bracket (A), the fuel filter (B), the fuel gauge sending unit (C), the hose (D), and the wire harness (E).
9. When connecting the fuel pump, make sure the connection is secure and the suction filter (H) is firmly connected to the fuel pump (I).
10. Install the pants in the reverse order of removal with a new base gasket, then check these items:
- When connecting the wire harness, make sure the connection is secure and the terminal (F) is firmly locked into the place.
- Check that the tab of the clamp (G) does not interfere with the wire harness.
- Do not push the lower part of the suction filter.
- When installing the fuel gauge sending unit, make sure the connection is secure and the connector is firmly locked into place. Be careful not to bend or twist it excessively.

_______________________________________________________

I hope this helps. Let me know if you have other questions or need additional information.

Take care,
Joe
Was this
answer
helpful?
Yes
No
Monday, September 28th, 2020 AT 1:40 PM

Please login or register to post a reply.