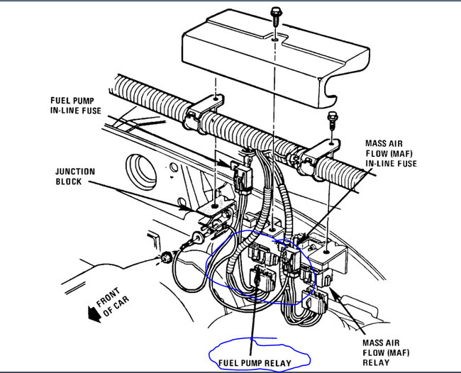
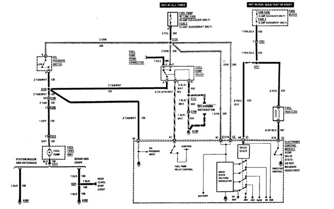
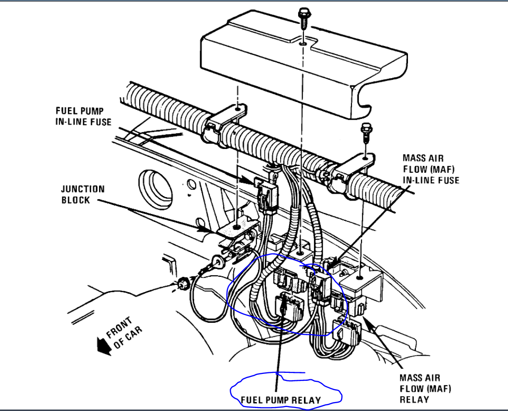
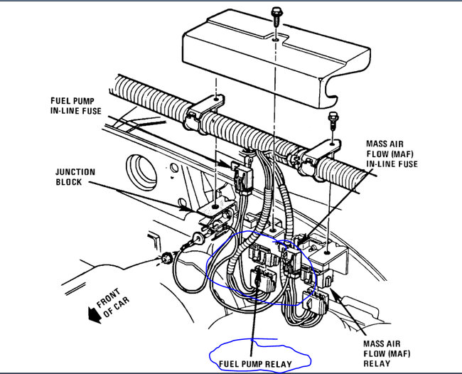
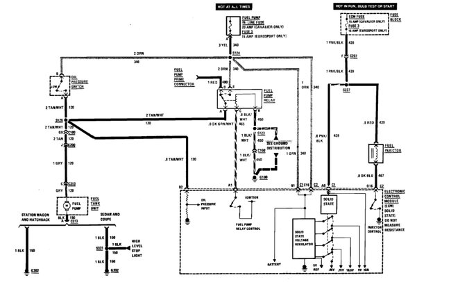
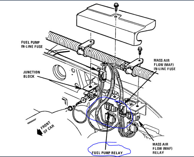
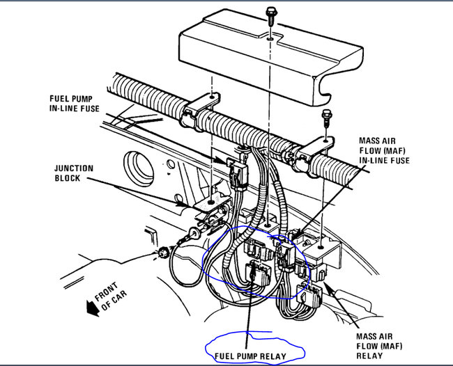
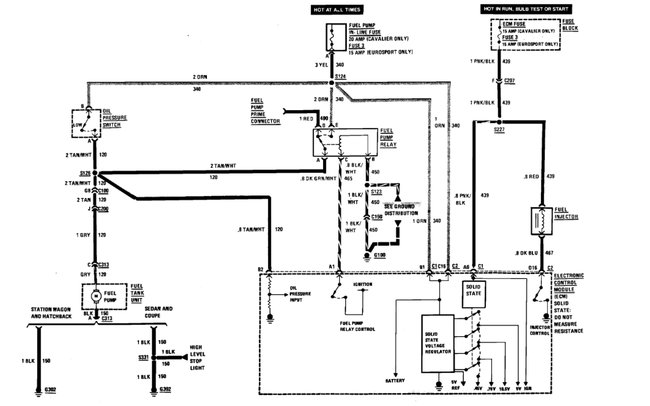
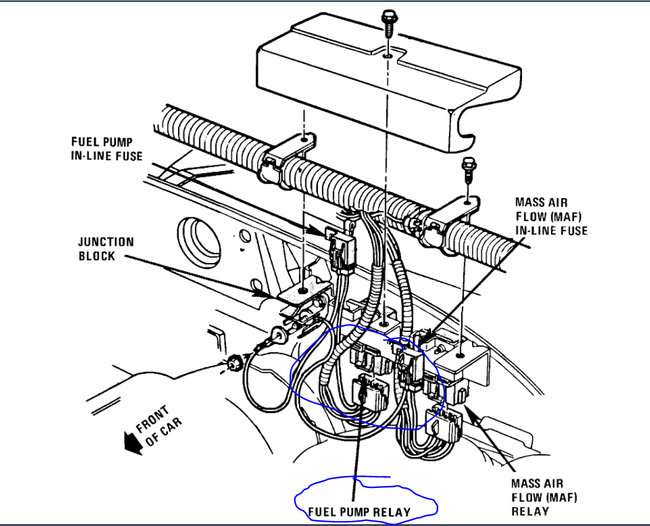
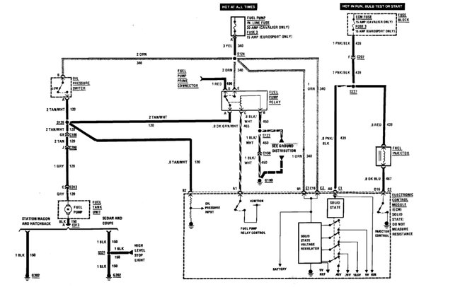
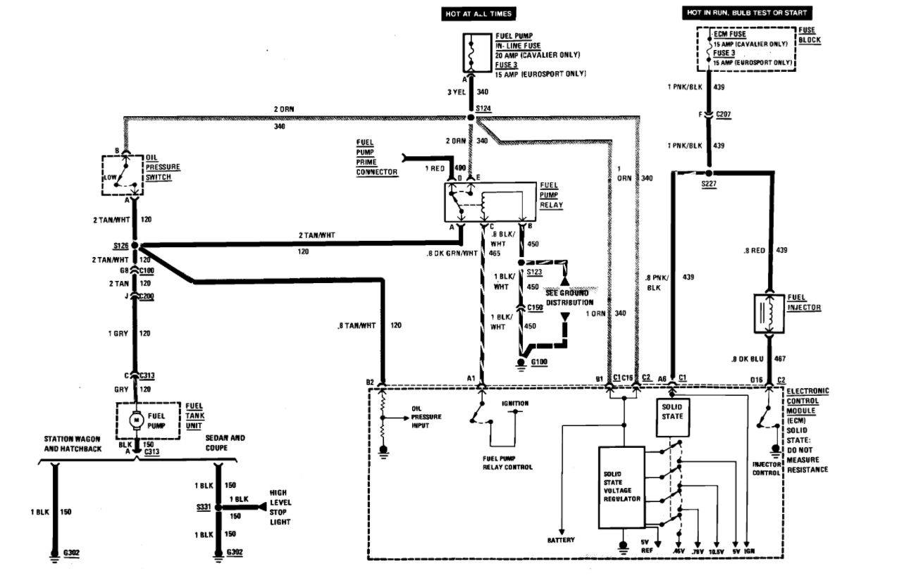
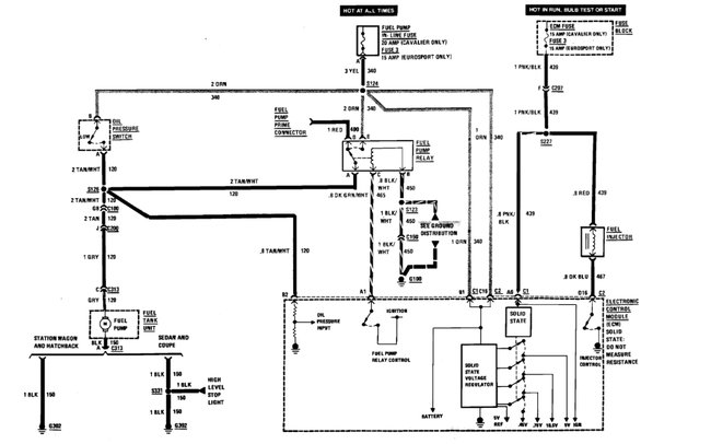
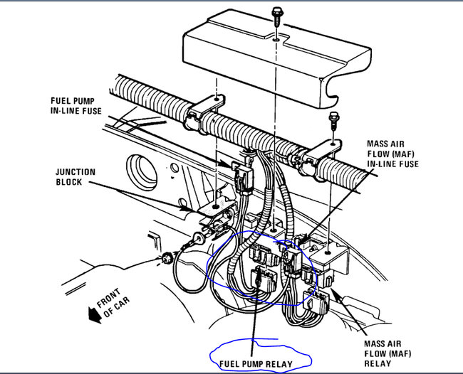
Fuel pump fuse and wiring to fuse box

Tiny
CHRIS DAKE
  • MEMBER
  • 1986 CHEVROLET CAVALIER
  • 2.0L
  • 4 CYL
  • 2WD
  • MANUAL
  • 229,440 MILES
I'm missing the fuse for the fuel pump in the fuse box which is located in the cab under the dash driver side, slot 15 20 amp fuse. Now I can hear the pump prime ehrn I turn the key sometimes. Not always. But even when I do in not enough fuel to the motor. Unless I step on the gas pedal, which doesn't always work either. I'm thinking I need to readjust the pedal took push it partly down the gas pedal works. I push it all the way down. Car bogs down until I let up. That happens when I drive and I idle.S. I can barely keep the car running at idle. Half the time because of the lack of fuel and which also includes a idle loop as well. Help me.
This car is awesome but it's a pain. I miss my Durango.
Tuesday, June 8th, 2021 AT 5:59 PM

1 Reply

Tiny
ASEMASTER6371
  • MECHANIC
  • 52,796 POSTS
Good morning,

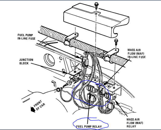
This sounds like the fuel pump is not pumping enough fuel. The fuel pump needs to be tested. I attached a guide for you for the procedure and also the procedure for replacing the fuel pump.

https://www.2carpros.com/articles/how-to-check-fuel-system-pressure-and-regulator

https://www.2carpros.com/articles/how-to-replace-an-electric-fuel-pump

The fuel pump itself may be worn out. When the pressure is low, it will not give enough fuel for proper engine operation and all the symptoms you have are the result.

https://www.2carpros.com/articles/stall-at-idle

Let me know if you have any other questions.

Roy

Was this
answer
helpful?
Yes
No
Wednesday, June 9th, 2021 AT 2:58 AM

Please login or register to post a reply.