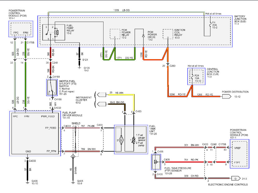
Sunday, September 8th, 2019 AT 11:13 AM
Fuel pump went out, change the pump and the filter, change spark plug. Gas not getting to the engine. I do not what what else to do.





