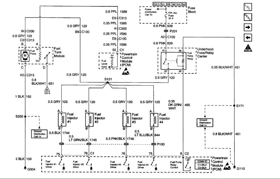
Monday, October 29th, 2018 AT 3:24 PM
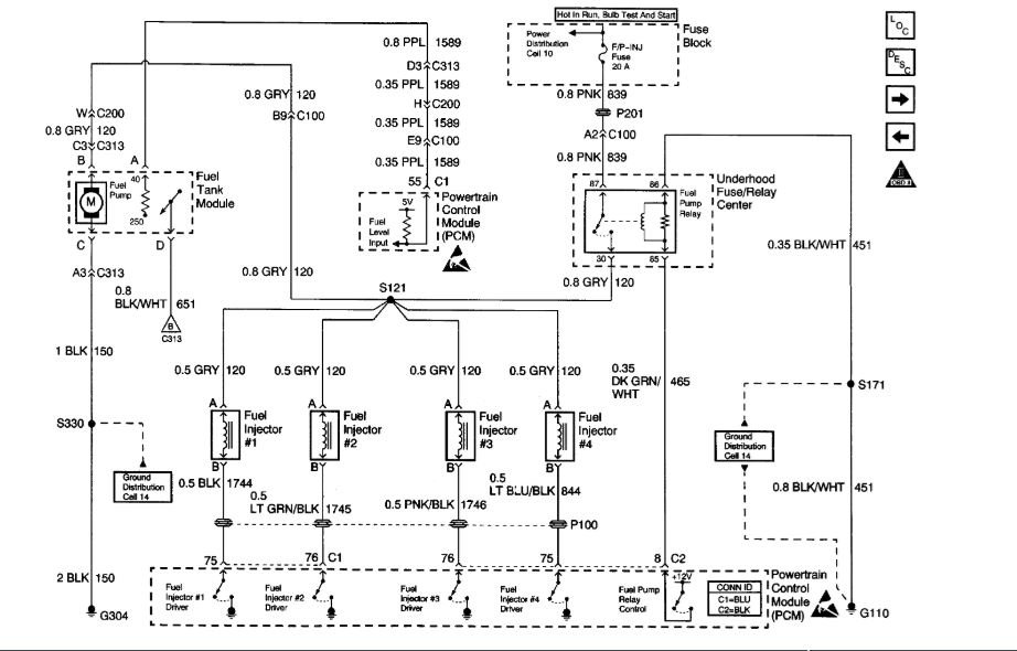
My car quit and would not start. After looking realized ignition switch was in pieces. Replaced the switch and now no power to fuel pump.


