The Fuel pump is not pumping?

Tiny
ELLISJ
  • MEMBER
  • 1996 CADILLAC FLEETWOOD
  • 5.7L
  • V8
  • 2WD
  • AUTOMATIC
  • 164,000 MILES
Fuel pump isn't pumping and it's new also the relay is new.
Saturday, June 3rd, 2023 AT 9:28 AM

8 Replies

Tiny
AL514
  • MECHANIC
  • 5,596 POSTS
Hello, have you checked for power at the Fuel pump relay location? With the Relay out and key on there should be power on 2 of 4 pins in the relay's location. There should also be Grounds on the other 2 pins, one is Grounded to the engine block and the other is Grounded through the Fuel Pump itself.
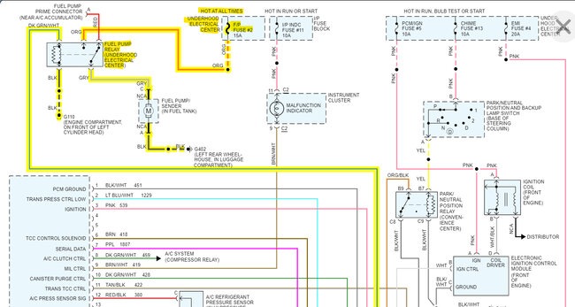
I'll post the wiring diagrams for you to show how the relay circuits work.
You should be able to check the powers and grounds at the relay location with a test light.
Here are the diagrams for the fuel pump and relay. The power on the orange wire comes from F/P Fuse #2 15amp, the other power feed comes directly from the engine computer (PCM). You can see on the Black wire the Ground G110 and the Grey wire runs to the Fuel Pump which is Grounded a G402. So, if you are missing any of these grounds or powers with the key on, or cranking the engine we can track down the circuit that's missing and not allowing the Relay to power up.

Does the Check Engine light come on when you turn the key to the on/run position for a few seconds?
Since the Fuel pump relay is in the engine compartment, check the underside of the fuse relay electrical center. These areas tend to have corrosion issues and there might be a wire broken off the relay pin. That happens quite often with older vehicles. So, check that first, you might find other wiring issues under there as well.

https://www.2carpros.com/articles/how-to-check-a-car-fuse

https://www.2carpros.com/articles/how-to-use-a-test-light-circuit-tester

https://www.2carpros.com/articles/how-to-check-an-electrical-relay-and-wiring-control-circuit
Was this
answer
helpful?
Yes
No
Saturday, June 3rd, 2023 AT 11:26 AM
Tiny
ELLISJ
  • MEMBER
  • 5 POSTS
There's a red wire that's not connected, is that supposed be connected to anything?
Was this
answer
helpful?
Yes
No
Saturday, June 3rd, 2023 AT 12:05 PM
Tiny
AL514
  • MECHANIC
  • 5,596 POSTS
I do see that red wire, its labelled as a Fuel Pump prime feed. I believe that is to power up the fuel pump for testing purposes. Service information states the Fuel pump relay should be active with the Key On. But I have seen the relay pins on the bottom side of fuse panels in the engine compartment corrode and break off many times. They are just in a bad location where they are exposed to moisture too much. If these wiring diagrams are correct, you should technically be able to put 12volts to that red wire and power up the fuel pump. But we should find the real cause of the relay not coming on instead of doing that right now, especially since you just replaced the fuel pump and relay. Do you have a test light or basic multimeter?
Some of these diagrams are reading incorrectly, so I don't want to see you power up a circuit that is incorrect and burn something out. So, we'll just stick to figuring out what's going with the relay control circuits.
Was this
answer
helpful?
Yes
No
Saturday, June 3rd, 2023 AT 12:22 PM
Tiny
ELLISJ
  • MEMBER
  • 5 POSTS
Yes, I did that, and it shoots out I'm not a mechanic lol, but I have some 1 coming over with a test light.
Was this
answer
helpful?
Yes
No
Saturday, June 3rd, 2023 AT 12:28 PM
Tiny
AL514
  • MECHANIC
  • 5,596 POSTS
You did power it up by the red wire and it powered up the Fuel pump? This is a pinout of the fuel pump relay location. With a test light connected to Battery Negative, and the key on you should have power at pin 87 and 85, Also try this while cranking. If you have power, there (12volts). Then hook the test light to Battery Positive and the test light should light if you touch pins 86. If you powered up the fuel pump by the red wire, then we already know the Fuel pump has a good ground of its own. Because that red wire runs directly to the pump (diagram 2 shows that circuit)
The tests are with the Relay Out I should have said as well.
Was this
answer
helpful?
Yes
No
Saturday, June 3rd, 2023 AT 12:35 PM
Tiny
ELLISJ
  • MEMBER
  • 5 POSTS
Okay, I will get back with u tomorrow. It's so hot here in Texas. Thank you for all your help today.
Was this
answer
helpful?
Yes
No
Saturday, June 3rd, 2023 AT 12:42 PM
Tiny
AL514
  • MECHANIC
  • 5,596 POSTS
Okay, just let me know if you're missing any of those powers or grounds and we will go from there.
Was this
answer
helpful?
Yes
No
Saturday, June 3rd, 2023 AT 12:42 PM
Tiny
ELLISJ
  • MEMBER
  • 5 POSTS
Okay, I will, thanks.
Was this
answer
helpful?
Yes
No
Saturday, June 3rd, 2023 AT 12:43 PM

Please login or register to post a reply.