Saturday, July 29th, 2017 AT 10:17 PM
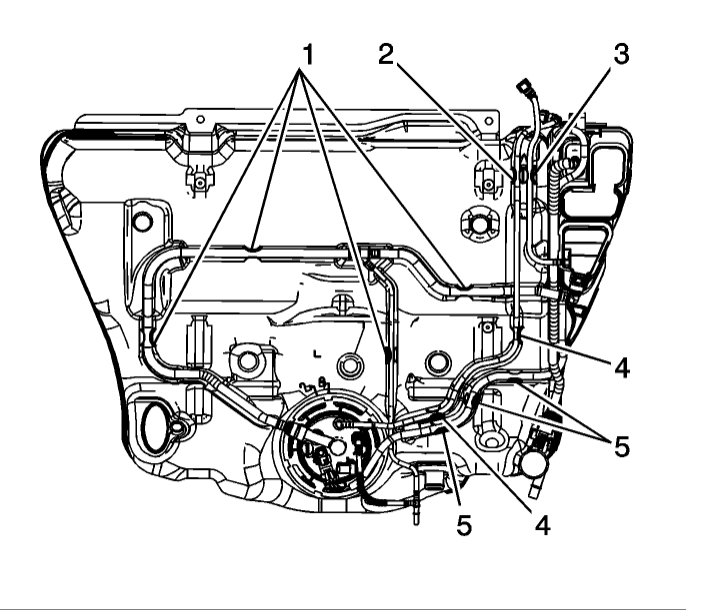
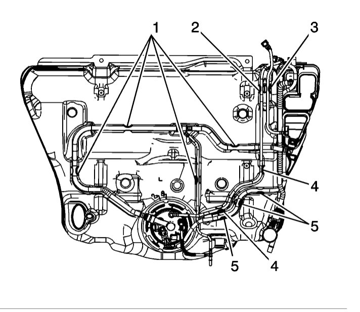
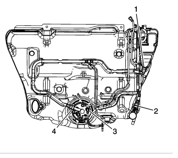
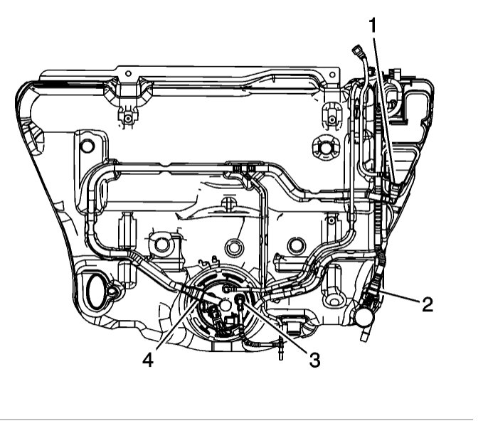
I need to empty my gas tank and I was told to do it from the fuel pressure regulator and hot wire the pump to run constantly and pump all the gas out. But, I do not know where it is located.



















