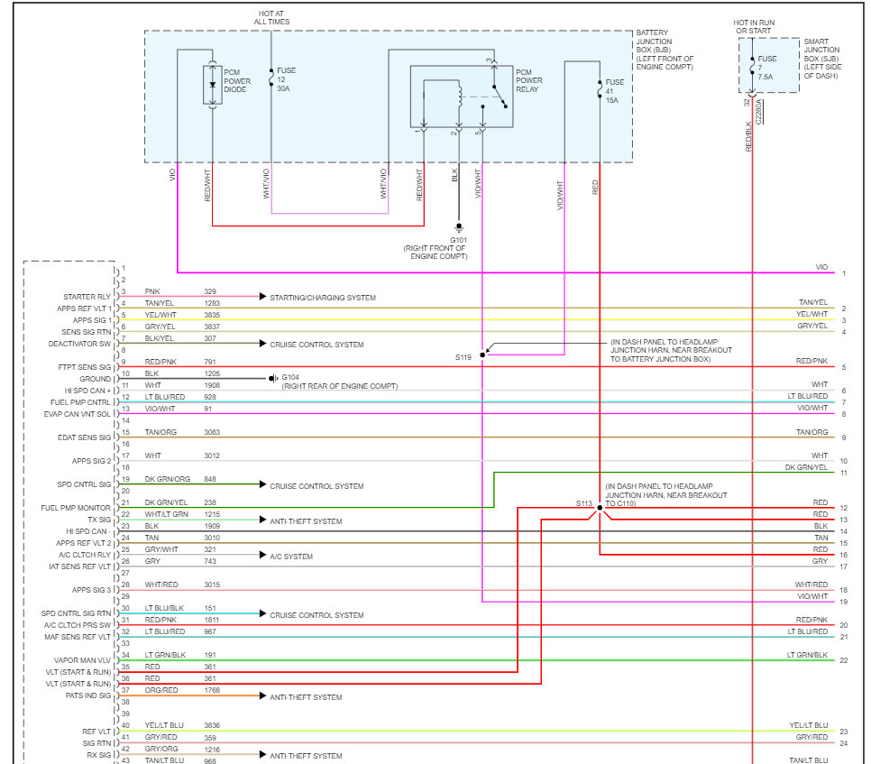
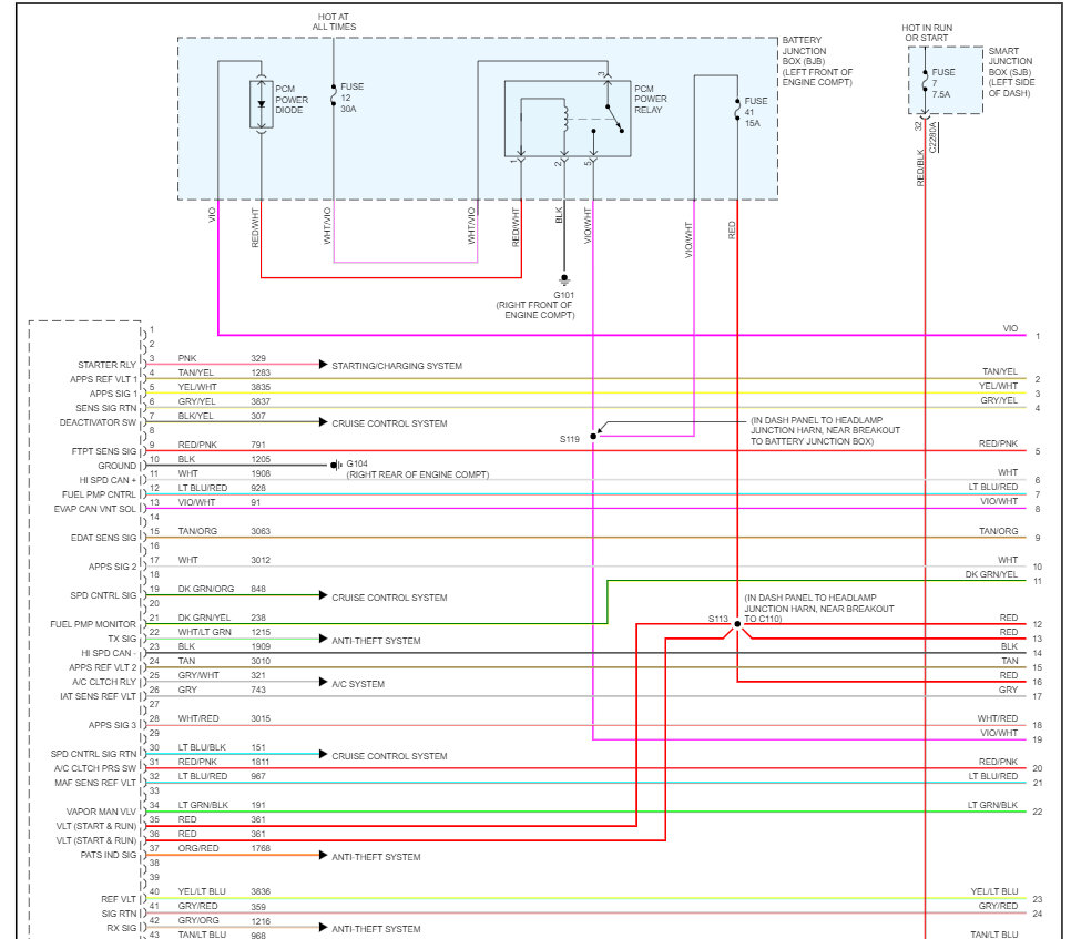
Okay, here is the problem: I was idling the car shut off no luck restarting it, I found a bad fuel pump it was frozen up. Anyhow changed the fuel pump, now the issue is the gas gauge op 1/2 low or something to that effect. Anyhow, I tried starting fluid I think it backfired one time, checked spark it was good, battery good, starter good. I see when I am cranking the motor the RPMs according to OBD reader are between 233 -300, I didn't power wire test at the pump. It has power the driver module shows power, but I was shocked to find on other side of fuel pump there is a fuel sender unit tested wires to it no power to any of the wire whether the key is off or in the on position or trying to start the car. I was wondering if I could use a jumper wire from the other pump to test the sender or what can I do? Is it a wire issue bad sender unit or am I looking at wrong thing? Thank you all be in the spot with every reply, thanks. Sorry once again like I said the other question I sent said it failed so I hope I am not sending same question twice. Oh and I forgot to mention while trying to start the car the rpm gauge shows rpms between 232 and 300 so with the rpms moving doesn't that show the crank sensor is working or can that still be dab inertia switch shows power in and out I just remembered this little bit of information so I figured better add it to post above
Thursday, April 20th, 2023 AT 7:00 AM

















