Fuel injectors not working properly?

Tiny
KEVINSJ1919
  • MEMBER
  • 2000 CHEVROLET CAVALIER
  • 2.4L
  • 4 CYL
  • 2WD
  • AUTOMATIC
  • 133,806 MILES
Fuel injectors 2 and 3 have single but no pulse just staying open not stuck just getting power to open and stay open. Help, it's driving me insane.
Thursday, July 28th, 2022 AT 12:11 PM

22 Replies

Tiny
AL514
  • MECHANIC
  • 5,590 POSTS
Hello, do you own a basic multimeter? There is either a short to ground on the control wires of the injectors and keeping them on, or they both shorted out and excessive current flow burned the fuel injector drivers in the ECM. I think the idea of the wires being shorted to ground is more likely, (hopefully), because the injectors control wires probably run together to the ECM. So, unplug the injectors, leave the key off, and check for continuity to ground with a multimeter on the control wires. These cars are very easy to work on, I owned one of these years ago. The ECM is located on the passenger side front of the engine compartment. I'll get you the diagrams and show you exactly what to test.
Was this
answer
helpful?
Yes
No
Thursday, July 28th, 2022 AT 1:29 PM
Tiny
AL514
  • MECHANIC
  • 5,590 POSTS
So, unplug Fuel Injector 2, set your multimeter on Ohms setting, just touch on meter lead to the light green/black wire of injector 2 (don't push the meter lead into the fuel injector harness you will spread the harness connector pins, so just touch the pin) and put the other meter lead on battery negative, it shouldn't read close to 0 ohms. If it does that wire is touching ground somewhere on the engine or frame before it gets to the ECM. If it does not read 0 ohms, it should read very high resistance or OL. Then check the resistance of the Fuel Injector itself, it should have a resistance reading of 12 to 14 ohms. Check them all this way. A shorted injector will burn the power transistor in the ECM and it will conduct all the time or not at all.. Has the Check Engine light been on? Are you getting any codes?
The pink/black wire is the control wire for injector three.

https://www.2carpros.com/articles/how-to-use-a-voltmeter

https://www.2carpros.com/articles/how-to-test-a-fuel-injector

https://www.2carpros.com/articles/checking-a-service-engine-soon-or-check-engine-light-on-or-flashing
Was this
answer
helpful?
Yes
No
+1
Thursday, July 28th, 2022 AT 1:45 PM
Tiny
KEVINSJ1919
  • MEMBER
  • 14 POSTS
I got 6.4 on #2 and 3 in the harness.
I got Ohio on all the injectors.
Was this
answer
helpful?
Yes
No
Thursday, July 28th, 2022 AT 2:36 PM
Tiny
KEVINSJ1919
  • MEMBER
  • 14 POSTS
Got 0.00 on injectors.
Was this
answer
helpful?
Yes
No
Thursday, July 28th, 2022 AT 2:37 PM
Tiny
KEVINSJ1919
  • MEMBER
  • 14 POSTS
Didn't get anything on the control wire.
Was this
answer
helpful?
Yes
No
Thursday, July 28th, 2022 AT 3:00 PM
Tiny
KEVINSJ1919
  • MEMBER
  • 14 POSTS
I checked the other wires and they all went to ground.
Was this
answer
helpful?
Yes
No
Thursday, July 28th, 2022 AT 3:01 PM
Tiny
AL514
  • MECHANIC
  • 5,590 POSTS
Are you sure you are set on the Ohms setting? Not voltage, resistance. You're checking the Fuel Injectors unplugged and checking resistance across the Fuel Injector Pins not the harness. You can't have all 4 Injectors with zero ohms resistance.
Was this
answer
helpful?
Yes
No
Thursday, July 28th, 2022 AT 3:24 PM
Tiny
KEVINSJ1919
  • MEMBER
  • 14 POSTS
Yeah, I'm using the right thing and I'm an electrician by trade. I put it on ohms where it would make a sound when it gets to ground, and I get nothing on the control wire.
Was this
answer
helpful?
Yes
No
Thursday, July 28th, 2022 AT 3:51 PM
Tiny
AL514
  • MECHANIC
  • 5,590 POSTS
And you're getting no resistance across any of the fuel injectors? They should all be 12-14 ohms. Does this car even run? If every single fuel injector is shorted out internally, I've never seen that in over 20 years of doing this. And this didn't blow any fuses? I mean that would definitely blow ECM fuses. It would have to. It's impossible for it not to. If this is all really true, injectors with no resistance would burn every single transistor driver in the ECM. And probably a lot more than that. When a fuel injector is around 14 ohms with a 12-volt dc power supply, that's almost a full amp of current per injector. Did something else happen here? Was the car hit by lightning?
Anyway, the shorted injectors took out the ECM. They are Pulse Width Modulated on their ground side, and you say there's no pulse, then the transistors have burned, and carbon tracked across them and now they are a straight circuit to ground. I would also be concerned about the charging system too. Before replacing the ECM, new injectors will be needed, the power circuits going to the ECM and the Ground circuits will need to be checked by checking the voltage drop to the battery. All the fuses will need to be checked for heat damage, as well as the ECM connectors, the alternator connector, and the fuse panels inside the car. Do you mind sending a picture of the injector's resistance reading? I can't get my mind around how all four shorted out. Does your multimeter have an Ohms check and continuity check on different settings?
Was this
answer
helpful?
Yes
No
Thursday, July 28th, 2022 AT 4:32 PM
Tiny
KEVINSJ1919
  • MEMBER
  • 14 POSTS
When I get home, I will take the fuel rail off and check the injectors because they are running on two cylinders, I unplug 2 and 3 so it's not just dumping fuel and I'm driving it on 2 cylinders.
Was this
answer
helpful?
Yes
No
Thursday, July 28th, 2022 AT 5:27 PM
Tiny
KEVINSJ1919
  • MEMBER
  • 14 POSTS
I'll send you a picture of what I'm sending meter on and what I get resistance, and everything I'll show it to you, but yeah, I'm driving it on two cylinders.
Was this
answer
helpful?
Yes
No
Thursday, July 28th, 2022 AT 5:28 PM
Tiny
AL514
  • MECHANIC
  • 5,590 POSTS
So, let me make sure I'm understanding you correctly, you are getting 12 volts on the power wire for each injector. We know injectors 2 and 3 are having some type of issue. How are you determining that those 2 injectors are staying on? Are you just using a test light to check the two pins of injectors 2 and 3? And if so, what are you seeing? Do you have a test light hooked to battery negative and both pins of an injector are lighting up the test light? And were you getting a huge amount of white smoke out the exhaust?
Was this
answer
helpful?
Yes
No
Thursday, July 28th, 2022 AT 8:25 PM
Tiny
KEVINSJ1919
  • MEMBER
  • 14 POSTS
I got 17 on the injectors 17 on three of them and 18 on number one.
Was this
answer
helpful?
Yes
No
Friday, July 29th, 2022 AT 2:15 PM
Tiny
KEVINSJ1919
  • MEMBER
  • 14 POSTS
6 yeah, I'll put a test light on one and 4 and they blink to and 3 don't blame this just like to it so it's not getting any pups. So, I guess that's just free minute telling stay open right so what I need to do is trace down to and 3 and see if its ground and somewhere I have to take harness out look at it that way.
Was this
answer
helpful?
Yes
No
Friday, July 29th, 2022 AT 2:17 PM
Tiny
KEVINSJ1919
  • MEMBER
  • 14 POSTS
I'm getting pulse on one and four two and three no pulse and I'm only getting 10 volts.
Was this
answer
helpful?
Yes
No
Friday, July 29th, 2022 AT 2:52 PM
Tiny
AL514
  • MECHANIC
  • 5,590 POSTS
Okay, I'm not sure what you mean by free minute there. Let's start this again. You're getting a pulse on the control side of numbers 1 and 4, and on 2 and 3 the test light just stays lit. So, you're back probing the injector connectors for a pulse, so if 2 and 3 are just lighting the test light, that sounds like an open circuit in the control side of 2 and 3. The power feed is just going through the injector and lighting your test light, it's not being pulled to ground. So yes, you'll need to track down those control wires (2 and 3) and see where they are opened circuit or high resistance. I would think you are most likely going to find a corroded bulk connector somewhere. Unless some rodents got in there and chewed through a couple wires, that happens all the time, they love to chew on wires, I've seen that more times than I can count. Hopefully that's what it is, so there's no damage to the computer drivers.
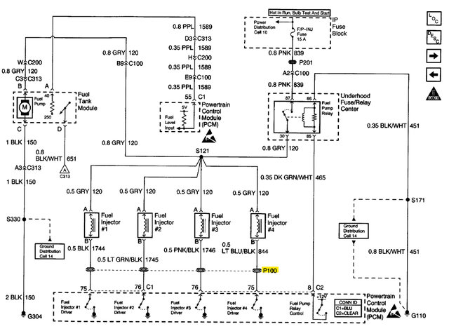
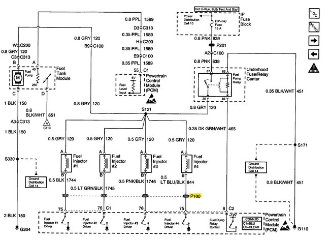
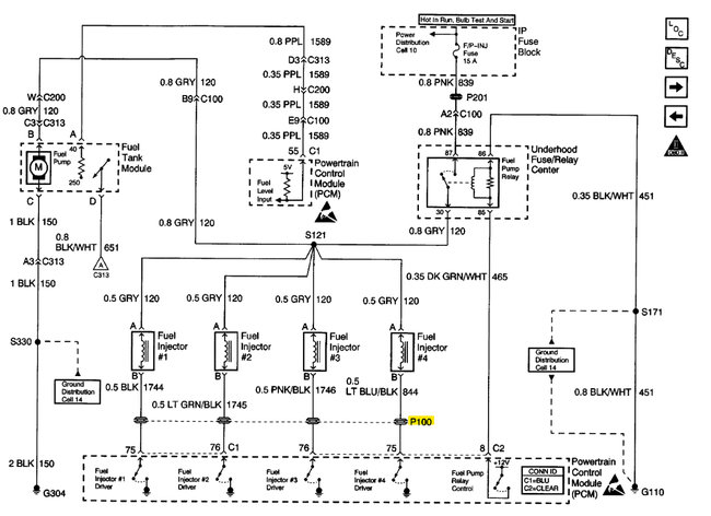
This is the OEM diagram for the injectors circuit, it doesn't show any connectors, just right to the ECM, and knowing these ECMs, you might want to check the ECM connectors for corrosion. I know they keep the computers in the engine compartment, and they are not really protected from the elements very well. And considering the age of the car, it might be easier just to trace the wires right from the ECM out. I had some strange issues with one of these cars, I had to go and test right at the ECM to find the issue.
Let's hope it's just a wiring problem, which would be good.
The P100 highlighted in yellow is just a grommet, not a connector.
Was this
answer
helpful?
Yes
No
Friday, July 29th, 2022 AT 5:02 PM
Tiny
KEVINSJ1919
  • MEMBER
  • 14 POSTS
So, I just need to follow out the pink and black wire and the green light green and black wire and follow my way to the computer especially is what you're saying, right?
Was this
answer
helpful?
Yes
No
Friday, July 29th, 2022 AT 5:10 PM
Tiny
AL514
  • MECHANIC
  • 5,590 POSTS
Yes, if you have just power sitting on the control side of the injector and it's not pulsing, that means there's an open on those circuits or high resistance somewhere down the line. If they were both staying on, i.E. The driver had burned, and was keeping it on all the time. You would read 0 volts on the control wire because it was being pulled to ground. I know DC voltage is different than AC which is probably what you work with. I couldn't tell you much about AC voltage except that it's really bad for the ECM, and we just check for it is coming from a bad alternator. But yeah, the light green/black wire (2) and pink/black wire (3).
You said you're getting 10-volts somewhere, was that at the feed to 2 and 3 or on the control side, and you have 12v on the feed?
Was this
answer
helpful?
Yes
No
+1
Saturday, July 30th, 2022 AT 12:06 PM
Tiny
KEVINSJ1919
  • MEMBER
  • 14 POSTS
Hey so, I have looked at these wires I can't find anywhere they are touching anything but I'm going to pull them out all the way out of the harness and make sure. But if it is grounding out some were if I take the pink and Black wire and the green and black and continuity check. I should get a reading between the two, correct?
Was this
answer
helpful?
Yes
No
Sunday, July 31st, 2022 AT 9:53 AM
Tiny
AL514
  • MECHANIC
  • 5,590 POSTS
Yes, but unplug the ECM connector they go to and then you can check the circuit from both ends, ECM on one end and injector on the other. That continuity test will tell you if there's an open and the go ECM harness to Ground, and if there's nothing wrong that covers the wiring aspect of things. I'll find the ECM connectors. Just because these ECMs are easy to get to and unplug, just have the key off. This will be fast and easy cause both of these Injectors are the last 2 wires in connectors C1 and C2.
And were the 10volts on the feed side or the control side? Also, the Injector unplugged resistance was 17 ohms, is that correct? I'm just making sure we have all our information here clear. If you have only had 10volts on the feed with them unplugged I would be worried about that too. Unplugging the ECM will take it out the of picture so you're not reading any resistance through it to ground.
Was this
answer
helpful?
Yes
No
Sunday, July 31st, 2022 AT 1:41 PM

Please login or register to post a reply.