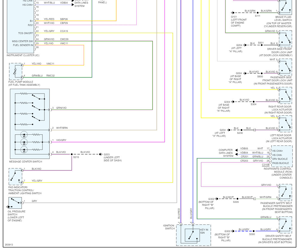
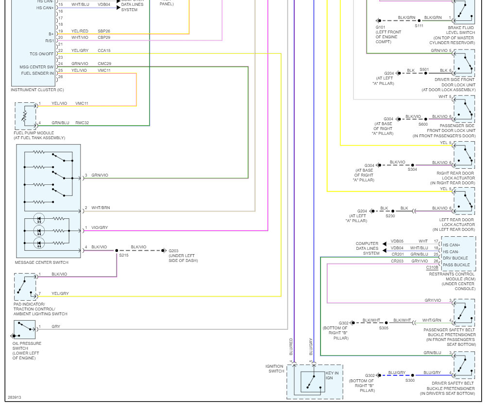
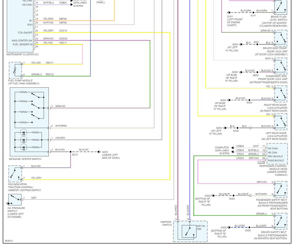
The fuel gauge of the vehicle will not exceed half even though the fuel tank is full of fuel but the fuel warning light will display when the fuel in the tank is low. The fuel pump assembly had been replaced, thinking that it was the cause but the problem persists. Could there be a test to be carried out to confirm the cause before the combination meter is assumed to be faulty? Could there be a circuit diagram if possible?
Friday, August 25th, 2023 AT 1:19 AM







