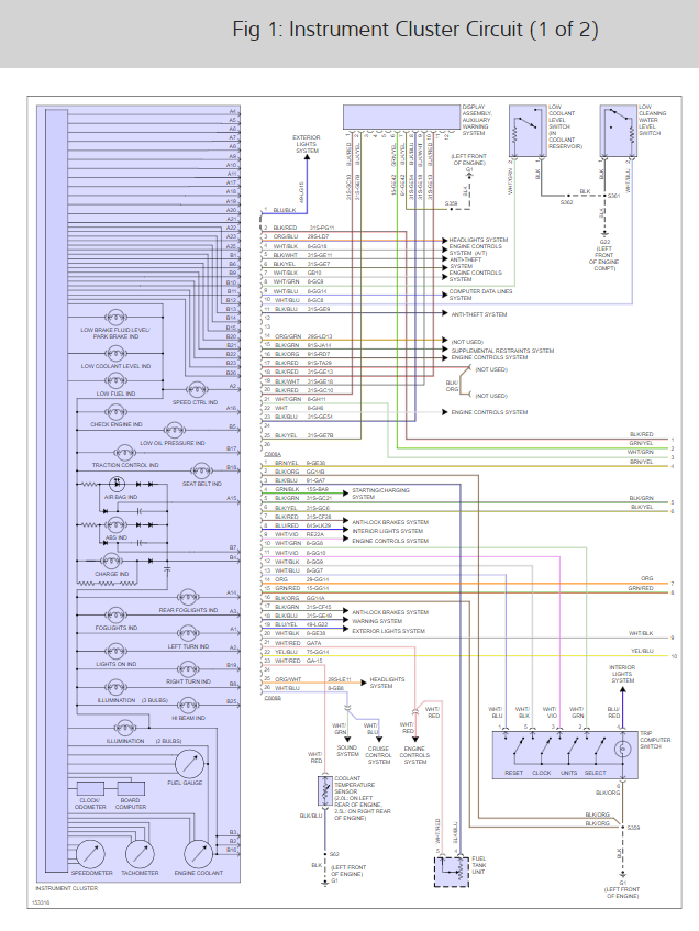
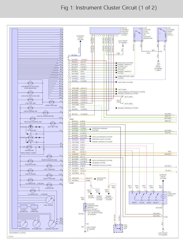
Monday, March 26th, 2018 AT 9:12 PM
Fuel level gauge is not working but the digital part that shows miles until empty seems to be working. My question is, if the float inside the tank is not working would the digital one be somewhat accurate?



