Sunday, May 6th, 2018 AT 7:22 AM
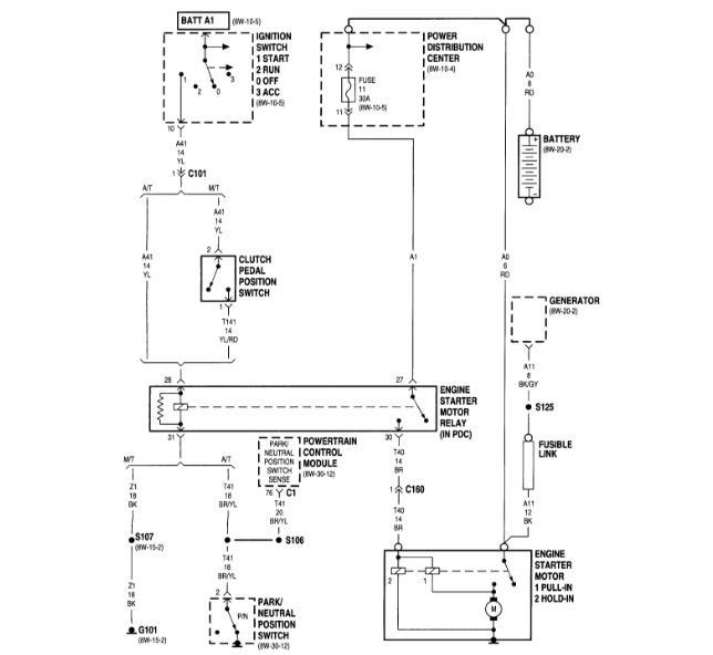
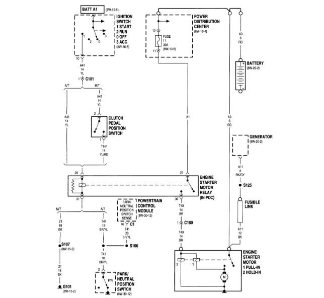
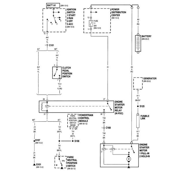
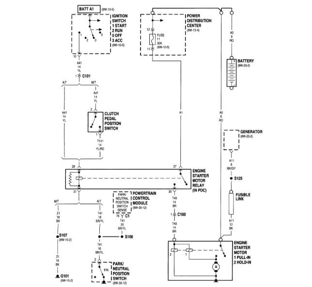
I changed the gasket on the manifold and put it in the engine and got everything hooked up and it started for five seconds and it would quit, started it again stayed running for three seconds, started it again nothing. Changed injectors, changed starter, alternator, ignition switch everything. Now car will not start at all? Any advice? Please!


