Four-Wheel Drive not engaging

Tiny
AGGIE826
  • MEMBER
  • 2008 GMC SIERRA
  • 5.3L
  • V8
  • 4WD
  • AUTOMATIC
  • 115,000 MILES
Four-wheel Drive Selector Control is not engaging the four-wheel drive. The selector control knob is on Auto. When I move the selector control it moves but the lights for 2L, 4H or 4L do not light up and engage. I can move the selector control all the way to the left to neutral and all the lights light up including the neutral light. When I first turn on the truck all the lights on the selector control light up and go off with the exception of the Auto light. I removed the front axle actuator and it activated when I tested it with 12 volts directly from the battery. I also tried changing the transfer case module with a used one and no change. I also replaced the transfer case motor and it made no difference so I removed it and returned it. Vehicle ID no. 1GTEK14J08Z302940 Transmission is a 4L60E engine 5.3L

Hope you can help, thank you.
Monday, June 27th, 2022 AT 8:54 PM

17 Replies

Tiny
KEN L
  • MASTER CERTIFIED MECHANIC
  • 55,488 POSTS
This sounds like a classic switch failure, I had this truck had the same problem, I changed the switch out and it fixed it. To be sure let's do a CAN scan which is the future of automotive repair you can get a CAN scanner from Amazon for about $30.00. here is a video to show you how and a link to a scanner from Amazon:

https://youtu.be/u-4syLc-ifQ

and

https://amzn.to/3OpAotj for the scanner

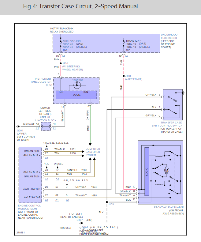
Here is how to change the switch out in the diagrams below. Check out the diagrams (below). Let us know what happens and please upload pictures or videos of the problem.
Was this
answer
helpful?
Yes
No
Tuesday, June 28th, 2022 AT 2:04 PM
Tiny
AGGIE826
  • MEMBER
  • 18 POSTS
The scanner is not reading any codes. I read if the switch were bad I would get a B 2725 code. All I get is on the dashboard is service 4-wheel drive.
Was this
answer
helpful?
Yes
No
Tuesday, June 28th, 2022 AT 6:01 PM
Tiny
AGGIE826
  • MEMBER
  • 18 POSTS
I don't want to start throwing parts at it if am not sure it's the part. How do I test the switch outside of the car? I did remove the switch to check connections.
Was this
answer
helpful?
Yes
No
Tuesday, June 28th, 2022 AT 6:04 PM
Tiny
KEN L
  • MASTER CERTIFIED MECHANIC
  • 55,488 POSTS
Nice work, here is the transfer case and switch wiring diagrams so you can see how the system works. Did you do a CAN scan? I have also seen the transfer case module go bad as well. Here is a guide to help you with testing the wiring and the connections:

https://www.2carpros.com/articles/how-to-check-wiring

Check out the diagrams (below). Please let us know what happens.

Was this
answer
helpful?
Yes
No
Wednesday, June 29th, 2022 AT 10:40 AM
Tiny
AGGIE826
  • MEMBER
  • 18 POSTS
I pulled out the 4x4 Drive selector switch of the dash and tested it for ohms reading this is what I got. I was only able to get.475 ohms from one set of pins on the switch no matter what setting I put the switch on. To me it doesn't seem correct. It would seem to me that I would get a different setting on each set of pins when I move to a different setting. Is this correct? The switch has 12 pins on the back GMC switch part no. 25878425.
Thank you
Was this
answer
helpful?
Yes
No
Thursday, June 30th, 2022 AT 5:32 AM
Tiny
KEN L
  • MASTER CERTIFIED MECHANIC
  • 55,488 POSTS
Yes, it should change as you work the switch, I think you may have found the problem. Let me know. Did you get a chance to do the CAN scan?
Was this
answer
helpful?
Yes
No
Thursday, June 30th, 2022 AT 8:28 PM
Tiny
AGGIE826
  • MEMBER
  • 18 POSTS
I don't have a fancy hi tech scan. The scan tool I have will give some codes like the one I had previously, a P0974 which I corrected. No codes are coming up. Just service 4-wheel drive on the dashboard. Replaced the switch no differences, new switch shows the same thing stock on Auto. What now?
Was this
answer
helpful?
Yes
No
Friday, July 1st, 2022 AT 4:49 AM
Tiny
KEN L
  • MASTER CERTIFIED MECHANIC
  • 55,488 POSTS
So, if you remove the transfer case actuator, can you work the switch and see it move?
Was this
answer
helpful?
Yes
No
Friday, July 1st, 2022 AT 10:34 AM
Tiny
AGGIE826
  • MEMBER
  • 18 POSTS
There are 12 volts at the transfer case.
Motor and the other wires are in tack. The transfer case also has power going to it. Why does fuse number 14 TCM BATTERY does not have any power to it with key on or off? When I tested the pink wire to the front actuator I got 1.8 volts and black wire which is ground read 14 volts and goes to the transfer control module with truck running. Does this seem correct?
Was this
answer
helpful?
Yes
No
Friday, July 1st, 2022 AT 12:42 PM
Tiny
KEN L
  • MASTER CERTIFIED MECHANIC
  • 55,488 POSTS
Do any of these fuses have power at them with the key on?
Was this
answer
helpful?
Yes
No
Saturday, July 2nd, 2022 AT 2:45 PM
Tiny
AGGIE826
  • MEMBER
  • 18 POSTS
Tested the fuses with the key on these are the results:
terminal 68 fuse had no fuse tested across contacts read 273 volts.
Fue 46 read 58 v
fuse 12 read 1.3 v
fuse 14 1 v
fuse 22 0 v
fuse 39.4 v
fuse 53 0 v
fuse 63 0 v
fuse66 0 v
fuse 6 35 v
trec fuse.1v with fuse out 4.89
I removed the transfer cade encoder motor the gear on the motor does not move at all. I tried to power it with the 12 volts from the battery. Connected wires to orange pin and tan pin. Motor made tick noise but did not move is this normal? Took ohms reading between all the pins and only the pins for the tan and orange wire had a resistance of 0.7 ohms for all the other pins read OL. You guys are great but most of the advice given requires a upscale can scan tool which most DIY like me don't have.
Please continue to help. Thank you
Was this
answer
helpful?
Yes
No
Wednesday, July 6th, 2022 AT 5:03 AM
Tiny
KEN L
  • MASTER CERTIFIED MECHANIC
  • 55,488 POSTS
With the actuator removed, I would plug the actuator in and work the controls to see if it moves, if not get a new actuator.
Was this
answer
helpful?
Yes
No
Wednesday, July 6th, 2022 AT 5:07 PM
Tiny
AGGIE826
  • MEMBER
  • 18 POSTS
You didn't respond to the readings on the fuses. Why?
Was this
answer
helpful?
Yes
No
Thursday, July 7th, 2022 AT 5:06 AM
Tiny
AGGIE826
  • MEMBER
  • 18 POSTS
When I remove the wires to the front wheel axle actuator, I can hear the actuator move but the selector switch is not controlling. The selector switch stays on auto all the time. Switch is new. I removed the transfer case encoder motor and applied 12 volts to the tan and orange wire terminals on the motor. The motor made a clicking noise, but the gear did not move. I also tried to get a ohms reading between the other terminals on the motor and it read OL. What now? Thanks
Was this
answer
helpful?
Yes
No
Thursday, July 7th, 2022 AT 5:34 AM
Tiny
KEN L
  • MASTER CERTIFIED MECHANIC
  • 55,488 POSTS
It sounds like the encoder is bad, when you give it a command it should move not just click. On the fuses I just wanted to test for power, simple 12 volts. It looks like you were getting strange readings. Do you have a meter on DC? This guide can help:

https://www.2carpros.com/articles/how-to-use-a-voltmeter

Let me know what happens.
Was this
answer
helpful?
Yes
No
Friday, July 8th, 2022 AT 3:46 PM
Tiny
AGGIE826
  • MEMBER
  • 18 POSTS
Replaced the encoder motor and battery and now it's all working. It may seem crazy, but I think the battery did not have enough power to wake up the transfer case module even though the truck started up okay. Thank you for your help.
Was this
answer
helpful?
Yes
No
Tuesday, July 19th, 2022 AT 1:04 PM
Tiny
KEN L
  • MASTER CERTIFIED MECHANIC
  • 55,488 POSTS
That can happen, super rare, it figures lol. I am glad you got it fixed. Use 2CarPros anytime, we are here to help. Please tell a friend.
Was this
answer
helpful?
Yes
No
Wednesday, July 20th, 2022 AT 12:28 PM

Please login or register to post a reply.