Windshield Wipers Not Working

2004 FORD TAURUS
Avatar
GUNNIGAL
  • MEMBER
  • 1 POST
My windshield wipers worked just fine last night, but this morning they wouldn't move. I took them in to be looked at and I was told it was an electrical problem and that an entire fuse box needed to be replaced, for a grand total of about $570. That seems a bit much to me. Is there anything else it could be or any other alternative?
Nov 10, 2010 at 3:57 PM
Advertisement
Avatar
BMRFIXIT
  • CAR REPAIR CONTRIBUTOR
  • 19,053 POSTS
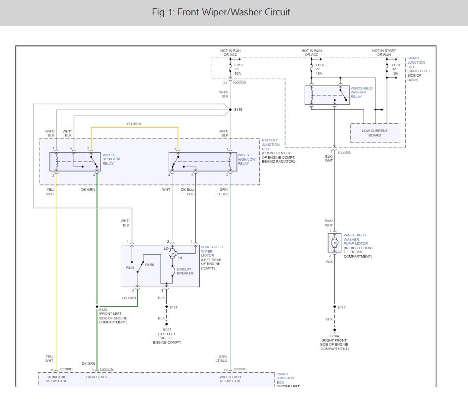
Hmm.. usually it will be the switch or the motor lets find out which and fix it ourselves. Here is a guide to help test and the wiper wiring diagrams so you can see how the system works.

https://www.2carpros.com/articles/how-to-use-a-test-light-circuit-tester

Lets test of power at the motor. Check out the diagrams (Below). Please run this test and get back to us.

Dec 31, 2016 at 4:30 PM
Advertisement
Avatar
JASON GOLEMBIEWSKI
  • MEMBER
  • 2 POSTS
I have a 2003 Taurus SE 3.0l OHC 6 cylinder Flex fuel vehicle. I recently drove off a curb (accidentally) and the tremendous shake caused some huge electrical problems. The windshield wipers will no longer work and neither will the radio. The power windows will only work after the car has been on for about 45 seconds. I checked all the fuses and none seem to be bad. I replaced the GEM module and still nothing has changed. I'm not sure where to go from here, any ideas or suggestions would be great. There is a wiring harness still connected to the radio from the previous owners, but it is not connected to anything else. The radio is the stock radio. Please help me!!
Jun 9, 2020 at 9:58 AM (Merged)
Avatar
MERLIN2021
  • CAR REPAIR CONTRIBUTOR
  • 17,250 POSTS
Only things I can think of is did the battery shift? Positve terminal may have grounded...or check to see if you damaged any wires that run up thru the fender wells, behind the inner fenders!
Jun 9, 2020 at 9:58 AM (Merged)
Avatar
JASON GOLEMBIEWSKI
  • MEMBER
  • 2 POSTS
i had an untrustworthy mechanic work on it and this is what he told me "there was a wire with a short in it, black with green chaser. it seems to of been a surge protector, i couldn't figure out exactly what it was for, but when i removed it everything worked, so i took it out and now everything works fine."

i have no idea what happened, but it works now, thanks merlin!
Jun 9, 2020 at 9:58 AM (Merged)
Avatar
2CP-ARCHIVES
  • MEMBER
  • 4,540 POSTS
My drivers side windshield wiper chatters on the upswing no matter what brand I use, and I have tried many!! This has been going on as long as I've owned the car, for years. The frame and spring mechanism appear flawless, straight, not bent or twisted in any way, yet the wiper continually screeches barring the heaviest rain.
Any suggestion? Please!!
Jun 9, 2020 at 9:58 AM (Merged)
Avatar
CJ MEDEVAC
  • CAR REPAIR CONTRIBUTOR
  • 11,004 POSTS
LAY A STRAIGHT EDGE RULER, ETC ON THE FLAT PART OF THE ARM---NEAREST THE WIPER (W/ WIPER REMOVED, AND THE ARM LAYING ON THE GLASS) ----KINDA EQUAL OVER THE ARM AND PUSHING DOWN ON THE FLAT PART OF THE ARM------------IS IT SORTA PARALLEL WITH THE GLASS?

NOW BUTT THE END OF THE RULER TIGHT AGAINST THE HOOK OF THE ARM (RULER SORTA POINTING TOWARDS THE TOP OF THE CAR)---WITH THE ARM SLIGHTLY LIFTED OFF OF THE GLASS AND THE RULER BUTTED TO THE TOP AND BOTTOM PART OF THE HOOK---NOW SORTA SLOWLY LOWER IT DOWN CLOSE TO THE GLASS--------IS THAT PARALLEL?

IF NOT---SORTA "TWEAK" THE HOOK WITH SOME PLIERS (HANGING ONTO THE ROUND PART OF THE HOOK)

RETEST WITH THE PARALLEL RULER

IF SATISFIED, DO THE OLE GARDEN HOSE SPRAY TEST

INSURE YOUR WINDSHIELD IS REALLY CLEAN---TREE SAP MIGHT COULD CAUSE THIS TOO

MY JEEP 5 PREVIOUS AND PRESENT 2 JEEP CJs HAVE NEVER DONE THAT---BEEN GOING ON 31 YEARS NOW......EVER THOUGHT ABOUT NEVER HAVING THEM WIPER PROBLEMS AGAIN?

LET ME KNOW HOW IT'S GOING

THE MEDIC
Jun 9, 2020 at 9:58 AM (Merged)
Avatar
JOHN FARRELL
  • MEMBER
  • 1 POST
The driver side windshield wiper on my Ford Taurus 2002 has quit working. Passenger side works fine.
Jun 9, 2020 at 9:58 AM (Merged)
Avatar
PROTECH1980
  • MEMBER
  • 901 POSTS
Make sure nut that holds wiper on is tight and has not loosened, if okay suspect wiper assembly arm popped off or is broken.
Jun 9, 2020 at 9:58 AM (Merged)
Avatar
RTHOMAS621
  • MEMBER
  • 4 POSTS
windshield wipers will not work , nothing, no noise, no movement, etc.
Jun 9, 2020 at 9:59 AM (Merged)
Avatar
RASMATAZ
  • CAR REPAIR CONTRIBUTOR
  • 75,992 POSTS
It sounds like you have a fuse or relay out here are guides to help you run some easy tests to see if any have failed.

Here are the guides.

https://www.2carpros.com/articles/how-to-check-an-electrical-relay-and-wiring-control-circuit

and

https://www.2carpros.com/articles/how-to-check-a-car-fuse

Here are the wiper fuse and relay locations see where you are losing power my guess would be one of the three relays that run the system.

Check out the diagrams (Below)

Please run some tests and get back to us.

Cheers
Jun 9, 2020 at 9:59 AM (Merged)
Avatar
RTHOMAS621
  • MEMBER
  • 4 POSTS
Thanks,

I will give it a try.
Jun 9, 2020 at 9:59 AM (Merged)
Avatar
RTHOMAS621
  • MEMBER
  • 4 POSTS
Swapped the relays. Can hear the relays click in when the car is off, but no motion on the wiper motor at all. Thoughts?
Jun 9, 2020 at 9:59 AM (Merged)
Avatar
RASMATAZ
  • CAR REPAIR CONTRIBUTOR
  • 75,992 POSTS
Can you test for power at the motor with the switch on please?
Jun 9, 2020 at 9:59 AM (Merged)
Avatar
RTHOMAS621
  • MEMBER
  • 4 POSTS
Ras,

With the engine off, but the main power switch on (as though the car were running), I can move the wiper switch through its positions and hear a click from the relays. It seems like maybe the switch and relays might be okay and it may be a bad wiper motor? So I replaced it with a rebuilt one and WOW works great!. Thanks for your help I love this site.

Best, Tom H.
Jun 9, 2020 at 9:59 AM (Merged)
Avatar
REDHEAD4383
  • MEMBER
  • 3 POSTS
Electrical problem
2000 Ford Taurus All Wheel Drive Automatic 80000 miles

I would like to know how much this is going to cost me and how hard is it to fix.
Jun 9, 2020 at 9:59 AM (Merged)
Avatar
REDHEAD4383
  • MEMBER
  • 3 POSTS
My right passenger side windshield wipe does not work. It will not move. Tries to move but cannot. How to fix and what it will cost and how hard it is to fix it?
Jun 9, 2020 at 9:59 AM (Merged)
Avatar
RASMATAZ
  • CAR REPAIR CONTRIBUTOR
  • 75,992 POSTS
Nice work, we are here to help, please use 2CarPros anytime.

Cheers
Jun 9, 2020 at 9:59 AM (Merged)
Avatar
PAF7HOT
  • MEMBER
  • 1 POST
I have a 1999 Ford Taurus about 75,000 miles-
Question: Where is the GEM module for the wipers. I have replaced the fuse, switch, relay,motor for the wipers and they still don't work the manual I have says it the only thing left but it doesn't give me a hint as to where it is. The local Ford dealer said it was at the back of the box where all the fuses and and relays are under the the drivers side dash panel BUT it is not. So can you tell just where it is. Thanks Ron :(
Jun 9, 2020 at 10:00 AM (Merged)
Avatar
SCCAIN
  • MEMBER
  • 4 POSTS
the GEM module is piggybacked behind the fuse box inside the car.
Jun 9, 2020 at 10:00 AM (Merged)
Avatar
ROY PALOMO
  • MEMBER
  • 1 POST
my sons 1996 ford Taurus drivers side winshield wiper does not work at all. The passenger side wiper works fine. Any ideas?
Jun 9, 2020 at 10:00 AM (Merged)
Avatar
JACOBANDNICKOLAS
  • CAR REPAIR CONTRIBUTOR
  • 110,190 POSTS
Remove the wiper arm from its mount. Check to see if the teeth have been striped. If they are okay, then you need to remove the cowl at the base of the windshield to check the linkage. It could be disconnected or broken.

Let me know if you have other questions.

Joe
Jun 9, 2020 at 10:00 AM (Merged)
Avatar
HEIDIJOYEO
  • MEMBER
  • 1 POST
Six cylinder automatic 183,125 miles

Yesterday I cleaned the corrosion off the positive terminal of my battery, get in my car today and now the wipers will not work. Does that have anything to do with cleaning the terminal yesterday? I have been having alot of problems starting my car lately and that is why I cleaned the corrosion to eliminate my possible choices. I need my wipers though. Someone please help!
Jun 9, 2020 at 10:00 AM (Merged)
Avatar
JACOBANDNICKOLAS
  • CAR REPAIR CONTRIBUTOR
  • 110,190 POSTS
That should not have caused the problem. Have you checked to see if there is power to the wiper motor?
Jun 9, 2020 at 10:00 AM (Merged)
Avatar
GARY ELSER
  • MEMBER
  • 1 POST
Electrical problem
1995 Ford Taurus

Wipers quit working. I changed the fuse then changed the wiper motor. Still not working. I am getting power to one wire at the electrical plug. Is there anything else I should check?
Jun 9, 2020 at 10:00 AM (Merged)
Avatar
JACOBANDNICKOLAS
  • CAR REPAIR CONTRIBUTOR
  • 110,190 POSTS
Run a seperate ground from the motor directly to the ground on the battery to see if it works.

Let me know what you find.
Joe
Jun 9, 2020 at 10:00 AM (Merged)
Avatar
PATRICKDOTSON
  • MEMBER
  • 1 POST
when switch is turned on and car is running windows + wipers dont work but when switch is turned to acc everything works
Jun 9, 2020 at 10:01 AM (Merged)
Avatar
BMRFIXIT
  • CAR REPAIR CONTRIBUTOR
  • 19,053 POSTS
Check and suspect ignition switch.
Jun 9, 2020 at 10:01 AM (Merged)
Repair Safety Notice: This information is for general instructional purposes only. Vehicle repair can be dangerous. Verify all information, follow manufacturer service procedures, use proper tools and safety equipment, and consult a qualified repair shop when needed.