AC relay location?

Tiny
YORKSHIREBORN
  • MEMBER
  • 2004 FORD TAURUS
  • 4 CYL
  • 2WD
  • AUTOMATIC
  • 125,000 MILES
I discovered that the AC clutch had quit working in my Taurus. I have found an almost new unit at $100. Could you give me me some guidance on installation of one of these before I attempt the change. It looks relatively simple, but the unit is in a VERY awkward place to work on it. I know how to release the refridgerant, but would like some tips on removal and replacement.

Thank you,

David
Friday, October 15th, 2010 AT 6:30 PM

5 Replies

Tiny
BLACKOP555
  • MECHANIC
  • 10,386 POSTS
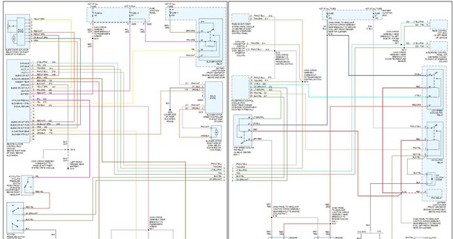
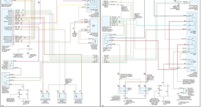
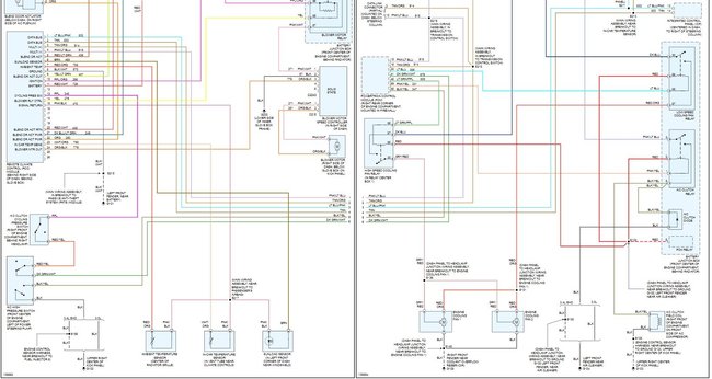
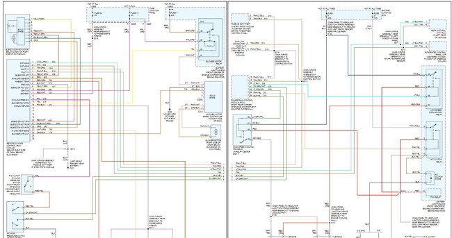
Here is a guide to help with the AC relay in diagrams below.

https://www.2carpros.com/articles/car-air-conditioner-not-working-or-is-weak

Check out the diagrams (Below). Please run this test and get back to us.
Was this
answer
helpful?
Yes
No
-3
Sunday, October 17th, 2010 AT 10:40 AM
Tiny
CURTISK1
  • MEMBER
  • 4 POSTS
  • 1999 FORD TAURUS
  • 10,000 MILES
We have replaced the ac compressor, both switches on the ac lines, and can't get the compressor to come on. We direct wired the compressor to charge the system and it worked and cooled. We removed the direct wire. Don't have an owner manuel to help us locate the fuse or the ac relay. Will you help? Curtis
Was this
answer
helpful?
Yes
No
Wednesday, July 28th, 2021 AT 1:03 PM (Merged)
Tiny
HMAC300
  • MECHANIC
  • 48,601 POSTS
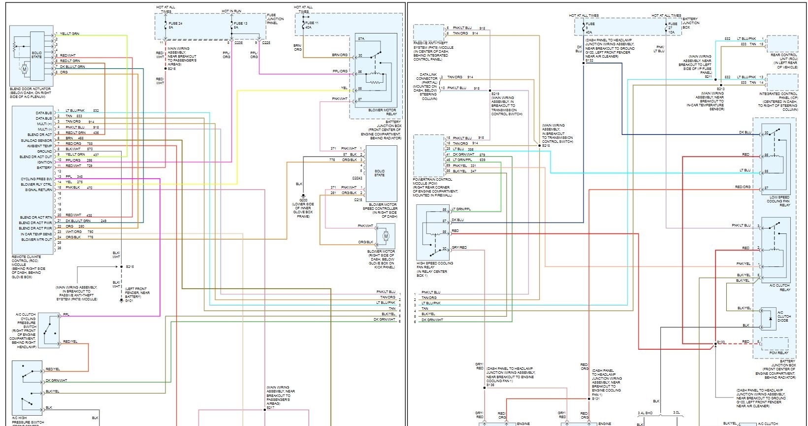
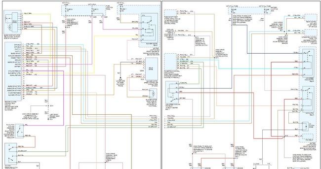
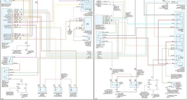
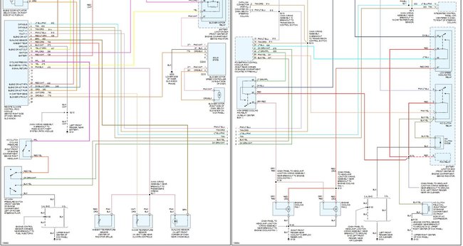
Battery junction box contains relay and fuse as well as diode for ac. Fuse 9 11 and 27. A/c cycling switch must get power as well. Check out the diagrams (Below). Please let us know what you find. We are interested to see what it is.
Was this
answer
helpful?
Yes
No
Wednesday, July 28th, 2021 AT 1:03 PM (Merged)
Tiny
CURTISK1
  • MEMBER
  • 4 POSTS
In the fuse box located on the back side of the radiator support on the left side the # 9 and 11 fuse are good. Do not see a #29.
Was this
answer
helpful?
Yes
No
Wednesday, July 28th, 2021 AT 1:03 PM (Merged)
Tiny
HMAC300
  • MECHANIC
  • 48,601 POSTS
Yes its by the battery it may be 27

See the wiring diagrams attached below
Was this
answer
helpful?
Yes
No
+3
Wednesday, July 28th, 2021 AT 1:03 PM (Merged)

Please login or register to post a reply.