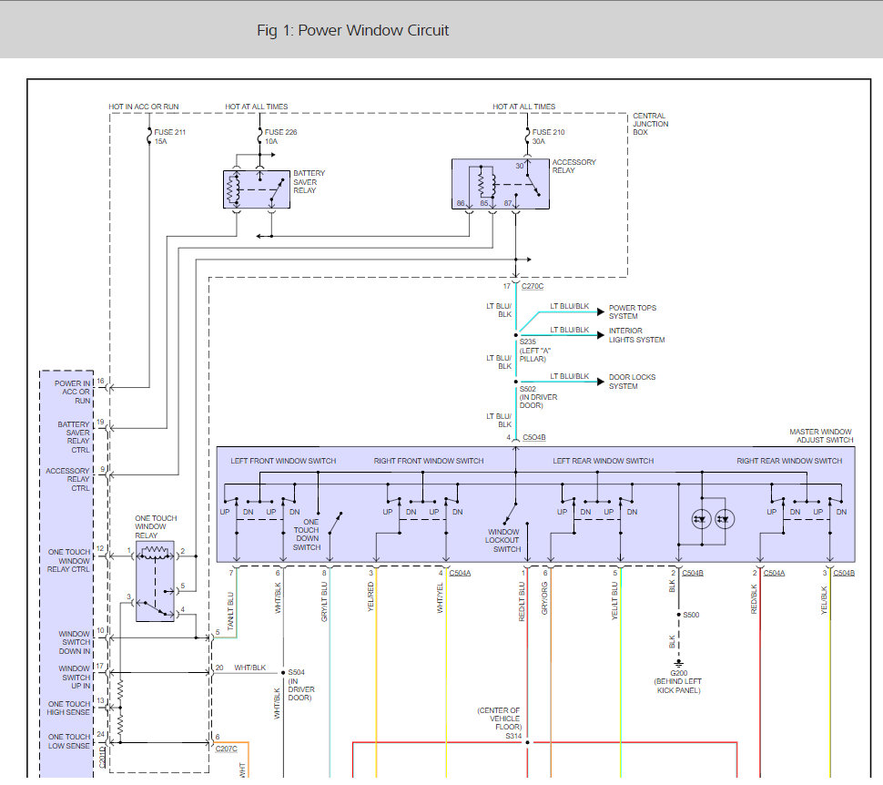
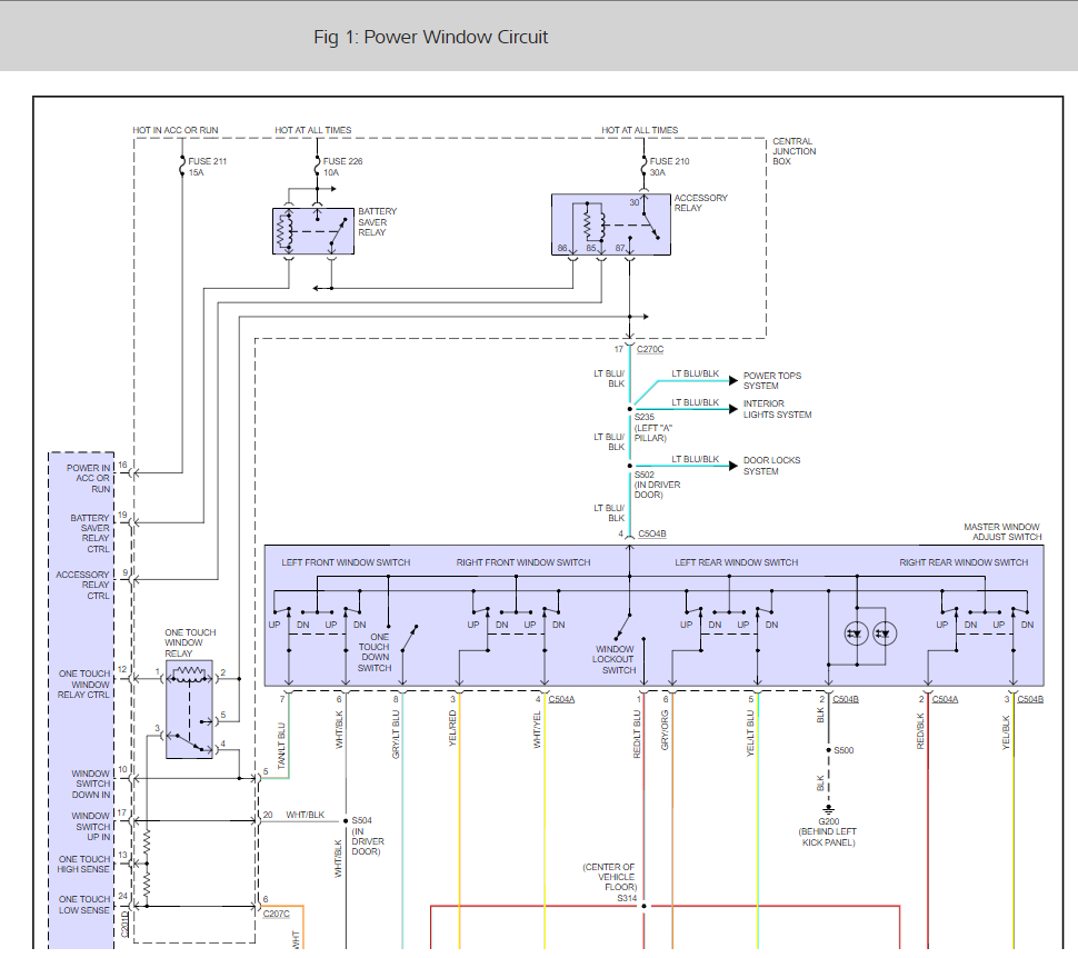
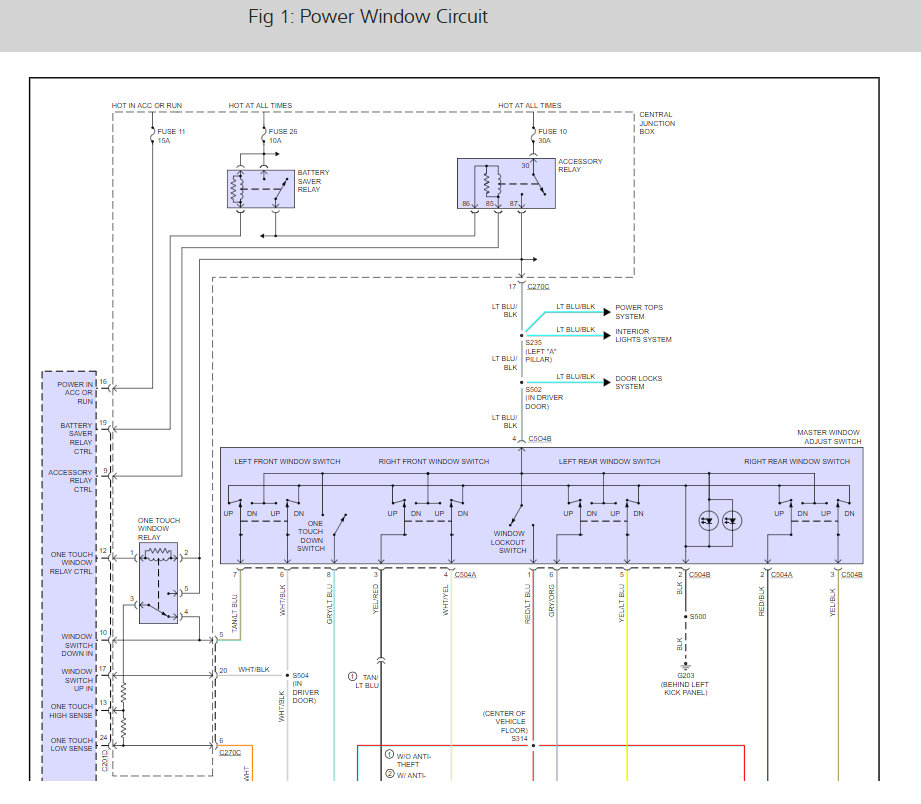
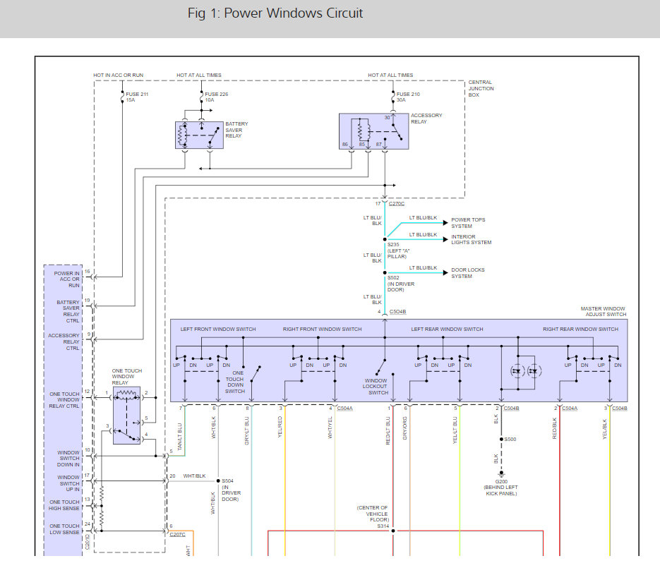
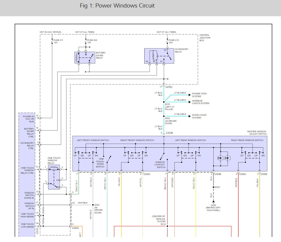
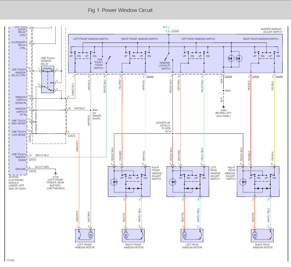
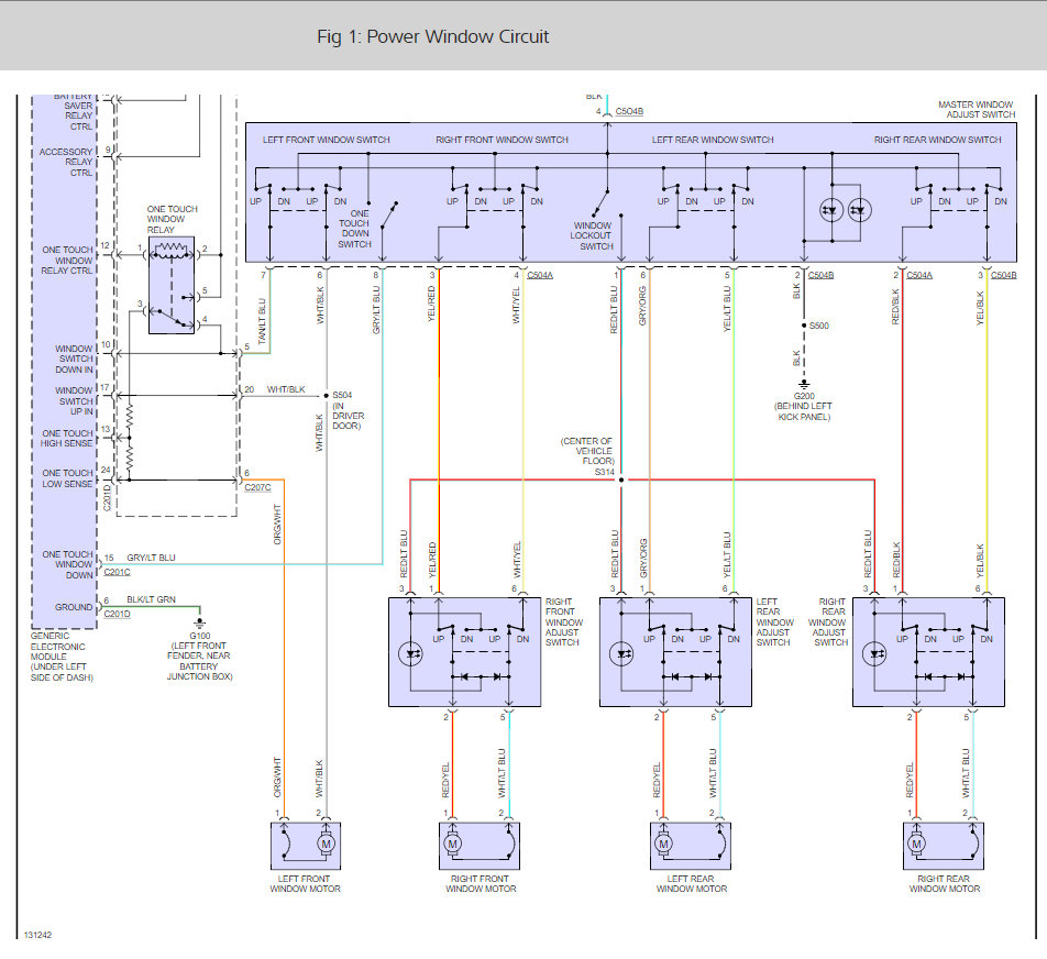
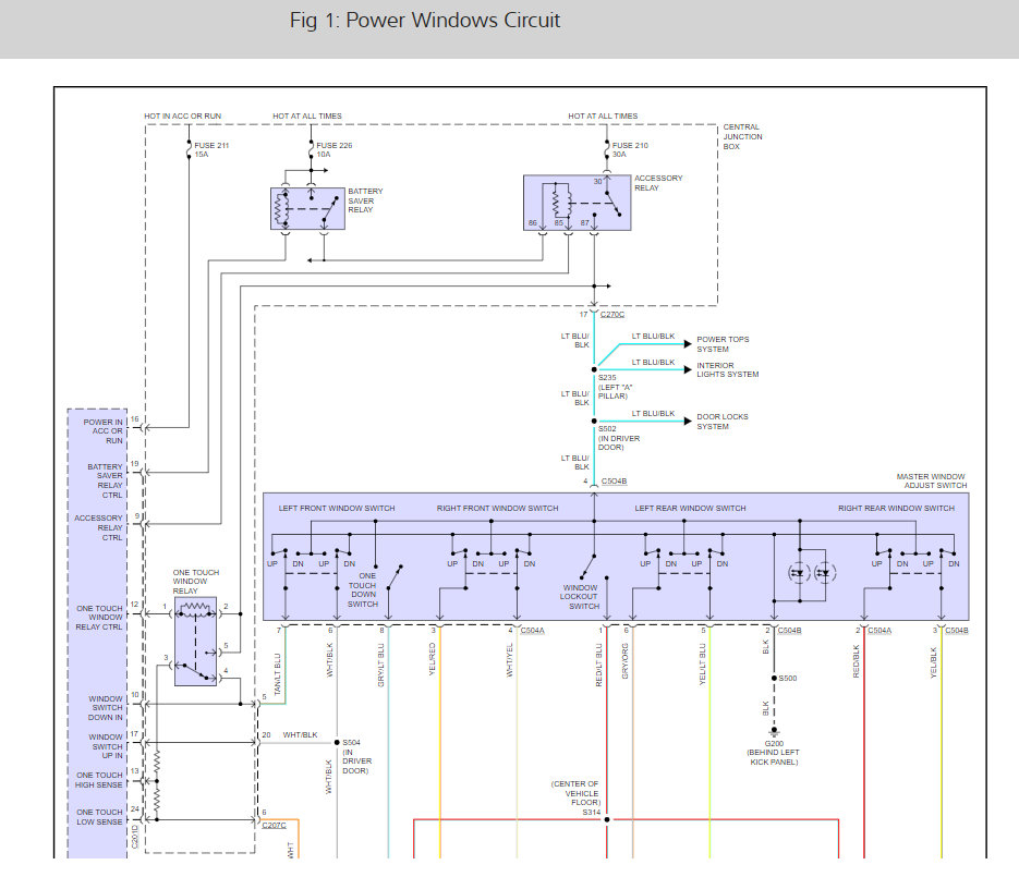
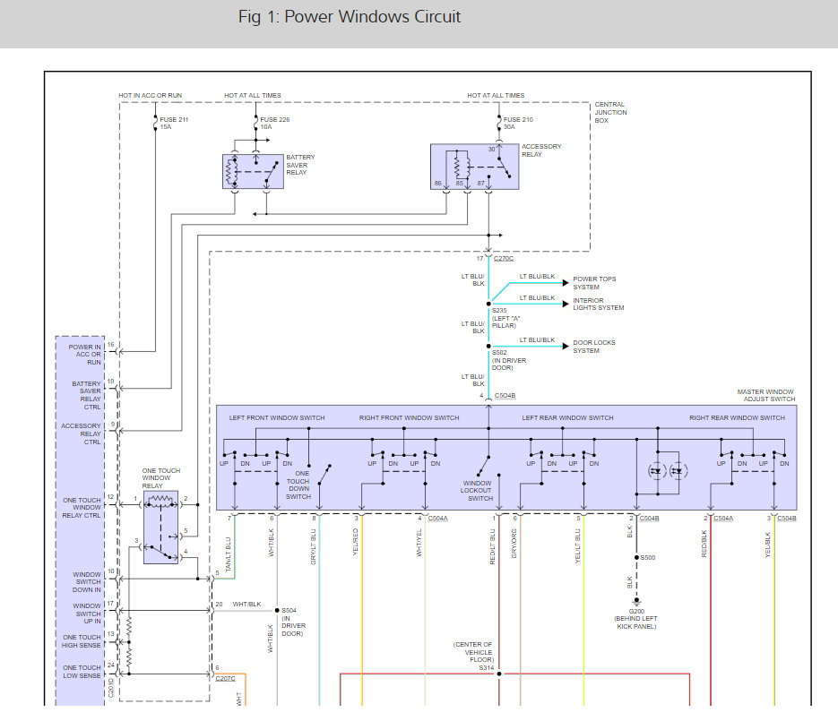
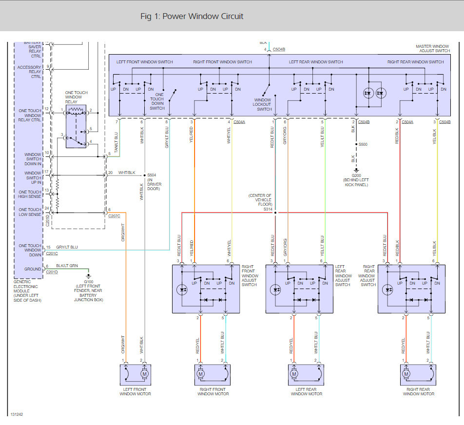
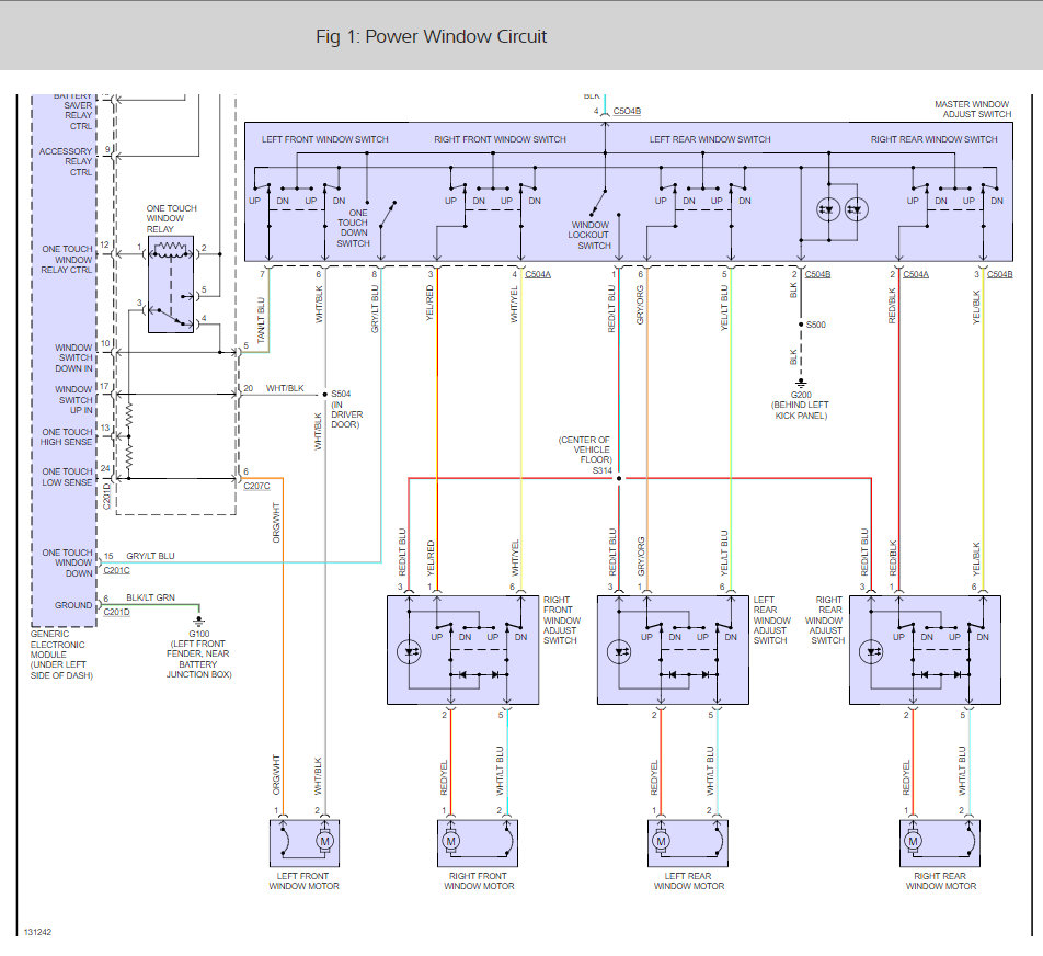
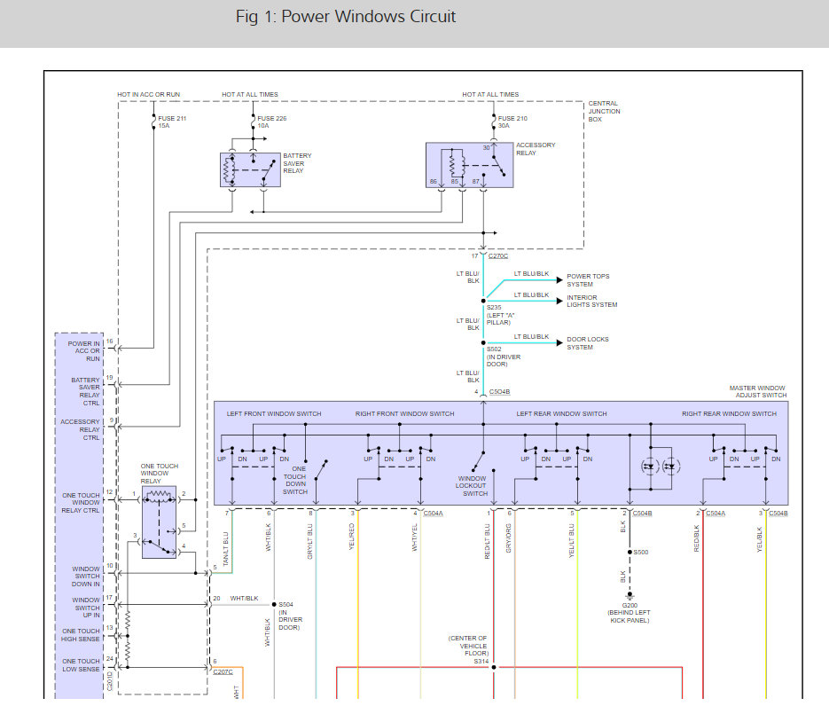
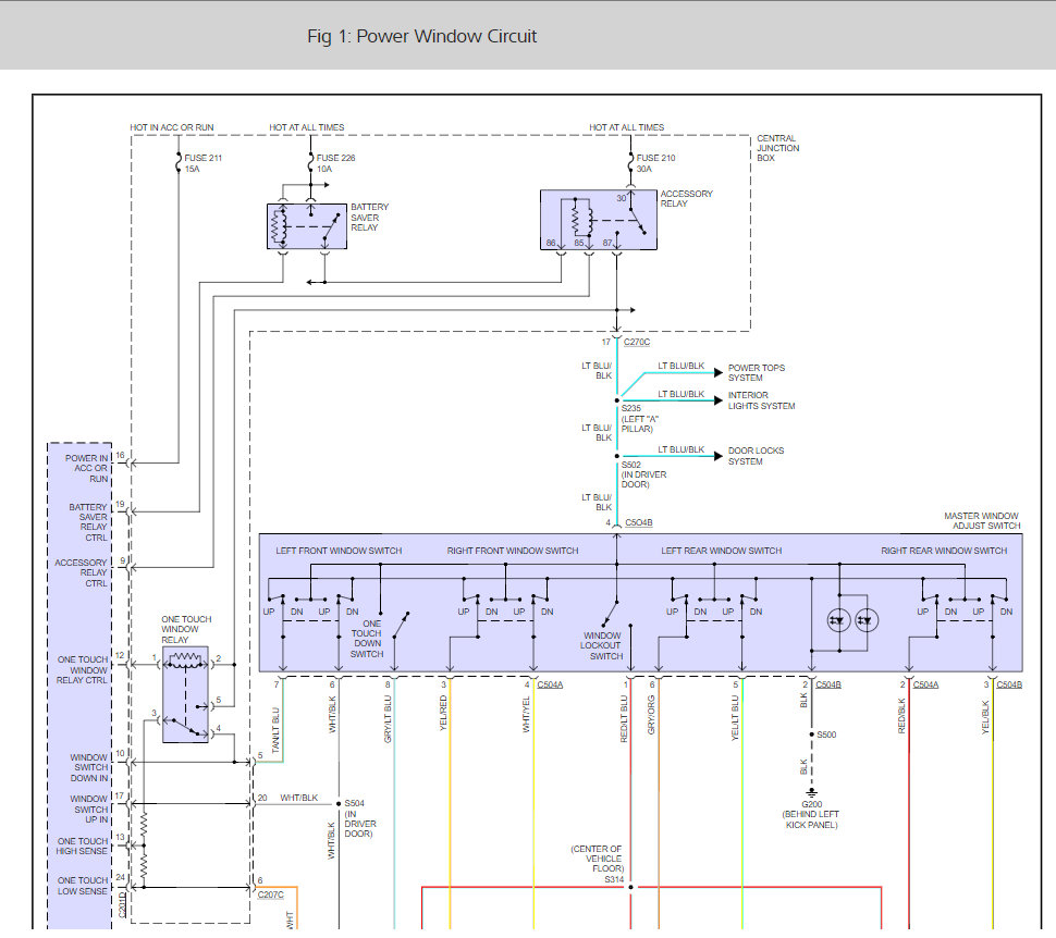
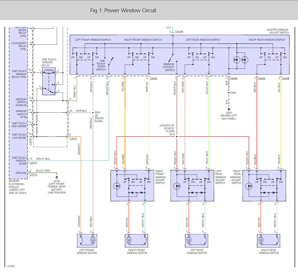
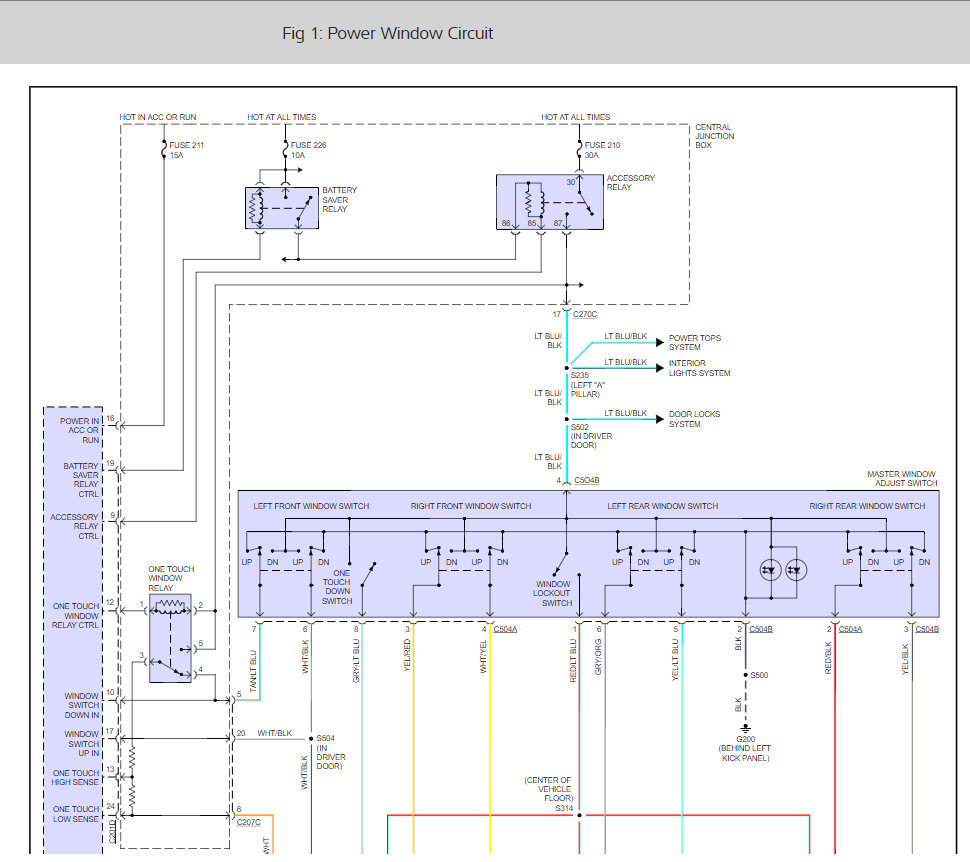
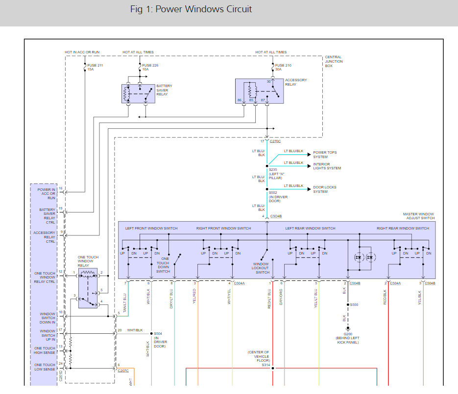
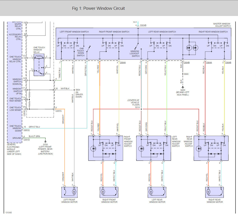
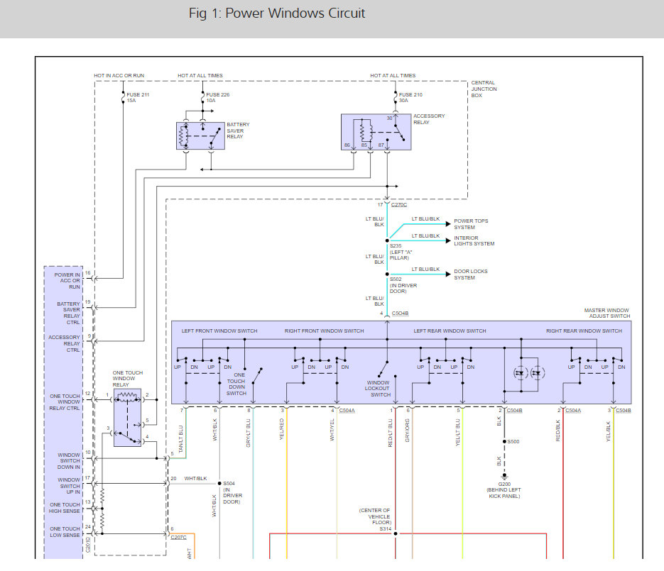
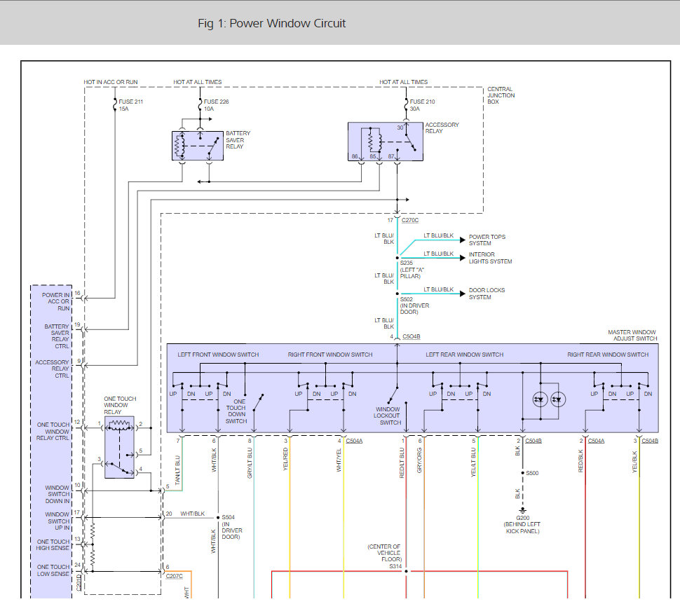
I just purchased a 2002 Ford Taurus SES at an auto auction. After purchase I realized that I could not get the drivers window to go up. None of the windows seem able to go up or down. There seems to be no other electrical problems. Radio, interior lights, rear defrost, etc. all seem to work fine. I have a manual and checked it for location of a fuse for the windows but it does not provide a location. Searching the web has turned up nothing except similar results where others have not been able to locate a fuse for the windows. I can hear a relay engage if I press the auto down on the drivers window switch but that is all. I already tried the master switch and checked fuses but nothing seems to work.
Did you ever find a solution for your problem?Any help appreciated.
Did you ever find a solution for your problem?Any help appreciated.
Mar 15, 2008 at 11:19 PM














