Friday, March 10th, 2006 AT 9:09 PM
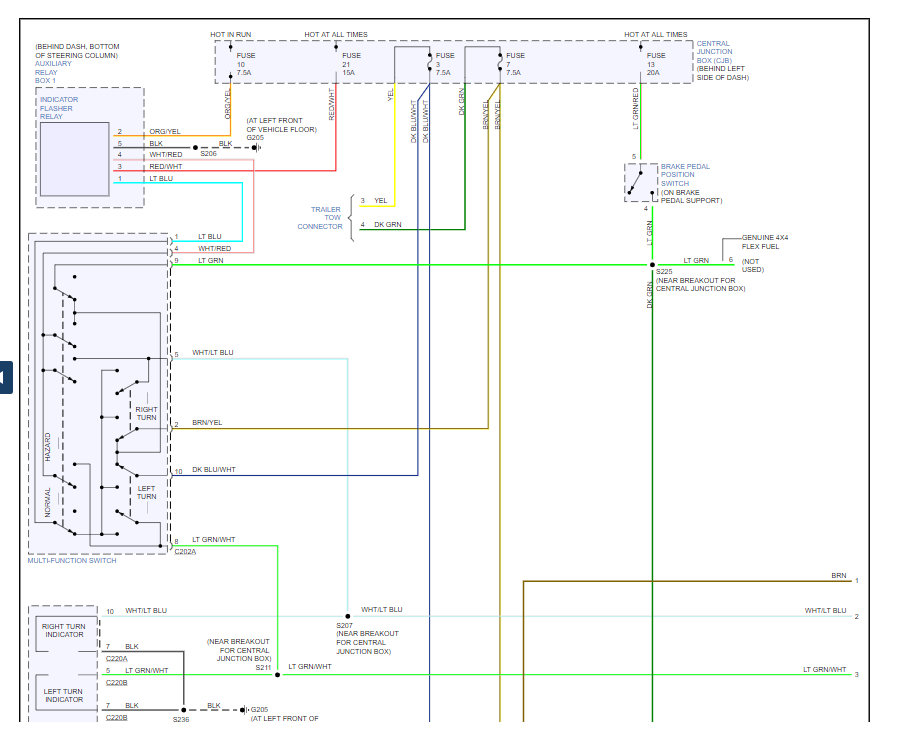
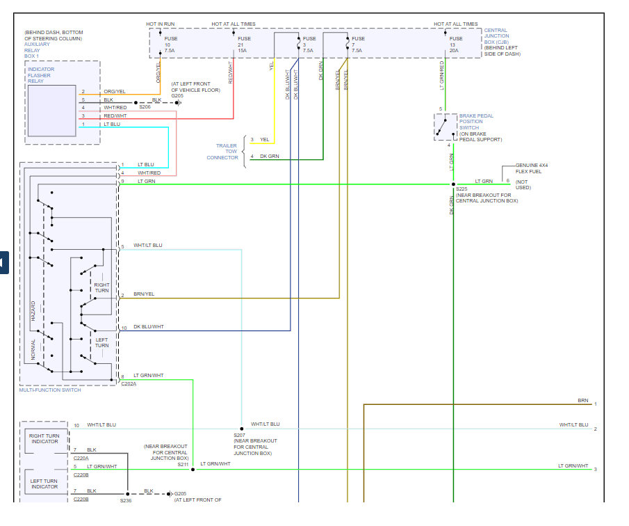
When I step on the brakes the right directionals light up solid with the brake lights. The bulbs all seem to be intact. Is it a ground? Is it a Switch? If so where? 2003 Ford Ranger.





