Wednesday, November 11th, 2009 AT 7:23 AM
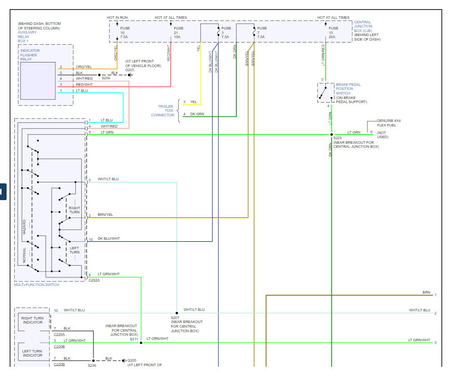
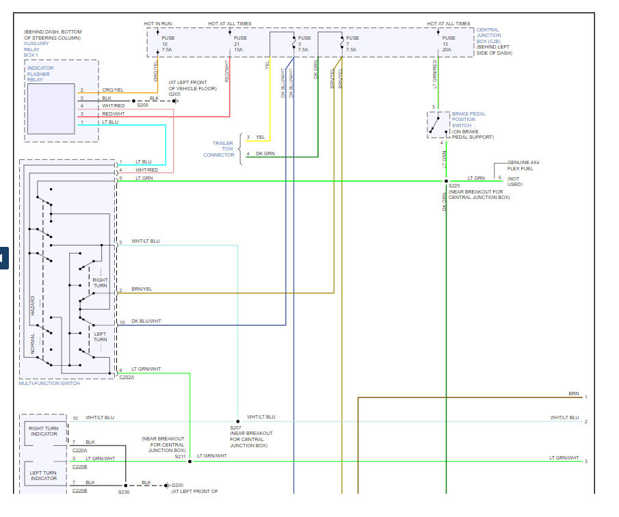
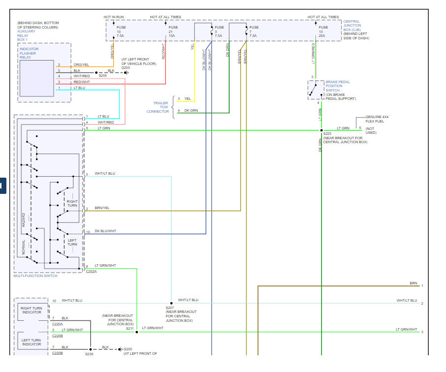
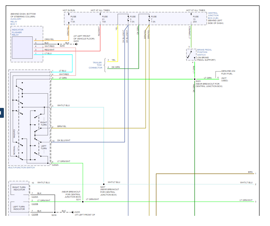
My truck has no brake lights, turn signals or hazards. I have running lights, headlights, dimmer, wiper control, etc. I have changed the turn signal flasher and brake light switch. What else could it be?







