Fog Lights not working?

Tiny
CARGOSR
  • MEMBER
  • 2009 FORD RANGER
The fog lights do not work. I was told I need a wiring diagram is this true?
Wednesday, May 5th, 2010 AT 11:23 AM

1 Reply

Tiny
DANNY L
  • MECHANIC
  • 5,648 POSTS
Hello, I'm Danny.

Here is the information you requested. You might want to check the fog lamp relay first. Here is a tutorial showing how to test a relay and another for testing wiring:

https://www.2carpros.com/articles/how-to-check-an-electrical-relay-and-wiring-control-circuit

https://www.2carpros.com/articles/how-to-check-wiring

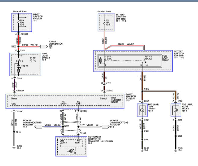
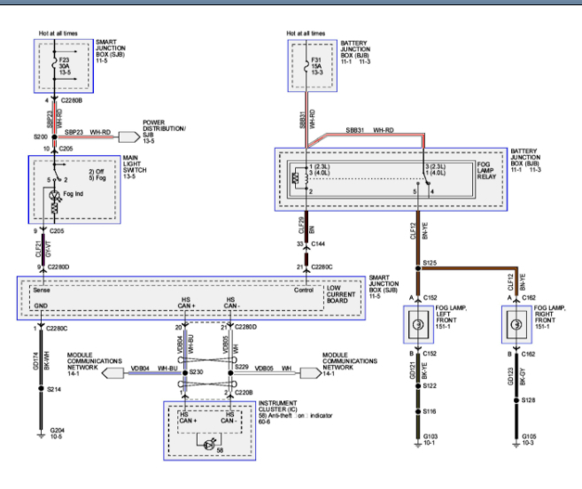
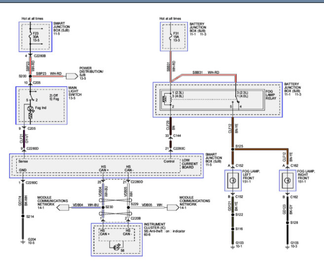
The fog lamp relay is located in the battery junction box under hood on the left side. I've attached pictures below of the fog lamp relay location and circled in red. I've also attached below if needed the fog lamp wiring diagram. Hope this helps and thanks for using 2CarPros.
Was this
answer
helpful?
Yes
No
+1
Wednesday, June 2nd, 2021 AT 8:11 AM

Please login or register to post a reply.