Ever since I bought the truck My brakes have gone close it the floor

Tiny
RDL9879
  • MEMBER
  • 2004 FORD RANGER
I bought a 2004 ford ranger about a year ago. Ever since I bought the truck My brakes have gone close it the floor why?
Wednesday, April 21st, 2010 AT 5:18 PM

49 Replies

Tiny
MHPAUTOS
  • MECHANIC
  • 31,937 POSTS
I would suspect there is air in the lines. These guides can help you fix it.

https://youtu.be/w7gUsj2us0U

and

https://youtu.be/WDxvEQrMkBg

and

https://www.2carpros.com/articles/brake-pedal-goes-to-the-floor

Please run down these guides and report back.
Was this
answer
helpful?
Yes
No
Wednesday, April 21st, 2010 AT 5:25 PM
Tiny
RDL9879
  • MEMBER
  • 2 POSTS
Thanks it was the right front caliper had air in it all fixed!
Was this
answer
helpful?
Yes
No
Wednesday, April 21st, 2010 AT 7:41 PM
Tiny
ONEPOINT21GIGAWATTS
  • MEMBER
  • 1 POST
  • 2003 FORD RANGER
  • V6
  • 2WD
  • AUTOMATIC
  • 88,000 MILES
Hey guys. I have a 2003 Ford Ranger. This morning when I pressed down on my brake pedal, it initially stopped as usual about halfway to the floor, then proceeded to push all the way to the floor. The truck still stopped, but took longer. Then the brake dash light came on. I drove it straight home and parked it, but it continued to press all the way to the floor. I see no fluid loss on the driveway. After doing some research online, it appears that the culprit may be the master cylinder. Would you agree or should I try something else first before digging in and replacing it tomorrow? Any help would be appreciated. Thanks!
Was this
answer
helpful?
Yes
No
Wednesday, April 14th, 2021 AT 10:14 AM (Merged)
Tiny
KTECH
  • MECHANIC
  • 57 POSTS
Your master cylinder could be a possible cause, but before you do all that work I would inspect your brakes. Check how much pad you have left and if they look like there starting to wear replace them. I had a similar problem on my explorer, although the pads went that and still had some meat left on them it was still taking almost all the pedal. The rear pads do the majority of the braking. I replaced the rear pads and bled the brakes and they havent caused me a problem since.
Was this
answer
helpful?
Yes
No
Wednesday, April 14th, 2021 AT 10:14 AM (Merged)
Tiny
895NLINDENWOODCIR
  • MEMBER
  • 1 POST
  • 2002 FORD RANGER
  • 4.0L
  • 6 CYL
  • 4WD
  • AUTOMATIC
  • 175,000 MILES
Brakes work fine but some times, just before coming complete stop the
pedal will sink a little then stop. During the pedal sink I hear a swish. I replaced master cylinder, pads, shoes and bled brakes with new fluids.
Was this
answer
helpful?
Yes
No
Wednesday, April 14th, 2021 AT 10:14 AM (Merged)
Tiny
KASEKENNY
  • MECHANIC
  • 18,907 POSTS
Sudden drops and then firming up is almost always the master cylinder with internal leaks. Since you already replaced this the only thing that makes sense is the brake booster. This would be what is making the swish noise that you are hearing. However, when this has a leak it normally causes a hard pedal because you are losing your assist. Also, the swish that you are hearing may be just because the pedal is dropping.

Is there a chance that you still have air in the lines or another leak? Was this the same issue that you replaced these parts for or is this a new issue after you replaced these parts?
Was this
answer
helpful?
Yes
No
+1
Wednesday, April 14th, 2021 AT 10:14 AM (Merged)
Tiny
BIKER-24-7
  • MEMBER
  • 1 POST
  • 2002 FORD RANGER
  • 88,000 MILES
It has full fluid and does not seem to have any leaks near the master cylinder
Was this
answer
helpful?
Yes
No
Wednesday, April 14th, 2021 AT 10:14 AM (Merged)
Tiny
JASON123
  • MEMBER
  • 4 POSTS
Could be the seal to the master cylinder to check pour soapy water where the cylinder and the firewall meet
Was this
answer
helpful?
Yes
No
-1
Wednesday, April 14th, 2021 AT 10:14 AM (Merged)
Tiny
JACOBANDNICKOLAS
  • MECHANIC
  • 110,194 POSTS
You can't check it like that. There are internal plungers in there that, if bad, will allow brake fluid to bypass and the pedal go to the floor. Make sure there are no leaks at any of the wheels or the steel brake lines. One other thing is the rubber brake hose. Make sure they don't expand when you press on the brake.
Was this
answer
helpful?
Yes
No
Wednesday, April 14th, 2021 AT 10:14 AM (Merged)
Tiny
CHAZWORKS
  • MEMBER
  • 6 POSTS
  • 2001 FORD RANGER
  • 6 CYL
  • 4WD
  • AUTOMATIC
  • 88,000 MILES
2001 Ford Ranger Intermittent loss of pedal pressure when braking. Master replaced, system checked and bled. Problem persists and getting more frequent. Told problem is probably ABS related but I can find little information on line. Actuator? If so does it require special tool to bleed after replacement? Is it possible to avoid dealer? Any on line manuals or diagrams?
Was this
answer
helpful?
Yes
No
Wednesday, April 14th, 2021 AT 10:15 AM (Merged)
Tiny
JACOBANDNICKOLAS
  • MECHANIC
  • 110,194 POSTS
As far as online manuals, I can never find them when needed. I will tell you that Mitchel online is a manual available via the internet, but you pay to use it. It is extremely informative. I believe you can access it via our home page. It is cheaper than purchasing a manual at a store and includes all makes and models.

As far as the problem, I can't see how the ABS is giving you a soft pedal. When it happens, does the ABS actuate? Have you checked the rubber brake hoses to the calipers on the front? I have seen them (when they get old) actually expand when pressure is applied to them. Thus, you get a soft pedal. Also, has everything been checked as far as the wheel cylinders and calipers for leaks? I must say this, for some reason, Fords, between 1999 and 02 seemed to have a rust problem with the underside of the vehicle. Make sure there are no steel lines with slight holes.

Let me know.
Joe
Was this
answer
helpful?
Yes
No
-2
Wednesday, April 14th, 2021 AT 10:15 AM (Merged)
Tiny
CHAZWORKS
  • MEMBER
  • 6 POSTS
Joe, Thanks for responding. Have you collected my donation? I don't know how this works.

I have a good mechanic and we both checked every line, cylinder and caliper. Master was replaced and lines bled. His conclusion was that the only item left was the ABS and I had an online mechanic tell me that the actuator can wear and bypass just as a master can.

Most of the time the brake pedal is effective. It does no sink when steady pressure is applied. What started as once a day has become every fifth or so braking event as I am coming to a stop the pedal will just sink/travel. I stop but with a bead of sweat forming on my brow. So the problem is becoming more frequent.

I downloaded a service manual and for some reason it mentions the ABS but never offers narrative or diagram. I know if I drop the truck off at a dealer I am at the mercy.

Any other suggestions? There is a slight pulsing in the brake pedal when this happens but I cannot tell you if that is the ABS activated or not.

Help.

Chuck
Was this
answer
helpful?
Yes
No
-1
Wednesday, April 14th, 2021 AT 10:15 AM (Merged)
Tiny
JACOBANDNICKOLAS
  • MECHANIC
  • 110,194 POSTS
Chuck:
The ABS actuator can bypass as a master cylinder, but I have to admit, it doesn't happen often. If you keep steady pressure on the brake pedal, you said it doesn't drop. Usually, when you have a bad plunger / seal in a master cylinder or actuator, it will slowly drop. You most likely already know that based on everything you mentioned. I just thought I would mention it. I can understand your concern with this issue. I can't completely eliminate the actuator. It can be the problem, just an unlikely one. If everything else is good, that must be where the problem is coming from.

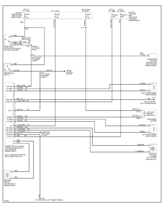
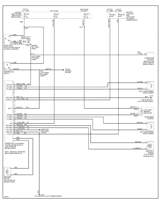
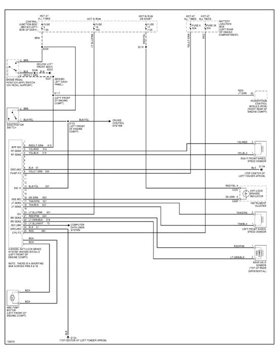
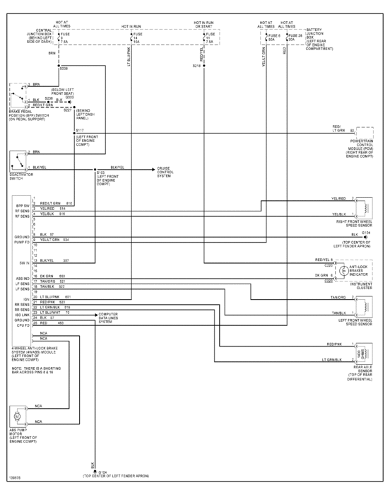
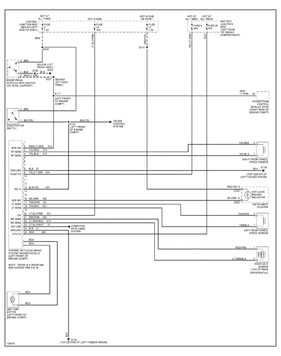
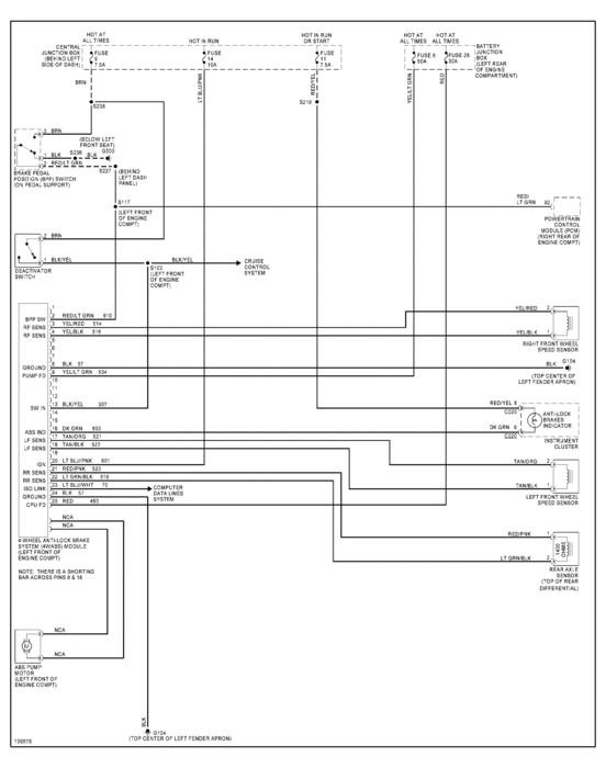
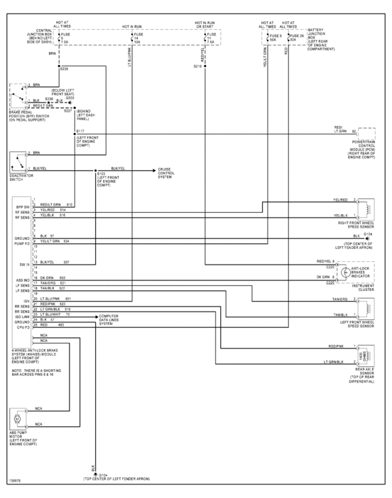
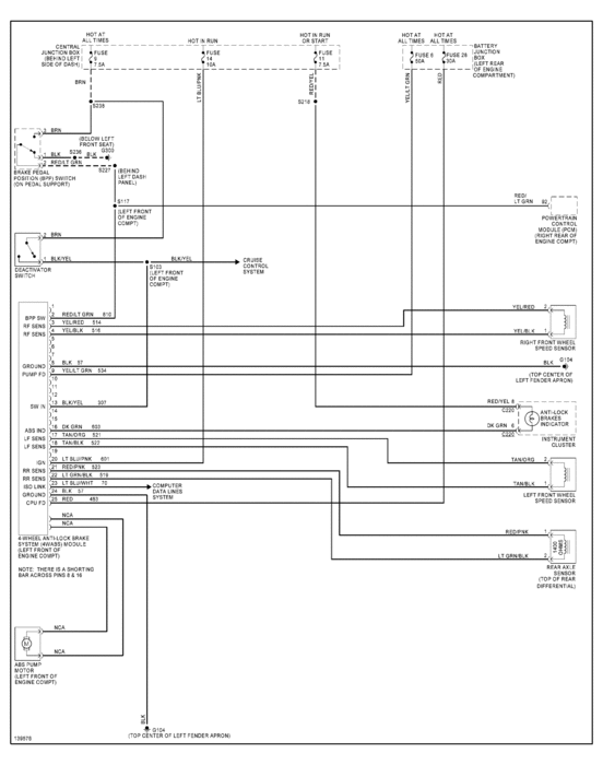
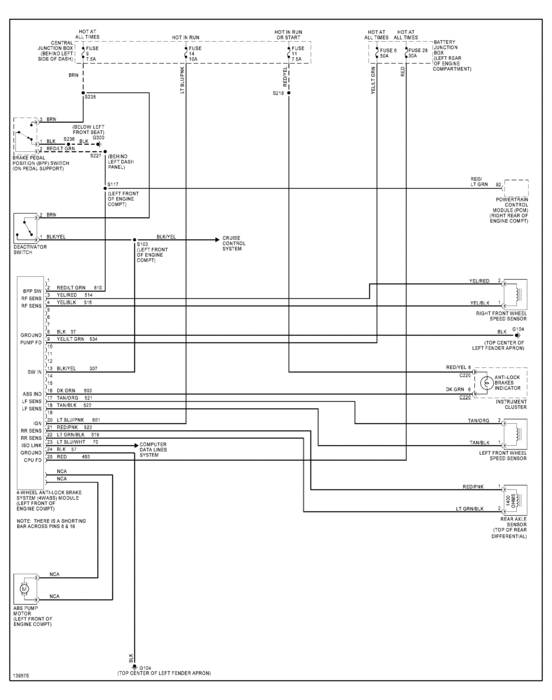
Chuck, I have access to Mitchel Ondemand. Let me know if there are certain diagrams you want. I will check to see if I can find them for you and upload them. They have a lot of information on there. I attached a schematic for you to review. Also, I am questioning the BPS. Have any codes been recovered from the system?
Was this
answer
helpful?
Yes
No
Wednesday, April 14th, 2021 AT 10:15 AM (Merged)
Tiny
CHAZWORKS
  • MEMBER
  • 6 POSTS
The mechanic here was baffled. At the time he was involved the phenomena was so rare he could not road test to experience it. No, the pedal does not sink if steady pressure is applied. I thought maybe the actuator might be different than the master because of the solenoids and chambers. More strangely it only happens as I am almost stopped and then the pedal will just release and travel maybe an inch or inch and a half. It does not bottom. Then it may not happen through the next three or four stops.

It seems to happen when I hit a certain speed like 8 mph (just a guess) If I brake to slow while at traveling speed no problem. Your bulging line idea is interesting but I think that would happen every time and at all speeds. The fluid level does not change so I am not leaking from a pin hole or wheel cylinder. A guy on this sight back a month or so is the one who mentioned the actuator and even sent a link to a part picture for an on line parts store. The part is over $300 with obviously no returns. I was looking for service manual guidance because I read somewhere the ABS has to be sequence bled with a special tool and so that seems to force me to a dealer. My mechanic will replace the part if I buy it but won't purchase it because of the iffiness of success. We didn't try to get a code read because no lights come on to indicate any problem with the ABS. You think there might be a code fault for an intermittent hydraulic anomaly?

If a dealer gets this truck we both know I ain't getting out alive particularly when anything they tell me I would have to trust since I have no clear idea what to reject.

Also, the part the other online troubleshooter was not recognizable to me so I thought a year specific repair manual guide would give me a clear diagram to compare to my as built truck. It has been 5 degrees outside here for a while and I am old so I haven't stuck my head under the hood for a while. I didn't want to order that part until I am certain it is a match.

Lots of words and no additional information.

That part only shows up on the parts store he recommended so I am assuming if Advance and NAPA don't even list it all arrows point to the Blue Oval. ****! Those dudes get their pound. I'll feel abused for a month after until I manage to forget it which at my age requires less and less time.

If you're out of ideas I'll understand. You won't be the first.

Chuck
Was this
answer
helpful?
Yes
No
+1
Wednesday, April 14th, 2021 AT 10:15 AM (Merged)
Tiny
JACOBANDNICKOLAS
  • MECHANIC
  • 110,194 POSTS
I just read the bleeding instructions for the truck. It is straight forward, no different that what I would expect. If there was air in the system, one would think the problem would always be there. The only thing left is the actuator. However, I hate to be wrong, especially at that price.
Was this
answer
helpful?
Yes
No
Wednesday, April 14th, 2021 AT 10:15 AM (Merged)
Tiny
CHAZWORKS
  • MEMBER
  • 6 POSTS
Joe, one last inquiry.

Did you or can you read about whether the bleeding instructions change with replacement of the actuator? I or my mechanic can do a replace and simple system bleed.

You're the man.

Chuck
Was this
answer
helpful?
Yes
No
+1
Wednesday, April 14th, 2021 AT 10:15 AM (Merged)
Tiny
JACOBANDNICKOLAS
  • MECHANIC
  • 110,194 POSTS
Not a problem. Here is what is listed:

Before bleeding, remove all vacuum to the booster (just pump the brake pedal until it gets stiff).

1)Start at Master Cylinder (primary and seconday seperately)

2)Bleed rear anti lock electrohydraulic RABS

3)Bleed wheel cylinders then calipers in this order (RR, LR, RF, LF)

That is what is listed. Let me know if it helps. Feel free to ask as many questions as you want. That is why we are here. I'll do my best to help.

Joe
Was this
answer
helpful?
Yes
No
Wednesday, April 14th, 2021 AT 10:15 AM (Merged)
Tiny
CHAZWORKS
  • MEMBER
  • 6 POSTS
Joe, Now I am stumped. Raybestos has stopped remanufacturing the actuator and OEM suppliers are saying that Ford the part is no longer available.

Any idea where I can get a replacement? Something is wrong here and no one is talking. I am wondering if these are a bad design and no one is talking?

Chuck
Was this
answer
helpful?
Yes
No
Wednesday, April 14th, 2021 AT 10:15 AM (Merged)
Tiny
JACOBANDNICKOLAS
  • MECHANIC
  • 110,194 POSTS
I don't know of any specifics. The manufacturer is required to make replacement parts available for 10 years. That makes the end of this year 10 years. I would contact the customer service rep listed in the owner's manual and see what they have to say. Also, have your dealer search their computer to see if there is another dealer in the country that has "Dealer Old Stock" (DOS). I feel confident they could find them that way. The truck isn't that old. Also, have you checked salvage yards?

I just went through a similar situation, but my truck was much older. It was a 92 Dakota 4wd. 225K and ran perfect and still in good shape, but I needed cab mounts. I could find them anywhere for a 2wd (50 dollars on the internet), but for some reason, I couldn't find them for 4wd. No aftermarket and the dealer was able to get dealer old stock from different dealers all over the country. The only problem, I would have had 800 dollars into rubber mounts with steel sleeves and giant washers. I sold the truck telling the buyer it needed them and I couldn't find them.

Let me know what you find. If you need, I'll call some dealers in my area that may be able to help.

Joe
Was this
answer
helpful?
Yes
No
+1
Wednesday, April 14th, 2021 AT 10:15 AM (Merged)
Tiny
STEVENROGERS1
  • MEMBER
  • 3 POSTS
Get OEM replacement ABS brakes from AS Auto Parts one of the best known OEM replacement auto parts store in the US.
You will never complain again search the part today.
Was this
answer
helpful?
Yes
No
-1
Wednesday, April 14th, 2021 AT 10:15 AM (Merged)

Please login or register to post a reply.