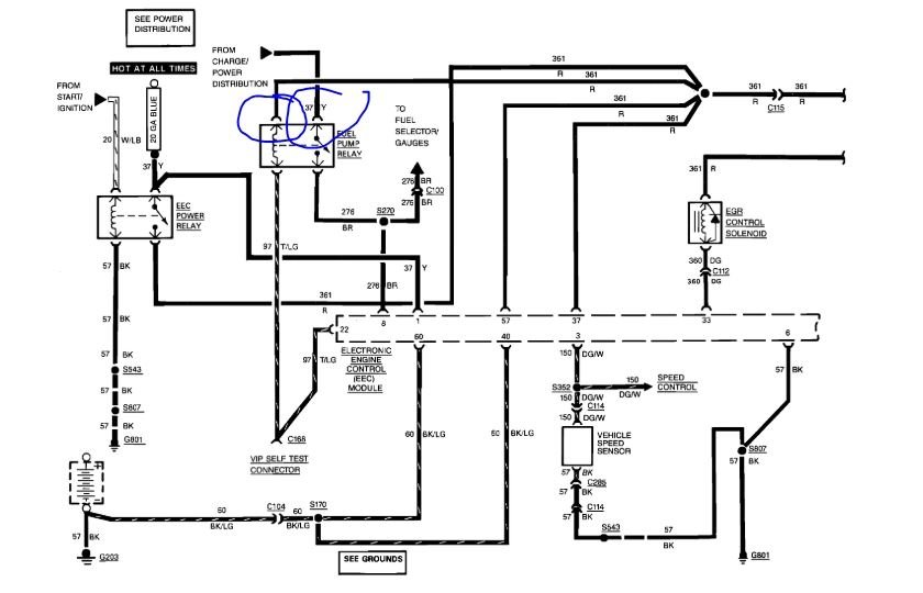
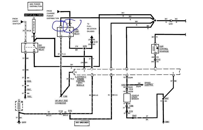
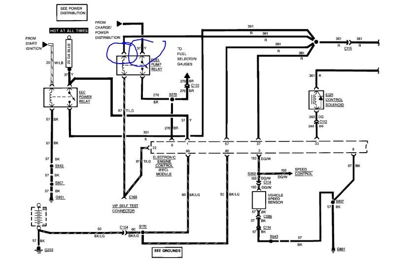
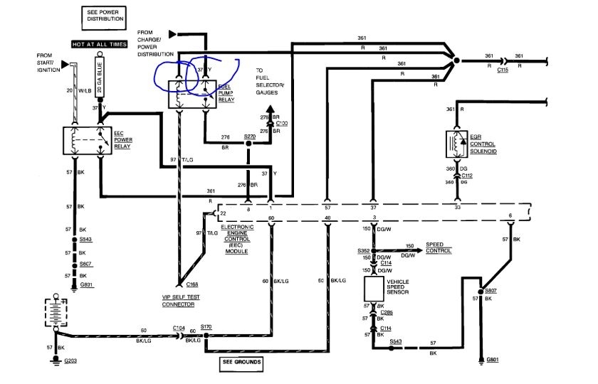
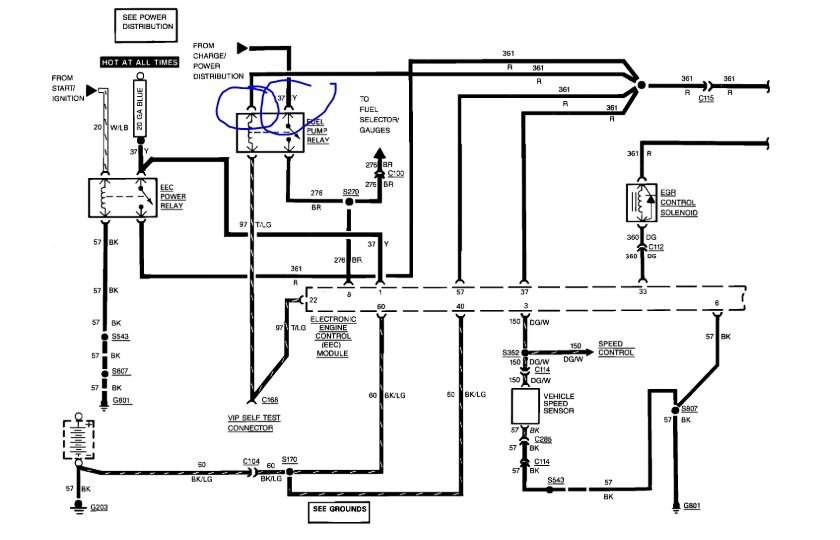
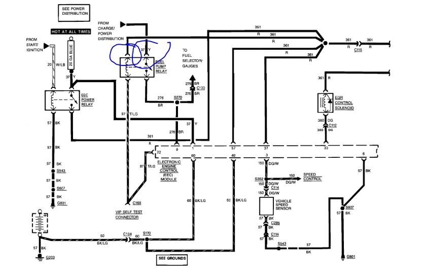
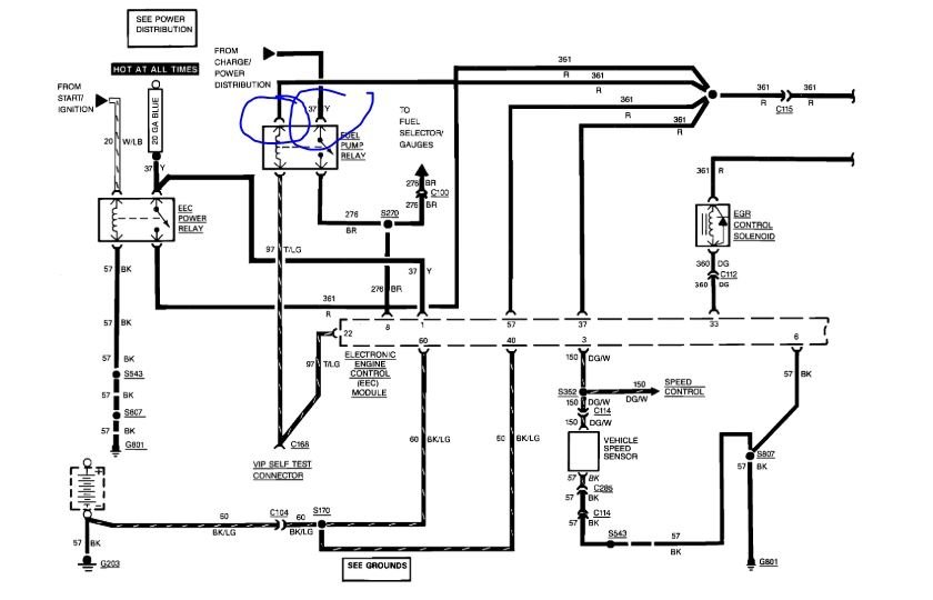
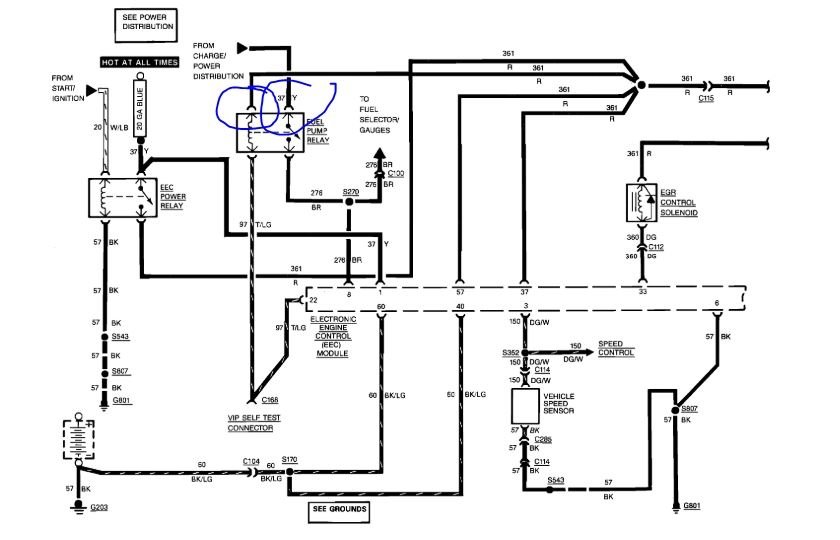
1989 F250 4x4 300 6 cylinder. I had lot of people tell me it is my computer but i can't find one. any where on my pickup where is it at?
Please help, crazyhoss
Please help, crazyhoss
Mar 8, 2007 at 8:07 PM
