Cranks but no start, low oil pressure

Tiny
1995LINCOLNTOWNCAR
  • MEMBER
  • 2000 FORD F-150
  • 4.6L
  • V8
  • 2WD
  • AUTOMATIC
  • 122,000 MILES
Hello, the other day I was getting ready to go to work in my truck and when I got in it started just fine, I had it running for a second before I noticed it showed no oil pressure, so I shut it off. When I turned my truck back on it would just crank and not start.I have changed the oil pressure switch as well as my oil and filter.


Any help would be appreciated.
Monday, November 25th, 2019 AT 12:30 PM

4 Replies

Tiny
SCGRANTURISMO
  • MECHANIC
  • 4,897 POSTS
Hello,

I know this engine well, I have completely rebuilt the one in my Mustang from the pistons up. Can you check and confirm that there is oil in the engine by checking it on the engine oil dipstick, please. Get back to us with what you find out and we can go from there.

Thanks,
Alex
2CarPros
Was this
answer
helpful?
Yes
No
Tuesday, November 26th, 2019 AT 7:13 AM
Tiny
1995LINCOLNTOWNCAR
  • MEMBER
  • 13 POSTS
I checked the oil it’s right where it should be on the dipstick.
Was this
answer
helpful?
Yes
No
Tuesday, November 26th, 2019 AT 9:01 AM
Tiny
1995LINCOLNTOWNCAR
  • MEMBER
  • 13 POSTS
It was half a quart low before I changed it.
Was this
answer
helpful?
Yes
No
Tuesday, November 26th, 2019 AT 9:01 AM
Tiny
SCGRANTURISMO
  • MECHANIC
  • 4,897 POSTS
Hello again,

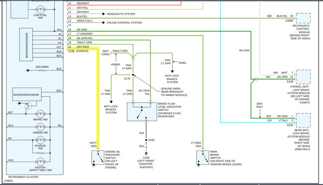
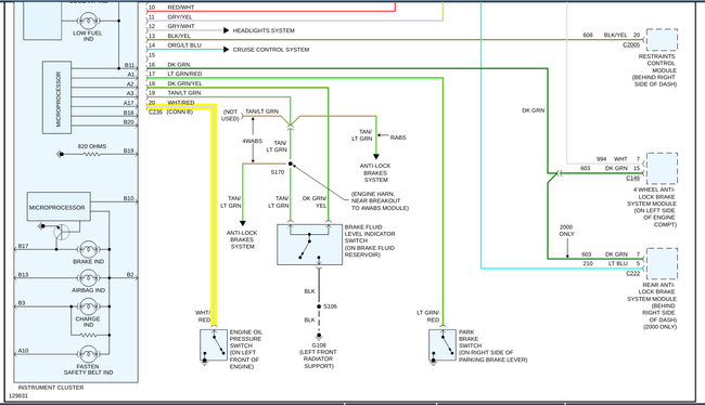
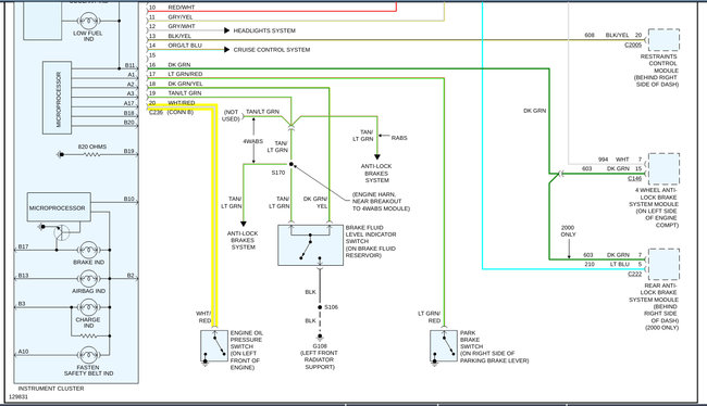
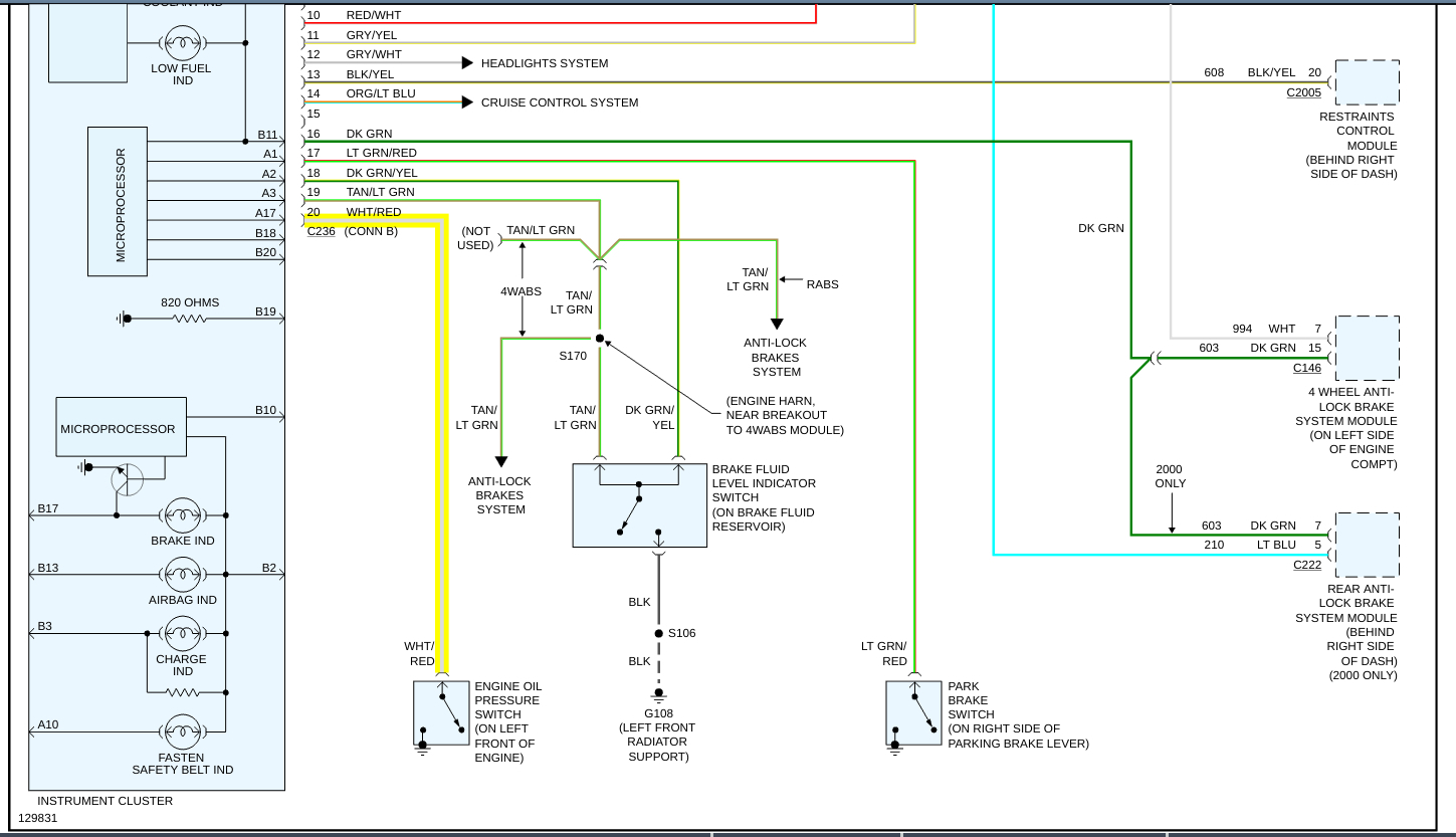
Okay, a 1/2 quart low is not going to seize one of these engines. They're pretty tough, as long as there are no vacuum leaks. They really don't like vacuum leaks. Can you check the wire attached to the oil sending unit for me? In the diagrams down below I have included the instrument cluster wiring diagram showing the engine oil pressure circuit and a guide on how to find an open in an electrical circuit for you. Please go through these guides and check the wire and get back to us with what you are able to find out.

Thanks,
Alex
2CarPros
Was this
answer
helpful?
Yes
No
+1
Wednesday, November 27th, 2019 AT 4:28 PM

Please login or register to post a reply.