Wednesday, August 25th, 2010 AT 4:44 AM
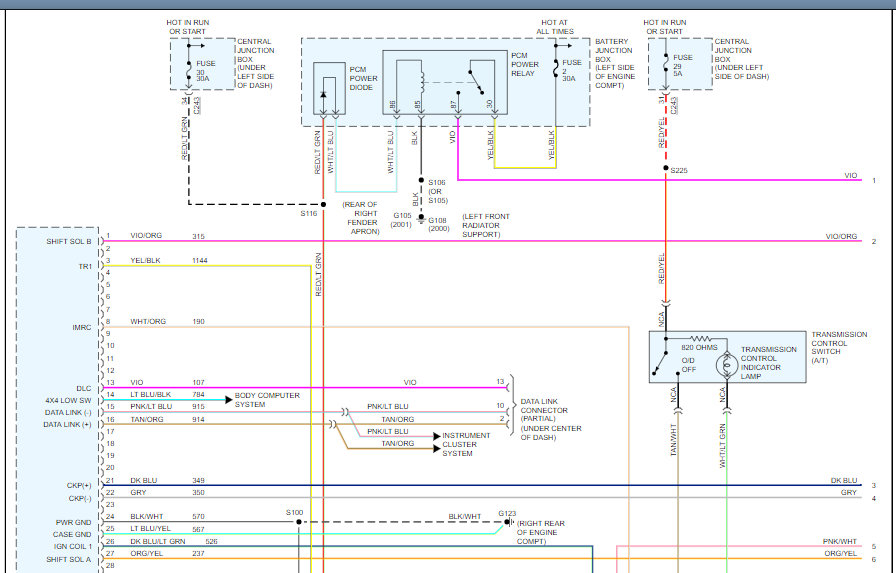
At first I thought my fuel pump had gone out. I disconnected the fuel line and had my wife crank the engine and had no pressure. After buying the 360$ replacement pump I decided to see if I had voltage to the pump before replacing it. 1 out of the four wires is always hot. But when I had my wife crank the engine again none of the three remaining wires recieved voltage. I checked the fuse and reset the IFS (inertia fuel shut off) switch. The rely is buit on to the fuse board and I dont know how to check that. Is there something im missing other than that rely? I should be getting 12vdc when the ignition is turned on to one of the other three wires correct? I have scoured the internet for a wiring diagram to no avail. I am at a stand still, and need some help. Thank you, -Jason


























