Daytime running lights not working

Tiny
NOVA5966
  • MEMBER
  • 2002 FORD F-150
  • 6 CYL
  • 2WD
  • AUTOMATIC
  • 175,000 MILES
Daytime running lights not working when truck is started.
Tuesday, January 1st, 2008 AT 2:44 PM

6 Replies

Tiny
BMRFIXIT
  • MECHANIC
  • 19,053 POSTS
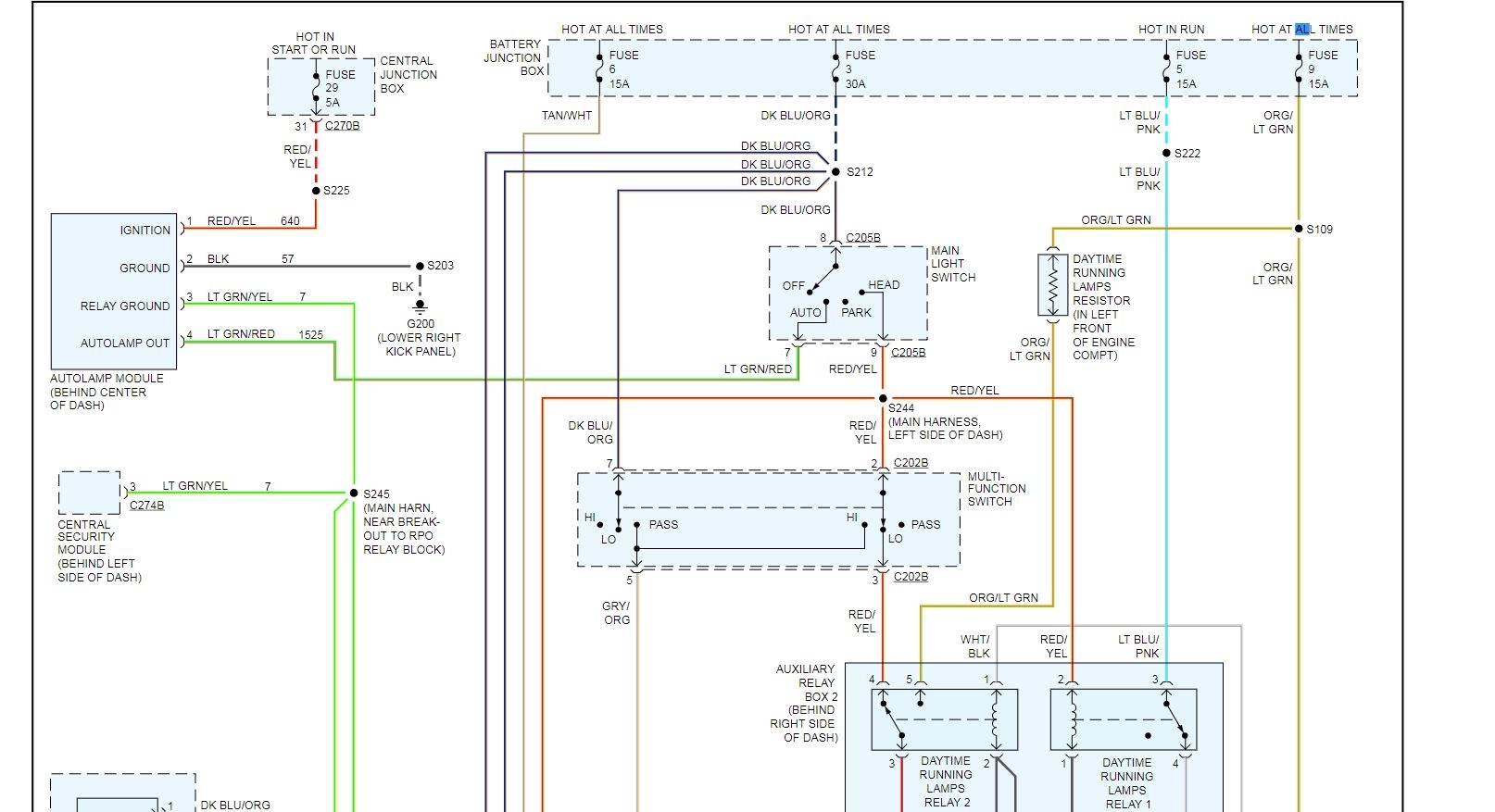
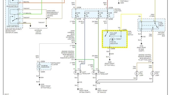
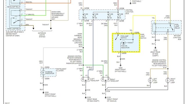
There are a couple fuses and relays that control the DRL's in your truck. Of course start basic and be sure the bulbs are good, after that you will need to do some testing to see what the problem is.

See the attached guides/diagrams below for information on how to test wiring and relays.
Check back in with what you find

https://www.2carpros.com/articles/how-to-check-wiring

https://www.2carpros.com/articles/how-to-check-an-electrical-relay-and-wiring-control-circuit
Was this
answer
helpful?
Yes
No
Tuesday, January 1st, 2008 AT 9:32 PM
Tiny
SMITHHOMEWORX
  • MEMBER
  • 1 POST
  • 2003 FORD F-150
  • 6 CYL
  • 2WD
  • AUTOMATIC
  • 250,000 MILES
Hello,

My DRL has suddenly stopped working. I have a 2003 Ford F150 XL. The headlights both work and both fuses (in the cab and under the hood) are fine. What else can I check from here. What would cause them to suddenly stop working?

Thank you
Was this
answer
helpful?
Yes
No
-1
Friday, September 14th, 2018 AT 6:03 PM (Merged)
Tiny
RASMATAZ
  • MECHANIC
  • 75,992 POSTS
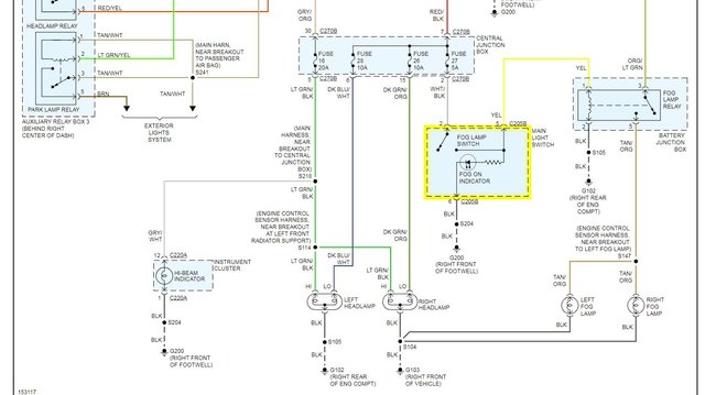
Check the ground at the lower right footwell this is what the relays need to work
Was this
answer
helpful?
Yes
No
Friday, September 14th, 2018 AT 6:03 PM (Merged)
Tiny
JENNY1ST
  • MEMBER
  • 1 POST
I checked the ground wire which was broken, so I got a new connector and made it work again. Thanks for the tips this site rocks!
Was this
answer
helpful?
Yes
No
Sunday, October 25th, 2020 AT 11:56 AM
Tiny
WAYLON24
  • MEMBER
  • 1 POST
Could you describe where the ground wire is more precisely? I don’t exactly know where the lower right footwell is, but I have this same issue.
Was this
answer
helpful?
Yes
No
Tuesday, March 9th, 2021 AT 9:10 PM
Tiny
JACOBANDNICKOLAS
  • MECHANIC
  • 110,194 POSTS
Hi,

The footwell is where your feet would sit. If you were in the passenger side, it would be approximately where your right foot would lean against the kick panel.

Let me know if you find it.

Joe
Was this
answer
helpful?
Yes
No
Friday, March 12th, 2021 AT 7:06 PM

Please login or register to post a reply.