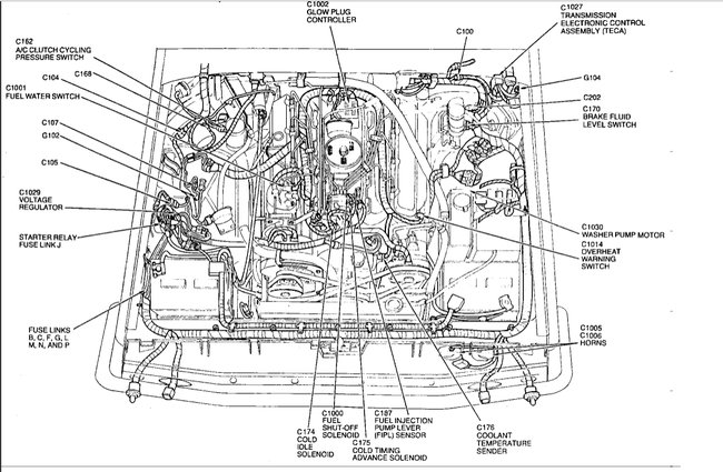
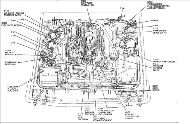
Voltage regulator location

Tiny
CULLARJ2
  • MEMBER
  • 1992 FORD F-150
Electrical problem V8 Four Wheel Drive Automatic 55000 miles

where do I find the voltage regulator on the 1992 Ford F150 xlt 8 cylinder
Friday, April 2nd, 2010 AT 6:56 PM

1 Reply

Tiny
KEN L
  • MASTER CERTIFIED MECHANIC
  • 55,322 POSTS
Hello,

The voltage regulator is located under the hood and the passenger side, front side of shock tower, mounted on fender well.

Check out the diagrams (Below)

Please let us know if you need anything else to get the problem fixed.

Cheers, Ken
Was this
answer
helpful?
Yes
No
+2
Friday, January 26th, 2018 AT 11:38 AM

Please login or register to post a reply.