Check engine light with codes P0171 and P0174

Tiny
CAMERONPRESCOTT49
  • MEMBER
  • 1999 FORD EXPLORER
  • 4.0L
  • V6
  • 4WD
  • AUTOMATIC
  • 184,769 MILES
The vehicle listed above is an XLT. Check engine light with codes P0171 and P0174. It doesn't want to go away. I've replaced the 02 sensors and MAF sensor and the EGR and replaced the intake gaskets and some vacuum lines. I don't know what could be causing them, but the car runs great! I do have a problem when I accelerate with the air on it switches to defrost and I have an OBD reader, and the only the light was not working on it is the EVA light and I don't know what it means if I could get some help that would be amazing!
Saturday, June 25th, 2022 AT 8:13 AM

3 Replies

Tiny
JACOBANDNICKOLAS
  • MECHANIC
  • 110,194 POSTS
Hi,

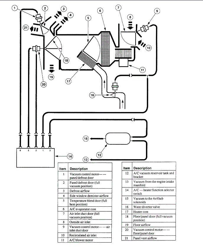
Both codes indicate the engine is running too lean. In most cases, it is caused by an engine vacuum leak. Here is the interesting thing. Since the HVAC controls are vacuum operated, the leak may actually be in the vehicle. Do you notice any hissing or odd sounds when the airflow direction changes? When you accelerate, you open the throttle plate on the throttle body. By nature, which causes the intake vacuum to lower. It could cause what you experience in the vehicle. Pay close attention to the vehicle to see if you can hear any leaks. Also, there is a vacuum reservoir I believe under the dash for the HVAC system. It could be what is leaking. See pic 1 below

Next, here is a link that explains how to locate and repair an engine vacuum leak. Try this:

https://www.2carpros.com/articles/how-to-use-an-engine-vacuum-gauge

Since you experienced the airflow change, I feel somewhat confident that you have a leak allowing the vacuum to drop. Using the link above, see if you can find any.

Also, let me know if you checked your fuel pressure. If it is low, it can cause a lean mixture as well. One last thought. By any chance is there an exhaust leak before the catalytic converter? I ask because that too can cause the lean mixture.

If you don't find any vacuum leaks, check the fuel pressure. Here is a link that explains in general how it's done:

https://www.2carpros.com/articles/how-to-check-fuel-system-pressure-and-regulator

Let me know your thoughts and what you find.

Take care,

Joe

See pic below.
Was this
answer
helpful?
Yes
No
Saturday, June 25th, 2022 AT 10:22 PM
Tiny
CAMERONPRESCOTT49
  • MEMBER
  • 3 POSTS
Hi Joe, thanks for this info. I will be sure to listen when I drive and it's not fuel pressure and I will be sure to check the vacuum reservoir!
Was this
answer
helpful?
Yes
No
Tuesday, July 5th, 2022 AT 5:59 PM
Tiny
JACOBANDNICKOLAS
  • MECHANIC
  • 110,194 POSTS
You are very welcome. If you already know the fuel pressure is correct, then chances are you have a vacuum leak. However, if there is an exhaust leak before the oxygen sensors, that can produce a lean mixture as well.

Let me know what you find.

Take care,

Joe
Was this
answer
helpful?
Yes
No
Tuesday, July 5th, 2022 AT 10:11 PM

Please login or register to post a reply.