Starter relay location?

Tiny
LJWUTKA
  • MEMBER
  • 2004 FORD EXPLORER
Checked relay where is the starter solenoid located
Saturday, January 2nd, 2010 AT 1:37 PM

1 Reply

Tiny
KASEKENNY
  • MECHANIC
  • 18,907 POSTS
I will attach the info below on the starter solenoid location, but it is part of the starter.

If the engine will not start, then we need to start with this guide as that will get us started with figuring out the issue.

https://www.2carpros.com/articles/car-cranks-but-wont-start

However, the best thing to do is check the voltage at the starter and find out what the voltage is. If you have 12 volts on both wires when cranking the engine, then the starter is the issue.

Here is a guide that will help with checking the voltage:

https://www.2carpros.com/articles/how-to-check-wiring

Here is a guide that will help with replacing a starter on a like vehicle with a similar engine:

https://youtu.be/iySmMQM5OLE

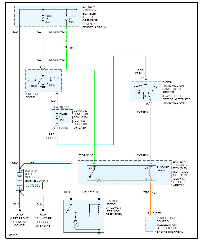
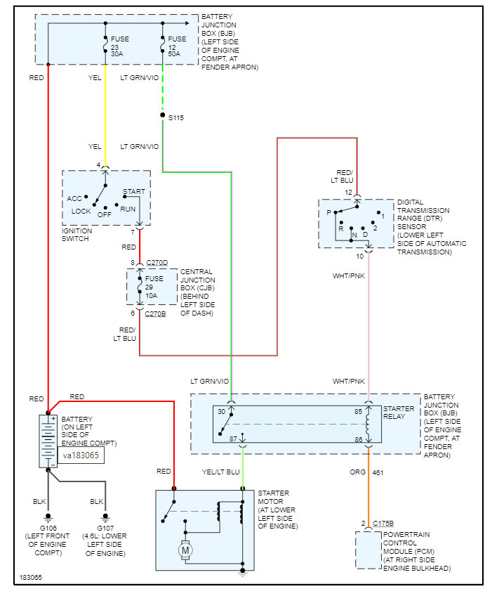
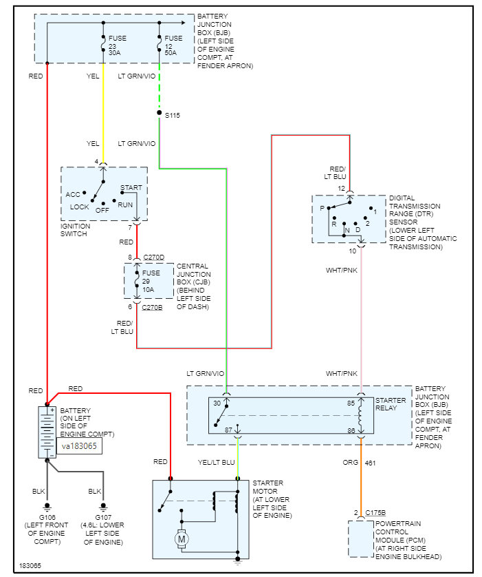
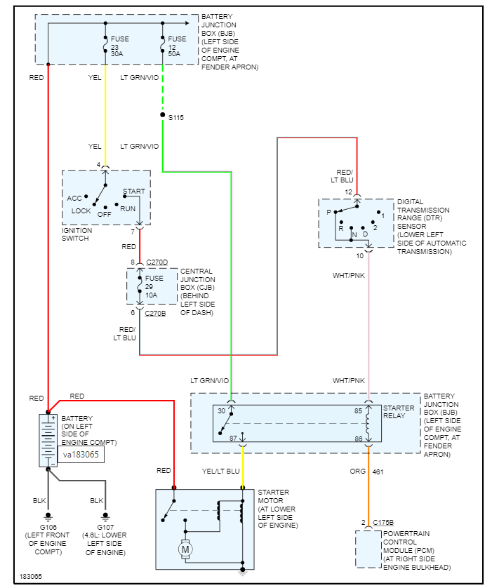
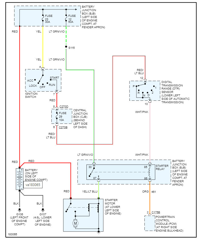
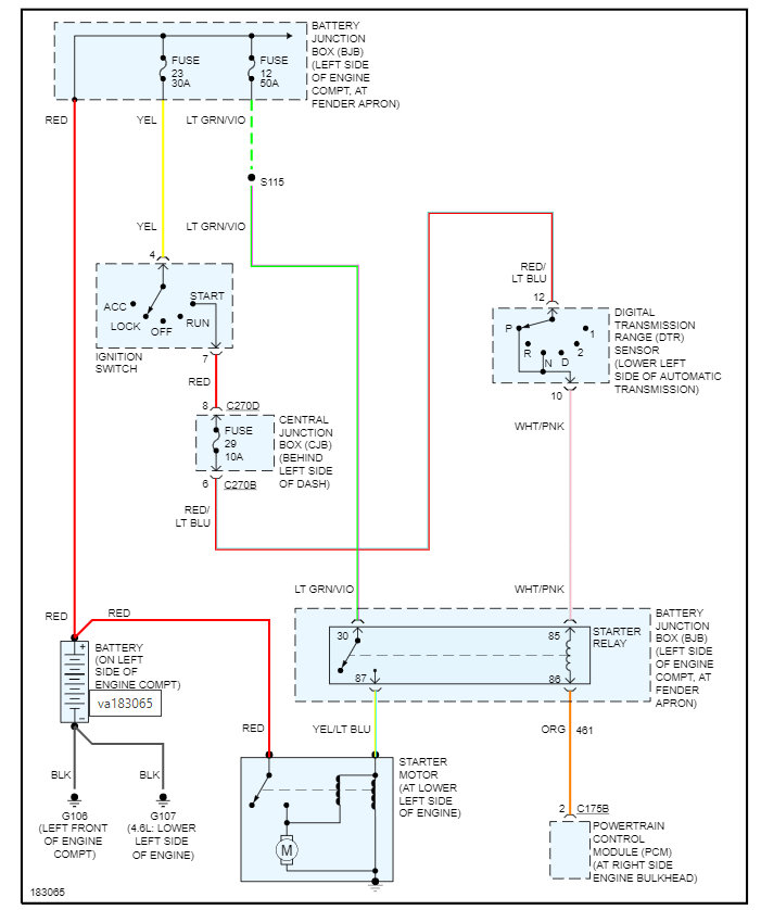
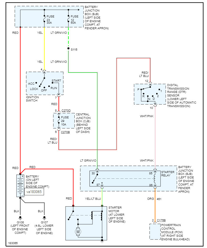
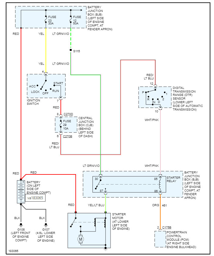
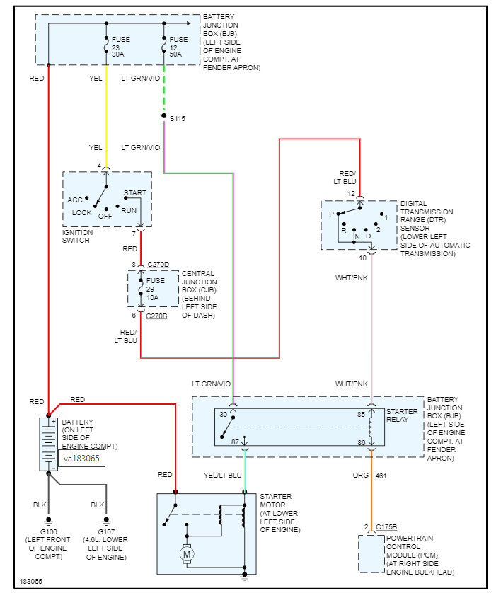
Please see the wiring diagram below. Let's run through this and let us know what you find. Thanks
Was this
answer
helpful?
Yes
No
Thursday, November 18th, 2021 AT 8:18 PM

Please login or register to post a reply.