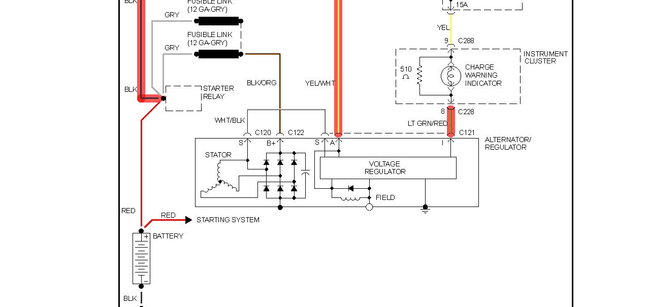
Electrical tests indicate that the battery is good and the alternator is charging steady at 14V. Intermittent alternator fault suggested. Battery indicator on dash is good at half way. When stationary and rev sharp up to 4-5000 rpm and then throttle released engine drops down to near stalling with battery meter going right down only to quickly correct back to normal. Lights and radio lights dim when hits near stalling. Recovery almost straight away. Mechanic suggested slight leak on the manifold area explains 'popping' noise and an electrical fault will screw up the ignition. Also indicated that an alternator fault would cause the vehicle to behave erratic as described. Seeking electrical mechanic Monday. Any advice as to fault greatly welcomed!
Was this helpful?
Yes
No
Friday, October 9th, 2020 AT 11:39 AM
(Merged)





