No Heat - heater not working?

Tiny
JACOBANDNICKOLAS
  • MECHANIC
  • 110,194 POSTS
Is the engine heating up quickly and running at a normal operating temp?

Joe
Was this
answer
helpful?
Yes
No
+1
Thursday, June 11th, 2020 AT 6:50 PM (Merged)
Tiny
ENIGMA
  • MEMBER
  • 2 POSTS
The engine seems to be working just fine. There aren't any foreign noises, and the operating temp. Approaches at a moderat time.
Was this
answer
helpful?
Yes
No
Thursday, June 11th, 2020 AT 6:50 PM (Merged)
Tiny
JACOBANDNICKOLAS
  • MECHANIC
  • 110,194 POSTS
Hi:
When the engine first hits normal operating temp and the heater is still cool, feel both heater core hoses. They should both be hot. If they are, there seems to be a problem with the blend door. If one is hot and the other cool, flush the heater core.

Let me know what you find.

Joe
Was this
answer
helpful?
Yes
No
Thursday, June 11th, 2020 AT 6:50 PM (Merged)
Tiny
SHERRETA
  • MEMBER
  • 1 POST
  • 2000 FORD EXPEDITION
  • 4 CYL
  • 2WD
  • AUTOMATIC
My heater comes on but only cold air blows out. It will blow light heat after about 45 mins. What can I do?
Was this
answer
helpful?
Yes
No
Thursday, June 11th, 2020 AT 6:50 PM (Merged)
Tiny
JACOBANDNICKOLAS
  • MECHANIC
  • 110,194 POSTS
Make sure the coolant is full. Make sure the engine is running at a normal operating temp. Make sure the heater core hoses (both) are hot when the engine is hot, running, and the heater is on. Make sure the blend air door is working.
Was this
answer
helpful?
Yes
No
Thursday, June 11th, 2020 AT 6:50 PM (Merged)
Tiny
AGUAFRIA6252
  • MEMBER
  • 1 POST
  • 2000 FORD EXPEDITION
  • V8
  • 2WD
  • AUTOMATIC
  • 110,000 MILES
Have no heat in front but have heat in back what maybe the problem
thanks
Was this
answer
helpful?
Yes
No
Thursday, June 11th, 2020 AT 6:50 PM (Merged)
Tiny
WRENCHTECH
  • MECHANIC
  • 20,761 POSTS
The temperature is controlled by the use of an air mix door that is operated by an electric motor/actuator. This door can be jammed or the actuator can be inoperative or have stripped plastic gears internally.
Was this
answer
helpful?
Yes
No
Thursday, June 11th, 2020 AT 6:50 PM (Merged)
Tiny
CHUCKY2
  • MEMBER
  • 2 POSTS
  • 2000 FORD EXPEDITION
  • 6 CYL
  • 4WD
  • AUTOMATIC
  • 80,000 MILES
I would like to know what should I look for as a cause of the problem
Was this
answer
helpful?
Yes
No
Thursday, June 11th, 2020 AT 6:50 PM (Merged)
Tiny
JACOBANDNICKOLAS
  • MECHANIC
  • 110,194 POSTS
Hi:
Is the problem that the fan isn't working or the heater blows cool air?

Joe
Was this
answer
helpful?
Yes
No
Thursday, June 11th, 2020 AT 6:50 PM (Merged)
Tiny
CHUCKY2
  • MEMBER
  • 2 POSTS
The heater is blowing cold air.
Was this
answer
helpful?
Yes
No
+1
Thursday, June 11th, 2020 AT 6:50 PM (Merged)
Tiny
JACOBANDNICKOLAS
  • MECHANIC
  • 110,194 POSTS
Ok, I need you to check a couple things so I can identify where the problem.

First, with the engine running, hot, and the heater on hi, feel both heater core hoses. Both should be hot. LEt me know what you find.

Second, is the engine running at a normal operating temp (not too cold)?

Joe
Was this
answer
helpful?
Yes
No
-1
Thursday, June 11th, 2020 AT 6:50 PM (Merged)
Tiny
RD_TALLEY2
  • MEMBER
  • 1 POST
  • 2000 FORD EXPEDITION
  • V8
  • 2WD
  • AUTOMATIC
  • 165,000 MILES
Trying to get some help I have a 2000 ford expedition with a 5.4 liter engine.I have a heater question, I have front and rear heat end ac. The day came that I have no heat front or rear, but cannot figure out why. But my intake hose to and from heater core is hot. My ac still works, please help me out and email me your suggestions
Was this
answer
helpful?
Yes
No
Thursday, June 11th, 2020 AT 6:50 PM (Merged)
Tiny
RASMATAZ
  • MECHANIC
  • 75,992 POSTS
Check heater core if its clogged-up if okay replace the thermostat and see what happens
Was this
answer
helpful?
Yes
No
Thursday, June 11th, 2020 AT 6:50 PM (Merged)
Tiny
WAYNEMETCALF
  • MEMBER
  • 1 POST
  • 2000 FORD EXPEDITION
  • V8
  • 2WD
  • AUTOMATIC
  • 144,000 MILES
2000 Ford Expedition XLT inner cab heater does not put out hot air. The engine coolant system is functioning correctly, engine coolant circulation and engine thermostat are good.

What simple issues should I check and correct first prior to assuming that the inner-cab heater core is fualty?
Was this
answer
helpful?
Yes
No
Thursday, June 11th, 2020 AT 6:50 PM (Merged)
Tiny
JACOBANDNICKOLAS
  • MECHANIC
  • 110,194 POSTS
I need you to check something. With the engine on, hot, and the heater on high, feel both heater core hoses and let me know if they are both hot.

Joe
Was this
answer
helpful?
Yes
No
Thursday, June 11th, 2020 AT 6:50 PM (Merged)
Tiny
RAYRAY16
  • MEMBER
  • 6 POSTS
  • 2000 FORD EXPEDITION
  • 220,154 MILES
I had my ac work on. I did not have ac at all now I do but now I do not have heat all the parts are new and I still do not have heat in my car what can that be like I said all parts are new so I do not have alot of money to pay someone again to work on it I paid over 650.00 to get it working now that it works I have no heater it blows cold air what can that be I had it look at the ford dealer and they told me to pay 300.00 to get it working if I can do it myself I would if someone can help that would help me out alot. Thank you
Was this
answer
helpful?
Yes
No
Thursday, June 11th, 2020 AT 6:50 PM (Merged)
Tiny
HMAC300
  • MECHANIC
  • 48,601 POSTS
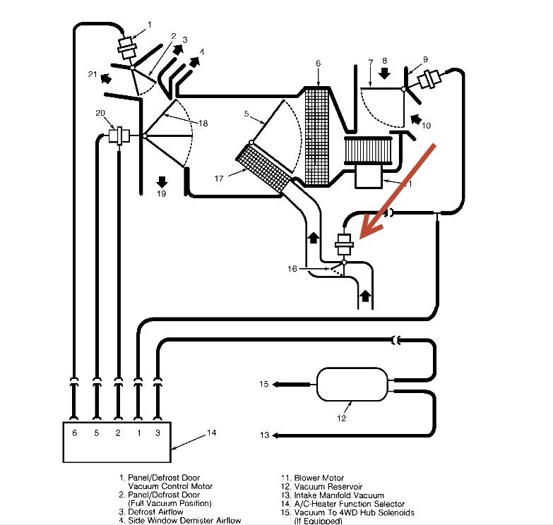
Check to see if your heater control valve is getting vacuum. It's pointed out in pic. If not check for a vacuum leak starting at engine. If it gets vacuum with heat on then the valve is bad and needs replacing.
Was this
answer
helpful?
Yes
No
Thursday, June 11th, 2020 AT 6:50 PM (Merged)
Tiny
TRING6156
  • MEMBER
  • 1 POST
  • 2000 FORD EXPEDITION
  • 5.4L
  • V8
  • 2WD
  • AUTOMATIC
  • 250,000 MILES
The heater in the front only gets warm and the rear heater stays cold. The thermostat is operating correctly and the vehicle maintains a good steady operating temperature. The front heater core was replaced 2 years ago.
Was this
answer
helpful?
Yes
No
Thursday, June 11th, 2020 AT 6:50 PM (Merged)
Tiny
CARADIODOC
  • MECHANIC
  • 34,491 POSTS
Feel the upper radiator hose when the engine is warmed up. It should be too hot to hold onto for very long. If it is not, suspect the thermostat. Dash gauges are notoriously inaccurate so you can't go by that to determine if the thermostat is opening at the right temperature. All dash gauges are good for is for YOU to notice when something is out-of-the-ordinary. To know the exact coolant temperature you need to connect a scanner to view live data and look at what the Engine Computer's temperature sensor is showing.

If the radiator hose is hot, feel the heater hoses. If they are not as hot, look for an inoperative water control valve or some other restriction in one of those hoses. A heater core shouldn't be corroded after 12 years unless the coolant wasn't replaced regularly. Was yours replaced because it was plugged? If so, there was likely some casting sand stuck in the engine block and more of that is breaking loose. That could cause a new heater core to become blocked, but most of the time that can be dislodged and cleaned out by running water from a garden hose through it.
Was this
answer
helpful?
Yes
No
+1
Thursday, June 11th, 2020 AT 6:50 PM (Merged)

Please login or register to post a reply.