No power to A/C clutch?

Tiny
QUIETSTORMS
  • MEMBER
  • 1996 FORD E-SERIES VAN
  • 6 CYL
  • 2WD
  • AUTOMATIC
  • 49,000 MILES
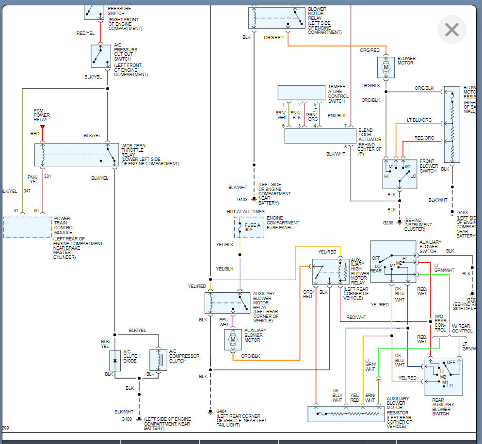
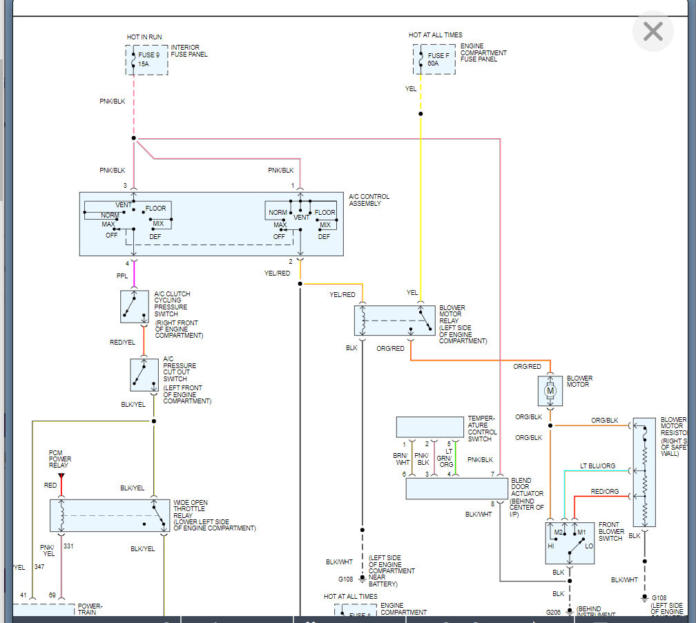
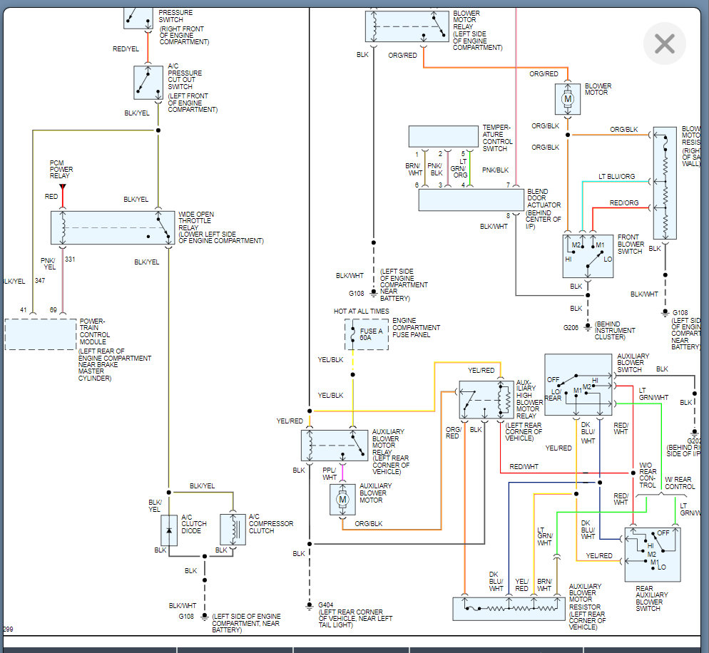
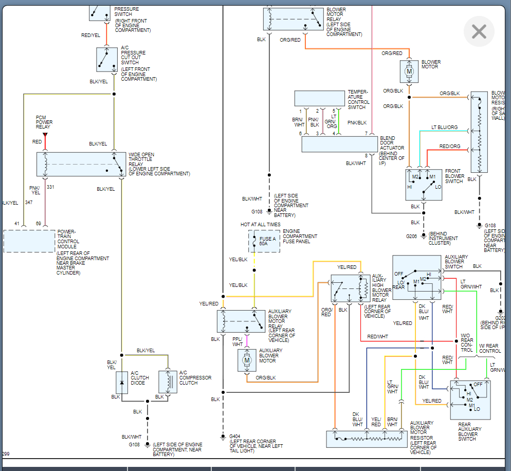
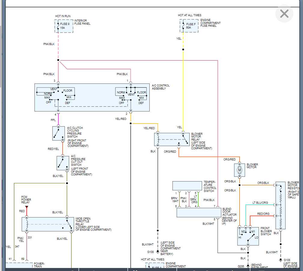
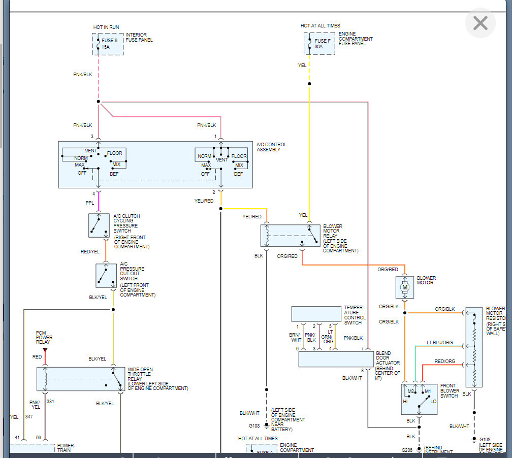
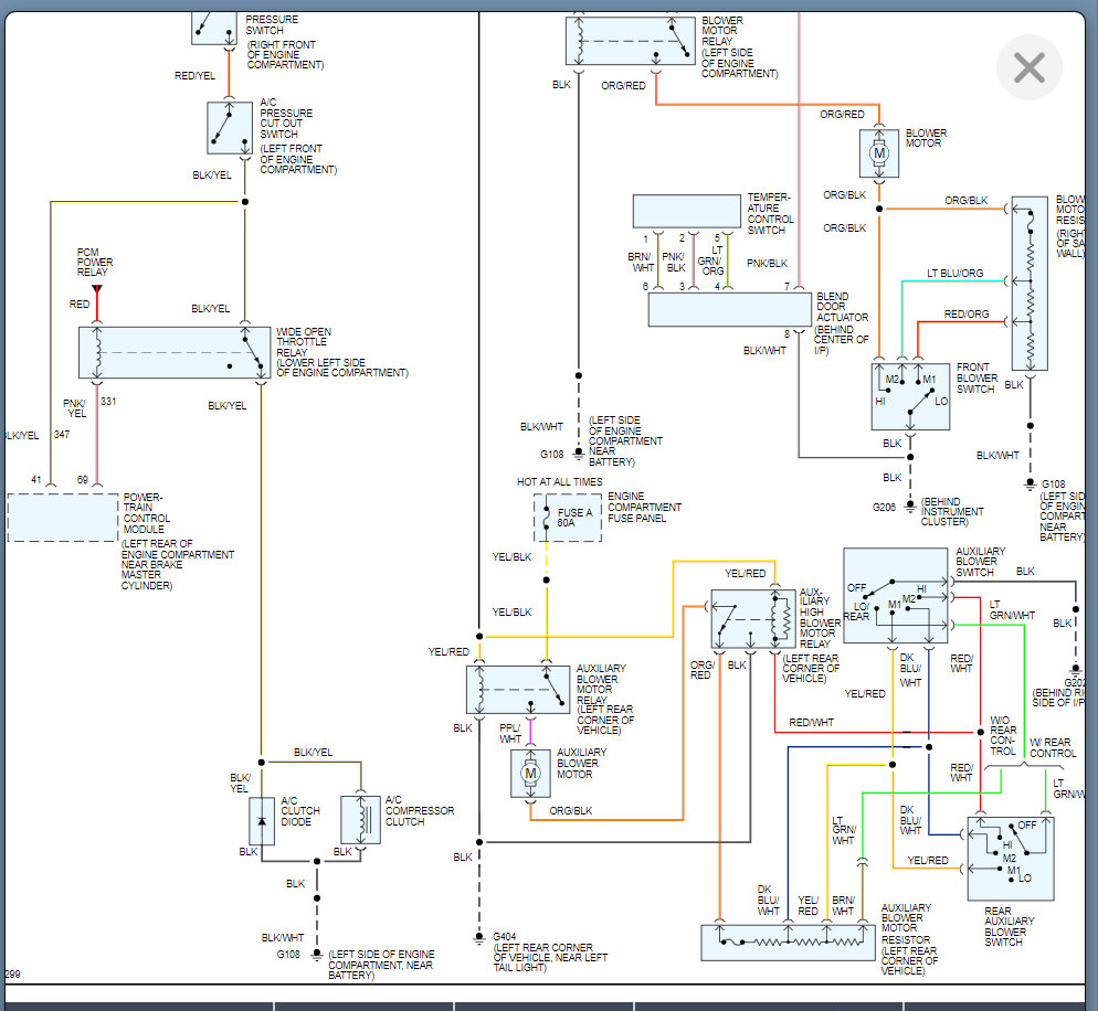
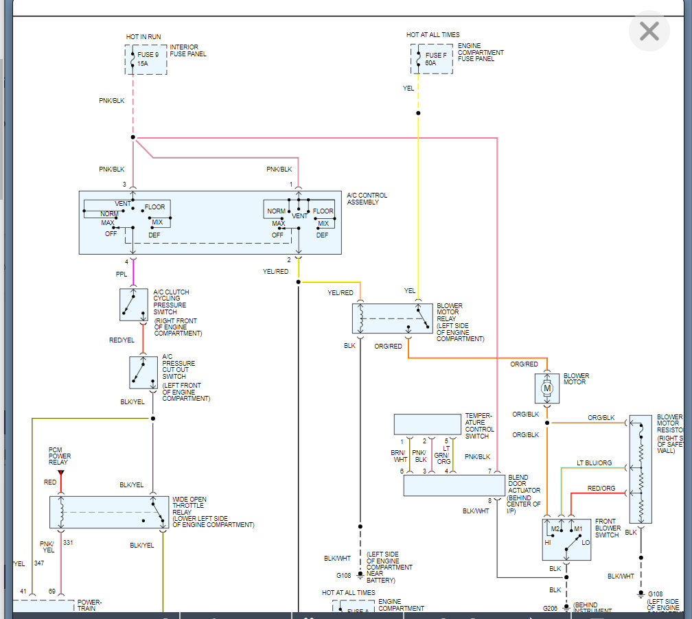
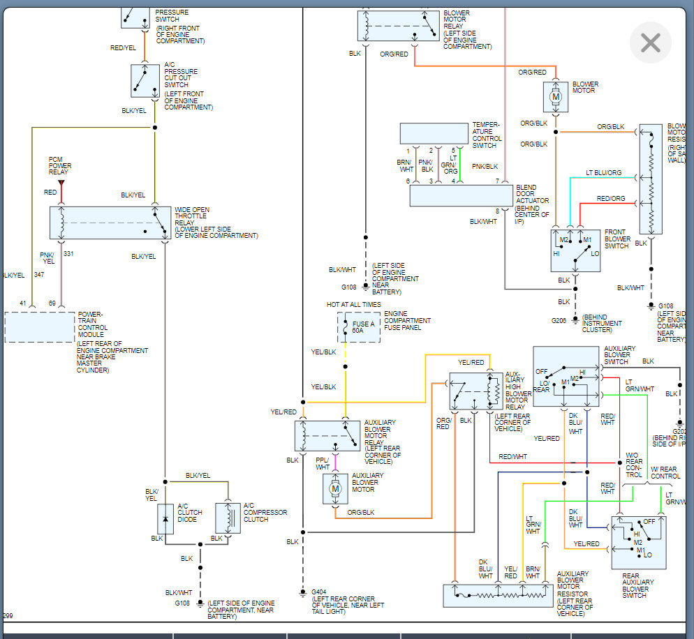
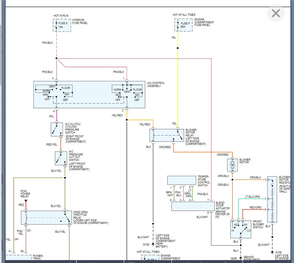
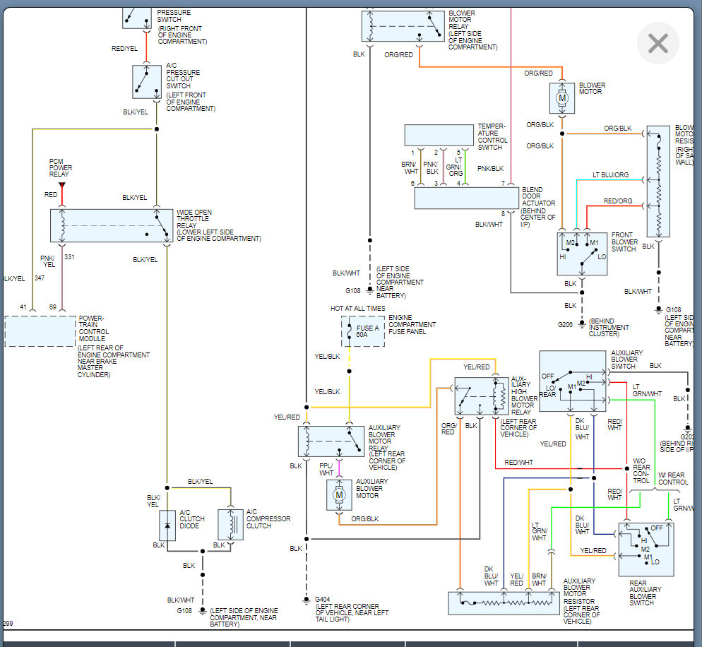
96 Ford E250. A/C not working. No power to A/C compressor clutch, 14V at high side and low side pressure switches, used jumpers across both switches and still no voltage at A/C clutch. Direct wired clutch and clutch engages.
Wednesday, August 19th, 2009 AT 5:44 PM

1 Reply

Tiny
KASEKENNY
  • MECHANIC
  • 18,907 POSTS
If you jumped both switches then that is good to see that they are not the issue but we need to start with checking pressure and voltage coming out of the control assembly.

If you have voltage coming out of the assembly then we know that is working and the fuse is intact.

https://www.2carpros.com/articles/how-to-check-wiring

Next we need to find out if we have voltage from the PCM power relay going to the wide open throttle relay.

This is to protect the engine and compressor when you go to wide open throttle. Also when you do this, the compressor is cut off so that you have max power.

This is a normally closed relay. So if the PCM is grounding this circuit and opening the relay then you will not get power to the compressor, or if the relay is stuck open then it will prevent power from getting there.

https://www.2carpros.com/articles/how-to-check-an-electrical-relay-and-wiring-control-circuit

Please run through this material and let us know what you find with this. Thanks
Was this
answer
helpful?
Yes
No
Wednesday, August 25th, 2021 AT 5:58 PM

Please login or register to post a reply.