Fuel pump, inertia switch

Tiny
ASGPRES
  • MEMBER
  • 2000 FORD CROWN VICTORIA
  • V8
  • 2WD
  • AUTOMATIC
  • 105,000 MILES
Cannot get car to start noram, can put a jumper box to the fuel pump, car starts. Unsure where the inertia switch is to test it.
Friday, March 28th, 2008 AT 5:36 PM

8 Replies

Tiny
BMRFIXIT
  • MECHANIC
  • 19,053 POSTS
Its in the trunk on the side
check it out
Was this
answer
helpful?
Yes
No
+5
Saturday, September 30th, 2017 AT 4:19 PM
Tiny
RONAVISH
  • MEMBER
  • 1 POST
  • FORD CROWN VICTORIA
I own a 1997 crown victoria 4.6L police intercepter squad car and I need to know how to reset the fuel pump shut off switch mannually. The car has been sitting awile and I have replaced the plugs and put fuel in. It cranks but doesn't start, there's plenty of spark, all fuses are ok but, like the other person, I too shot a little either into it and it fired up but didn't stay running. I couldn't hear the pump spinning as I was the only person working on it so it's impossible for me to listen for the spinning of the fuel pump.I believe either the fuel pump relay switch is bad or the fuel pump is bad, however I did something really stupid, I found the shutoff switch and I depressed the red button and now I don't know how to pop it back up also, does anybody know how to drop the gas tank so I can replace the fuel pump if it needs to be replaced? Thank you for listening to my long drawn out questions. :Oops:
Was this
answer
helpful?
Yes
No
+2
Sunday, January 5th, 2020 AT 6:00 PM (Merged)
Tiny
KEN L
  • MASTER CERTIFIED MECHANIC
  • 55,322 POSTS
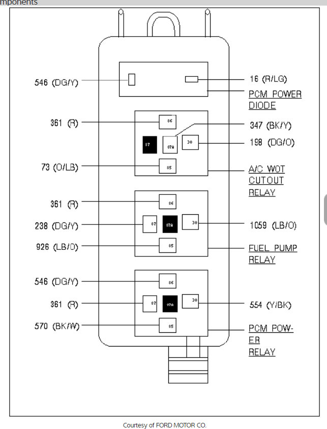
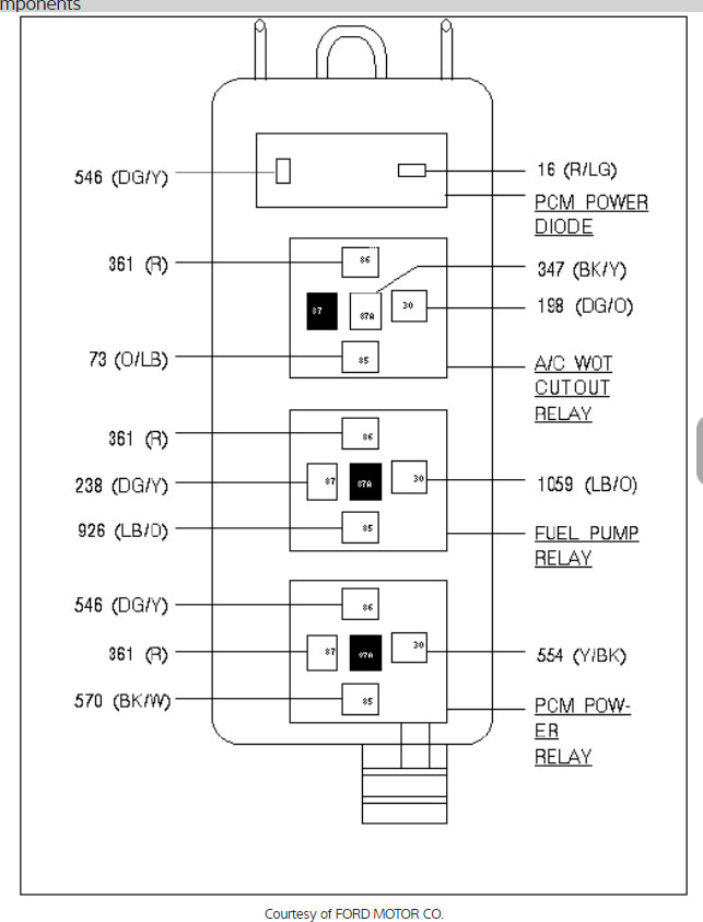
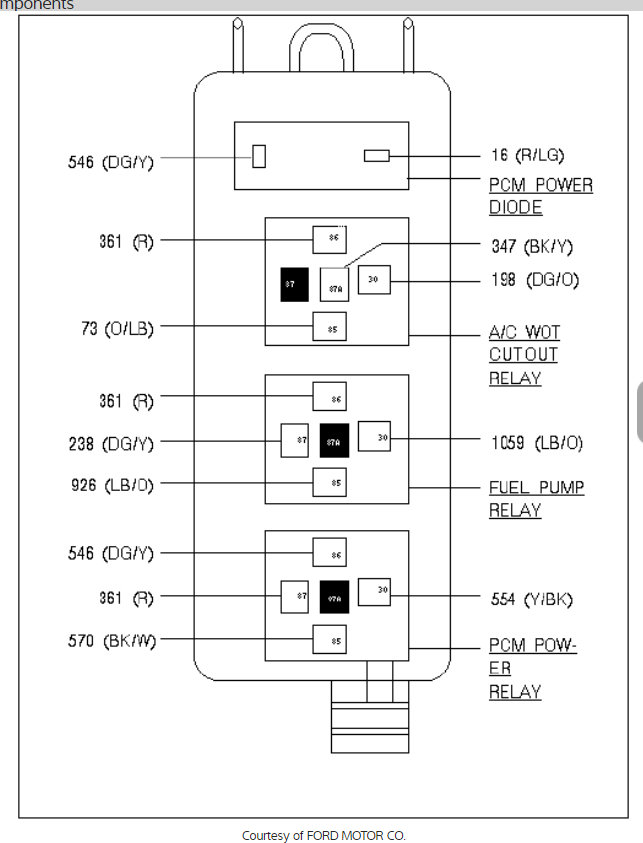
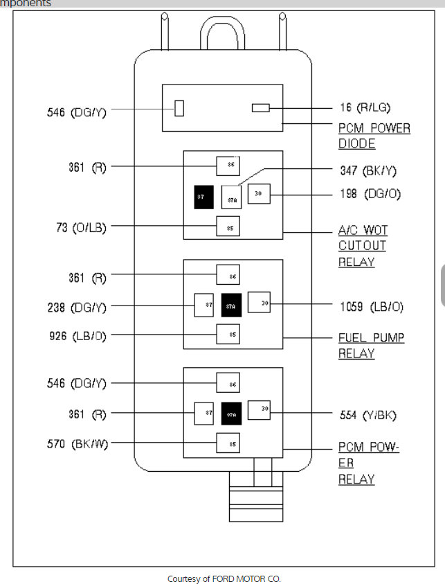
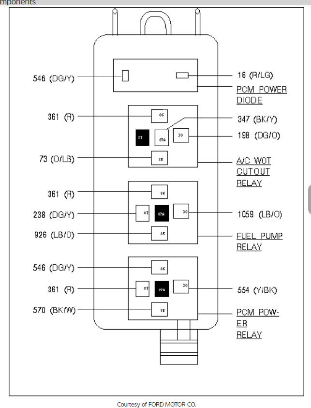
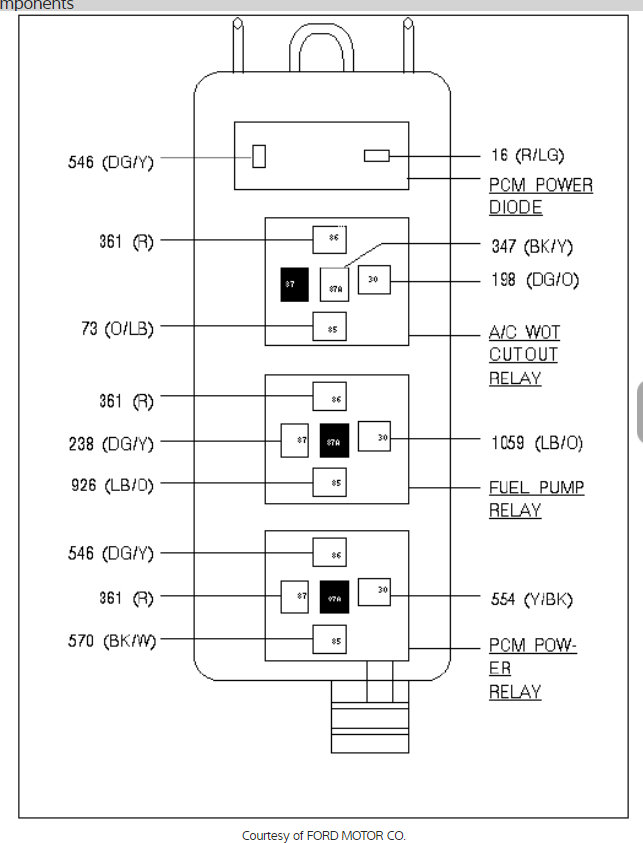
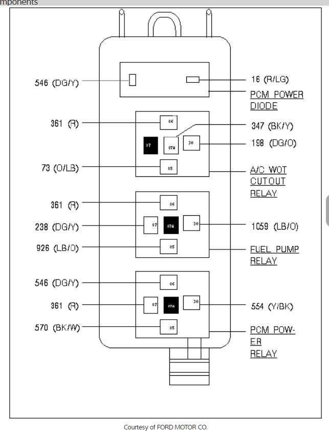
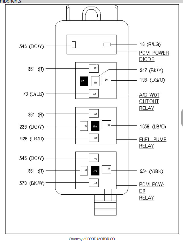
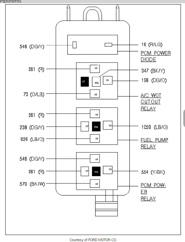
The inertia switch is in the trunk on the left side. There is a button on the top, press down! That's the normal position, to remove the tank you need to jack the car up high enough to get under the rear, between the axle and the tank you will see two threaded rods, undo these unplug all wires and lines and remove. (Check the diagrams below)

Do this with 1 or 2 gallons. The pump relay is under the hood in the power distribution box.

Here are some diagrams and guides to help you get the job done and put you back on the road.

https://www.2carpros.com/articles/how-to-check-an-electrical-relay-and-wiring-control-circuit

and

https://www.2carpros.com/articles/how-to-replace-an-electric-fuel-pump

Please let us know what you find. (Check the diagrams below)
Was this
answer
helpful?
Yes
No
+10
Sunday, January 5th, 2020 AT 6:00 PM (Merged)
Tiny
JELD2010
  • MEMBER
  • 1 POST
  • 1994 FORD CROWN VICTORIA
  • V8
I think I have an fuel shut off switch. How do I switch it back on.
Was this
answer
helpful?
Yes
No
+3
Sunday, January 5th, 2020 AT 6:00 PM (Merged)
Tiny
RASMATAZ
  • MECHANIC
  • 75,992 POSTS
What's the problem here? Do you hear the fuel pump when you turn key to run-
Was this
answer
helpful?
Yes
No
+2
Sunday, January 5th, 2020 AT 6:00 PM (Merged)
Tiny
JOEKIMMEL
  • MEMBER
  • 5 POSTS
Push the button on top the switch located driver side trunk on sedan, inside the spare tire well on the station wagon. If the button goes down and stays down it needed to be reset, if it won't go down it did not need to reset, if it goes down and comes back up very rare there is a short causing it to not reset.
Was this
answer
helpful?
Yes
No
+9
Sunday, January 5th, 2020 AT 6:00 PM (Merged)
Tiny
SHAUN1179
  • MEMBER
  • 1 POST
  • FORD CROWN VICTORIA
I have a 1990, 5.0 crown victoria LTD, 4 door sedan. Around 160,000 miles. I do not have the owners manual and befor I change the fuel pump I want to make sure theres not a fuel pump reset switch somewhere. Can you tell me if there is one and where?
Was this
answer
helpful?
Yes
No
+1
Sunday, January 5th, 2020 AT 6:01 PM (Merged)
Tiny
SERVICE WRITER
  • MECHANIC
  • 9,123 POSTS
Open the trunk, on the left side behind the panel or thereabouts is a switch. Usually there is some indication that it is there if you look.
Was this
answer
helpful?
Yes
No
-1
Sunday, January 5th, 2020 AT 6:01 PM (Merged)

Please login or register to post a reply.