Turn signals are not working

Tiny
TEV
  • MEMBER
  • 1998 FORD CONTOUR
  • 6 CYL
  • FWD
  • AUTOMATIC
  • 100,000 MILES
Turn signal just dead. Could it be a fuse
Thursday, July 2nd, 2009 AT 12:44 AM

11 Replies

Tiny
BMRFIXIT
  • MECHANIC
  • 19,053 POSTS
It could be a fuse but this is a shared fuse so I would think the likely cause of this is a switch issue.

So let's start with checking the voltage coming from the switch when the turn signals are on.

https://www.2carpros.com/articles/how-to-check-wiring

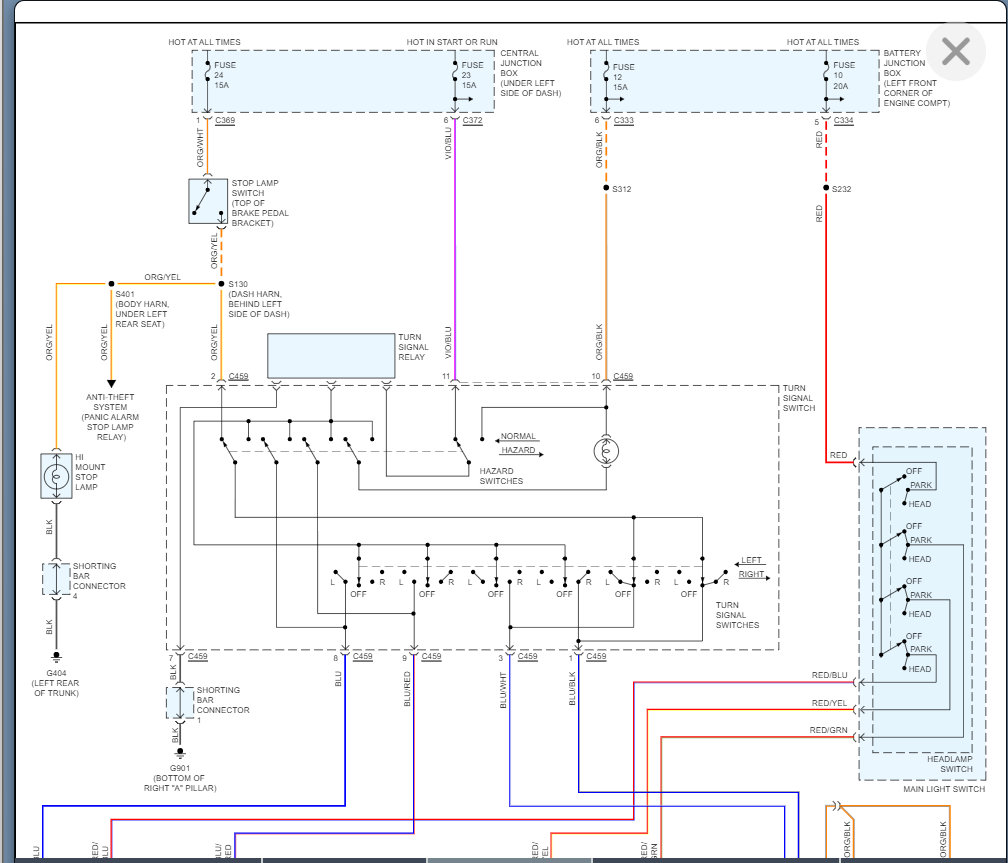
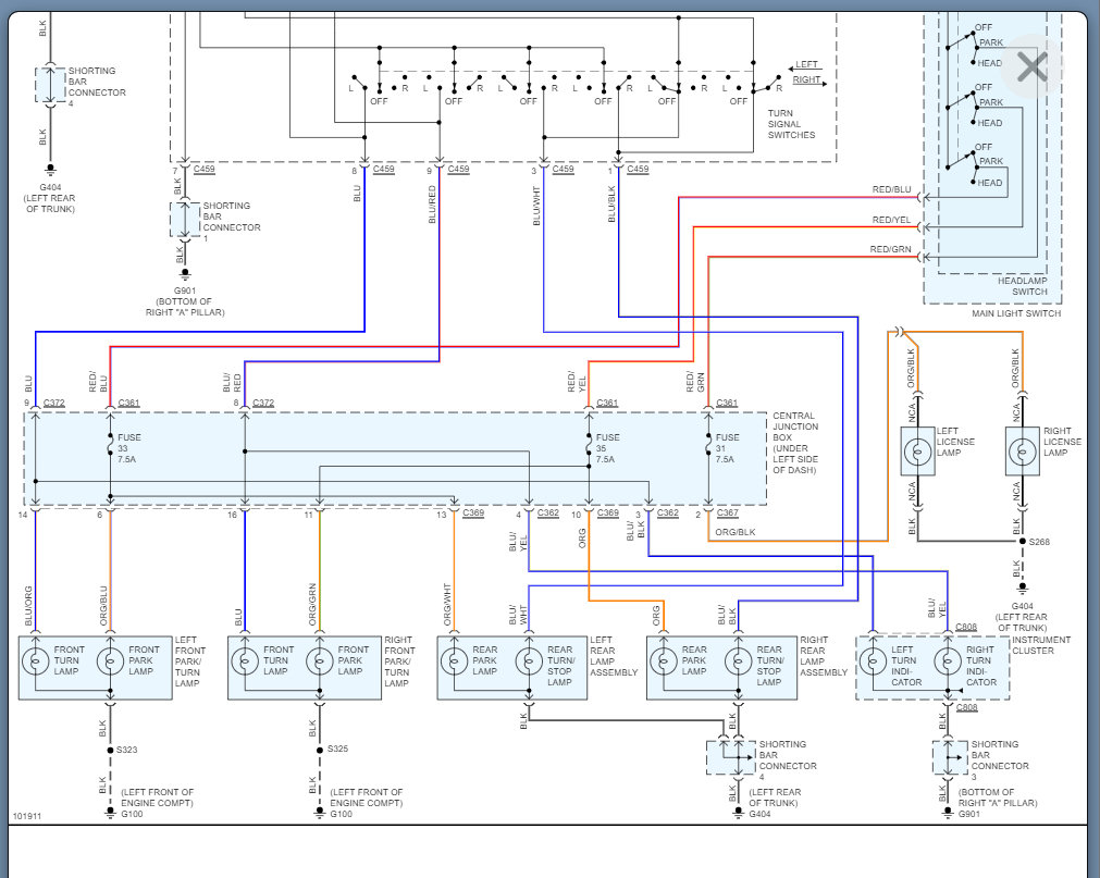
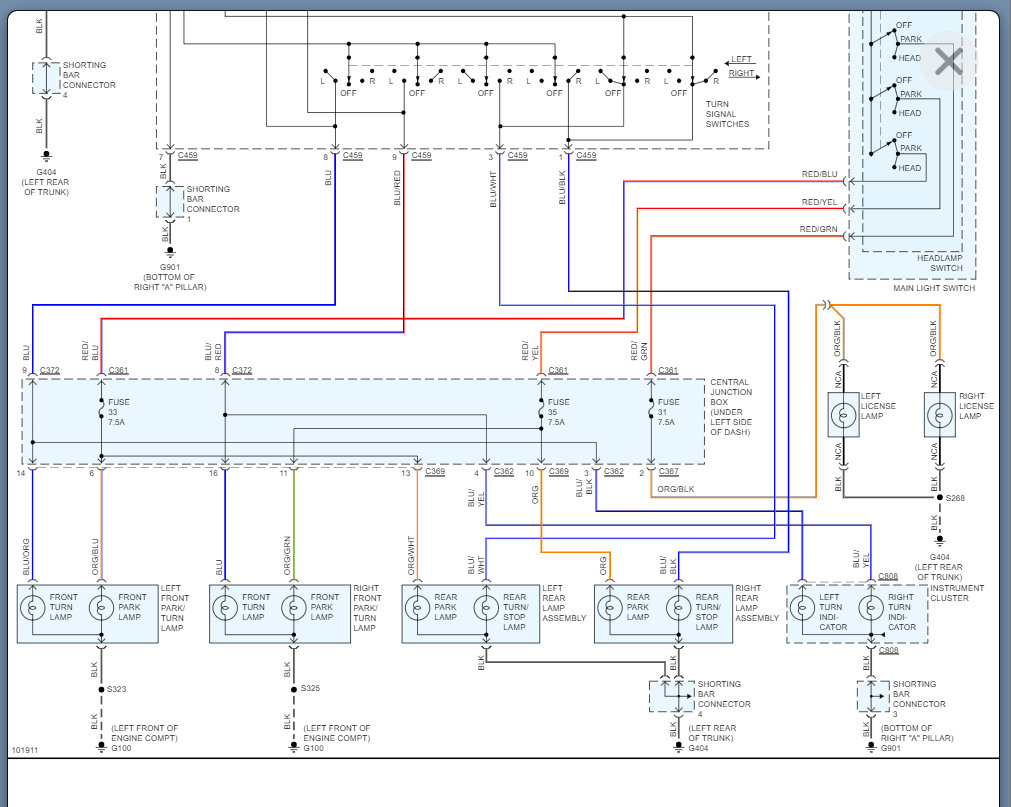
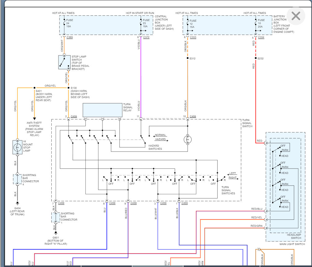
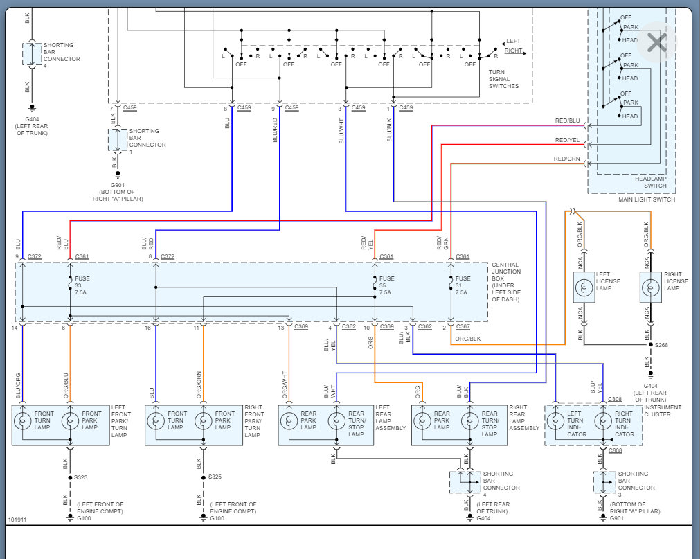
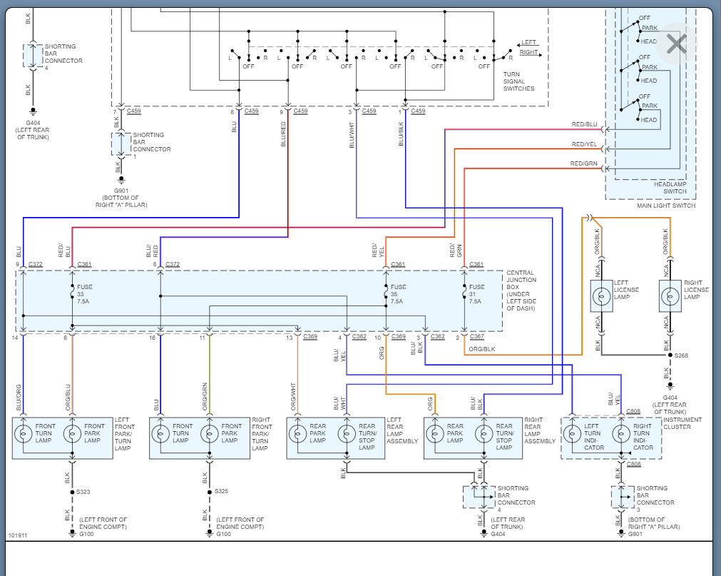
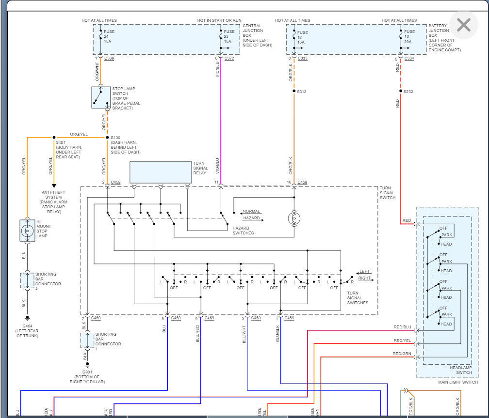
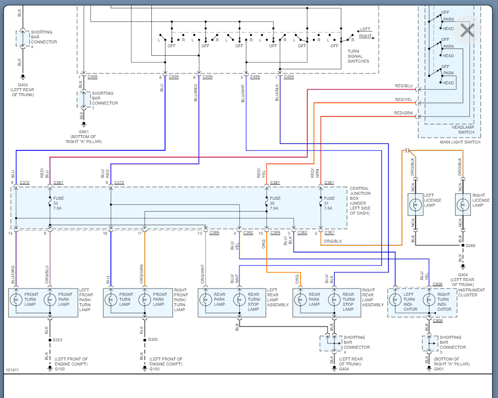
Below is the wiring diagram so we need to start with this and go from there.

Please let us know what questions you have. Thanks
Was this
answer
helpful?
Yes
No
Saturday, July 4th, 2009 AT 5:10 AM
Tiny
MICHELLE MONINGER
  • MEMBER
  • 1 POST
  • 1998 FORD CONTOUR
  • 6 CYL
  • 4WD
  • AUTOMATIC
  • 13,200 MILES
My turn signal lights do not always flash or click
when I turn them on. Is this electrical or could it
be a fuse needing replacement? This doesn't happen
every time I use them, but enough to cause concern.
Was this
answer
helpful?
Yes
No
+2
Tuesday, April 30th, 2019 AT 4:18 PM (Merged)
Tiny
BLUELIGHTNIN6
  • MECHANIC
  • 16,542 POSTS
Suspect faulty flasher. Your flasher is located in the front seating area, located at turn and emergency warning indicator switch at steering column tube.

Thanks for using 2CarPros. Com!
Was this
answer
helpful?
Yes
No
Tuesday, April 30th, 2019 AT 4:18 PM (Merged)
Tiny
ANGELLEIGHMILLER
  • MEMBER
  • 4 POSTS
  • 1997 FORD CONTOUR
  • 4 CYL
  • FWD
  • AUTOMATIC
  • 177,000 MILES
The rear driver's side lights (including break and blinker) do not come on. Also the driver side blinker blinks faster than normal. I don't know of a fuse that addresses this situation. Any ideas?
Was this
answer
helpful?
Yes
No
Tuesday, April 30th, 2019 AT 4:18 PM (Merged)
Tiny
2CARPRO JACK
  • MECHANIC
  • 11,533 POSTS
Gotta start simple, have you tried new bulbs? There is no fuse for just one corner of the car. When a blinker flashes fast, it means there is an open in the circuit for that side (bad bulb/wiring). Visually inspect the wiring and bulb socket for signs of melting that can cause loss of contact with bulb
Was this
answer
helpful?
Yes
No
Tuesday, April 30th, 2019 AT 4:18 PM (Merged)
Tiny
ANGELLEIGHMILLER
  • MEMBER
  • 4 POSTS
Okay, I didn't think to change a bulb since the whole area isn't working. I will try that. I'm not sure how to check the wiring. Do I have to start taking my car apart for that?
Was this
answer
helpful?
Yes
No
Tuesday, April 30th, 2019 AT 4:18 PM (Merged)
Tiny
2CARPRO JACK
  • MECHANIC
  • 11,533 POSTS
Dont worry about any of that just yet. Replace bulbs first then let me know how we did. Just look in the socket where the bulb goes to be sure it isnt melted
Was this
answer
helpful?
Yes
No
Tuesday, April 30th, 2019 AT 4:18 PM (Merged)
Tiny
ANGELLEIGHMILLER
  • MEMBER
  • 4 POSTS
Changing the bulb worked! Yay! It's a good thing I have a crack in the tail light so I just reached in and changed the thing. Once I have to take car parts off, that are part of the electrical system, I tend to get myself in trouble. You deserve a hug! Thank you!
Was this
answer
helpful?
Yes
No
Tuesday, April 30th, 2019 AT 4:18 PM (Merged)
Tiny
MENDESH805
  • MEMBER
  • 9 POSTS
  • 1995 FORD CONTOUR
I have a 1995 ford contour. The left turn signal suddenly stoped working. So I replaced the light bulb and that fixed the problem. But sometimes it turns on and off. So sometimes it work and others it doesnt. And I dont think its the fuse beacuse if the fuse was blown the neither of the signal lights would work. Im thinking that it could be a wire connection or the light bulb is loose. What do you think ight be the problem?
Was this
answer
helpful?
Yes
No
Tuesday, April 30th, 2019 AT 4:18 PM (Merged)
Tiny
2CARPRO JACK
  • MECHANIC
  • 11,533 POSTS
My pleasure, glad it was an easy fix.
Was this
answer
helpful?
Yes
No
Tuesday, April 30th, 2019 AT 4:18 PM (Merged)
Tiny
CARADIODOC
  • MECHANIC
  • 34,489 POSTS
If we assume the intermittent operation is related to the burned out bulb, check the socket for corroded or stretched contacts. Wiggle the bulb while the signals are turned on to see if that affects it.

If your car uses the round bulbs with the brass bases, look at the contacts in the socket to see if they have melted in a little. If they have, you can add a drop of solder to the contact after you shine it up or you can add a drop of solder to the contacts on the bottom of the bulb.
Was this
answer
helpful?
Yes
No
Tuesday, April 30th, 2019 AT 4:18 PM (Merged)

Please login or register to post a reply.