1985 Ford Bronco 6 cyl Four Wheel Drive Manual
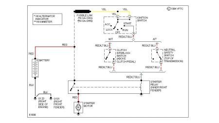
I've had starters go before, but this had no warning. I went to work and at the end of the day my truck would not start. I turned the key, had power but not even a noise from the engine. Some one said fusable link, low battery. I don't know. I pushed it to start and drove home. But same thing when I got home, only now I have no signals either, could be just a fuse I know but thought it might be relevent. If it is just the starter is there a suitable donner? Any help is better than no help. Thanks in advance.
Thursday, May 22nd, 2008 AT 8:27 PM


