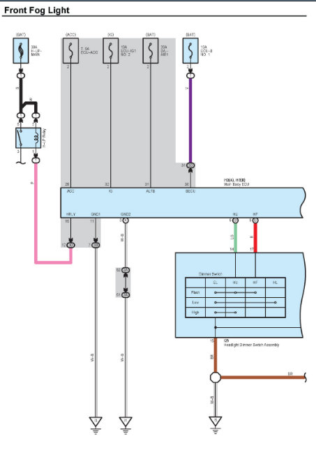
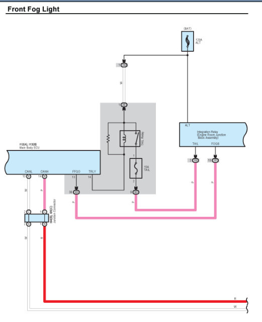
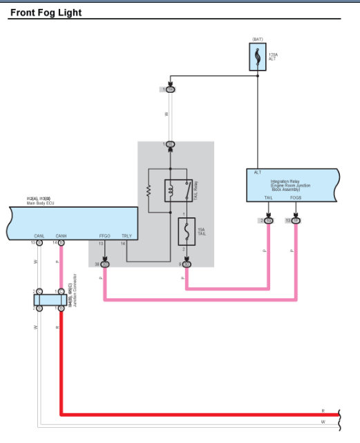
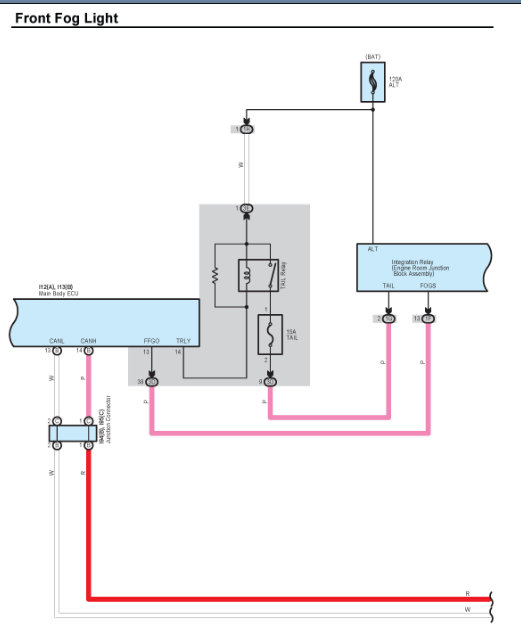
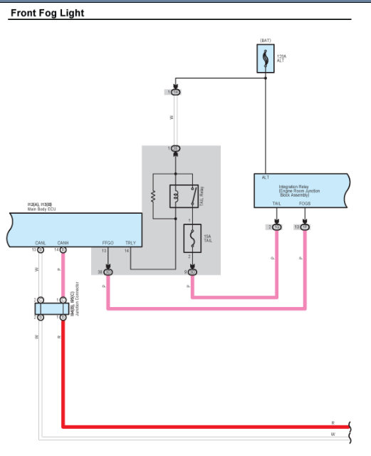
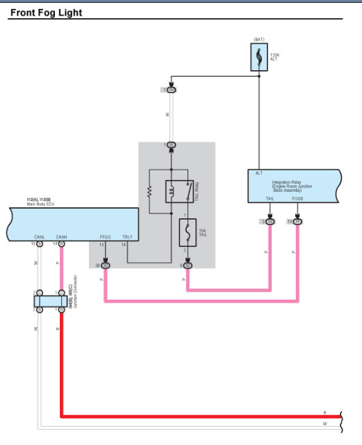
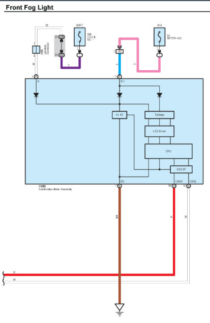
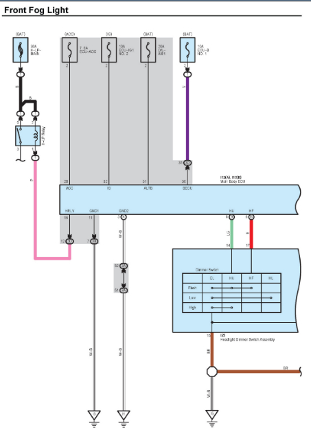
Tuesday, June 4th, 2019 AT 8:51 PM
Fog light came with car (factory installed) not working. It only read 130ish mili-volt on on and off mode from the switch. Where can the problem be? How is everything wired?










