Today is 1/10/26
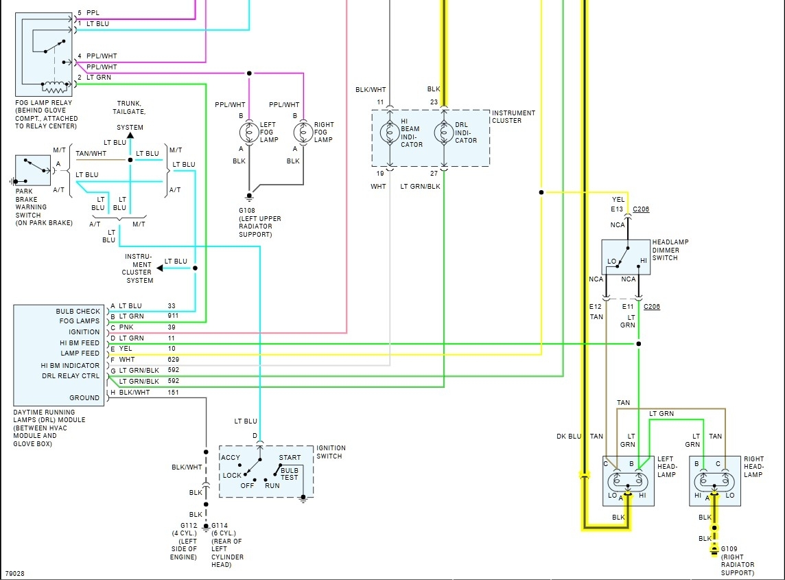
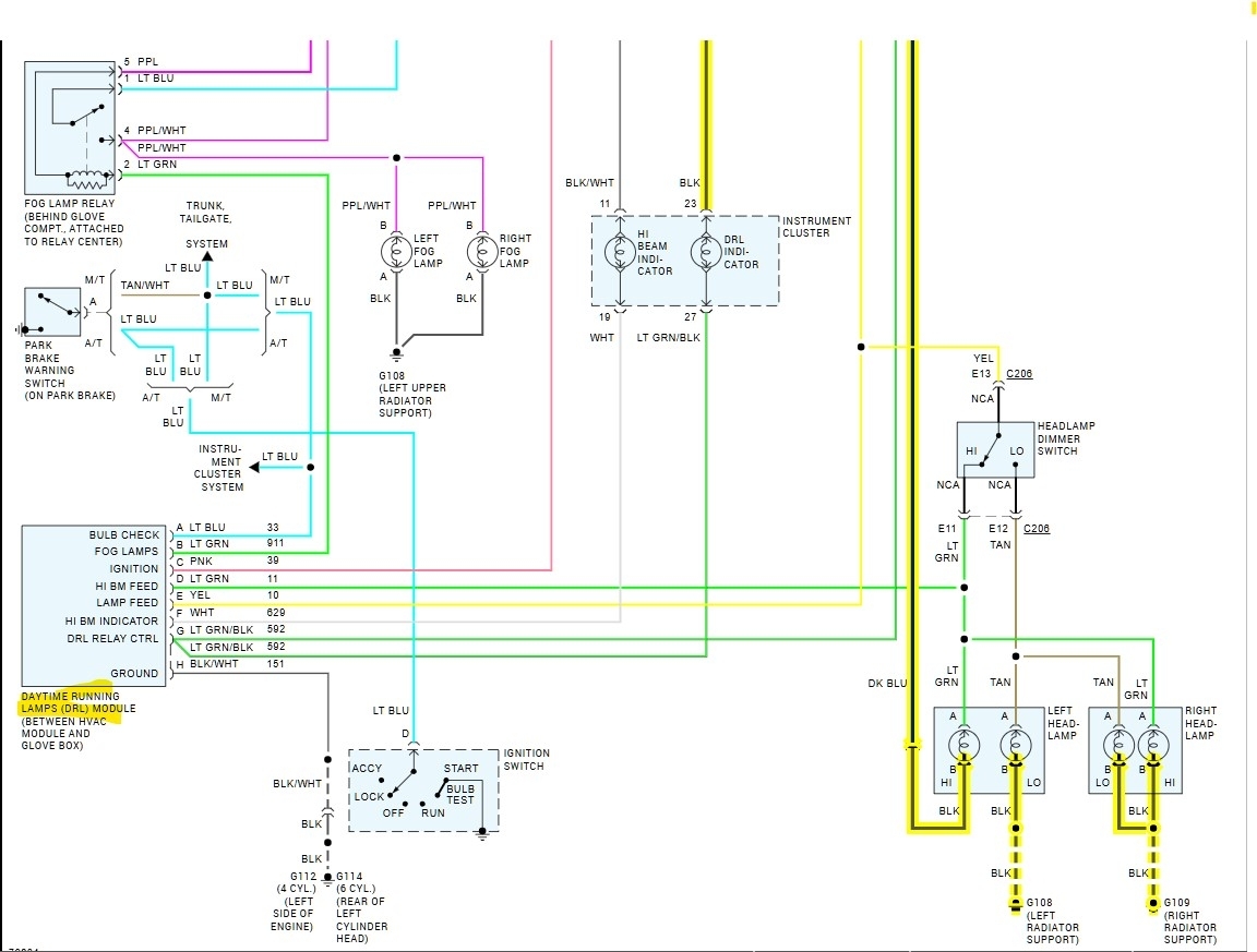
I bought a 1996 S-10 pickup 4.3 liter and last night both headlights were flickering on and off.
The high beam indicator on the dash which is blue in color flickered along with the headlights.
When I got home and put the vehicle in park both headlights were still flickering on and off and then they worked good. Today the headlights worked o.K.
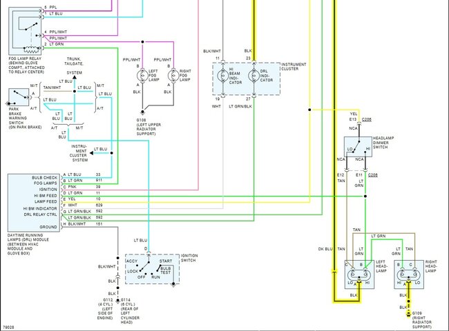
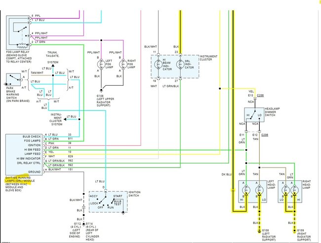
I was wondering if you could E-mail me a wiring diagram of the headlights. Especially the location of where the ground wire bolts to the frame or chassis. I suspect a partially broken wire or corroded ground terminal is my first thought.
What is the easiest way to check the ground circuit?
What do you think about my lights?
I also forgot to mention I have daytime running lights on this truck, only the headlights come on not the running lights.
Thanks Al your friend Bruce Duncan
Saturday, January 10th, 2026 AT 5:13 PM


















