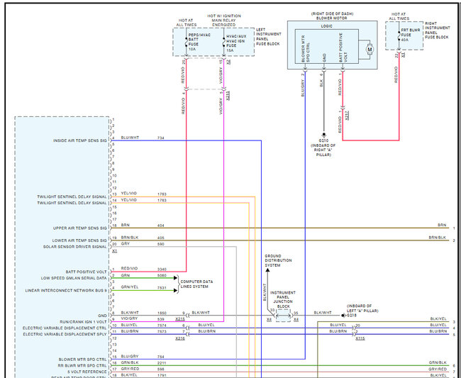
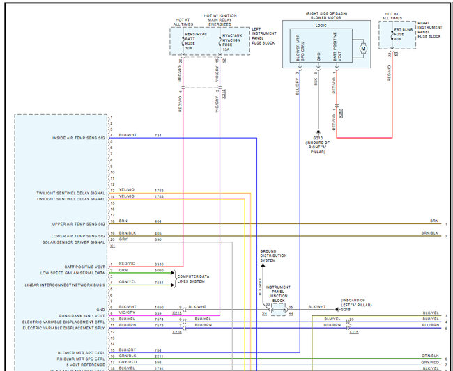
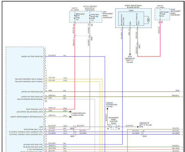
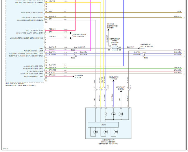
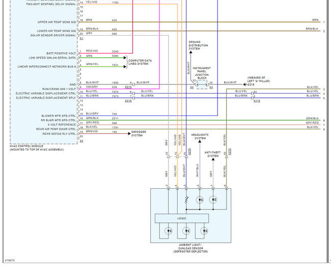
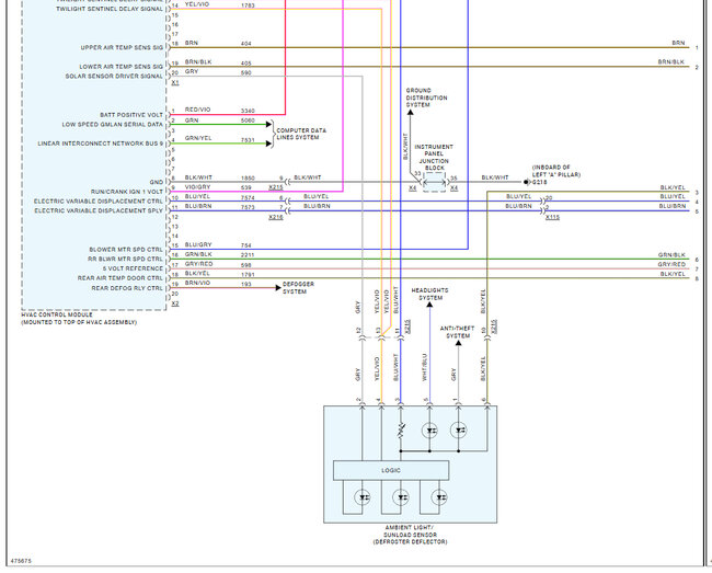
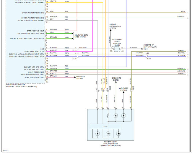
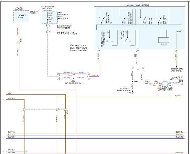
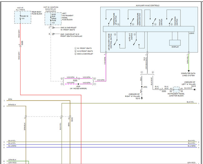
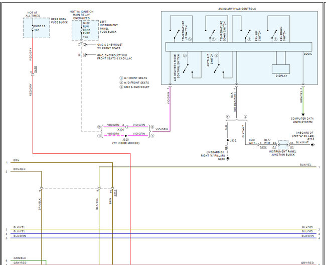
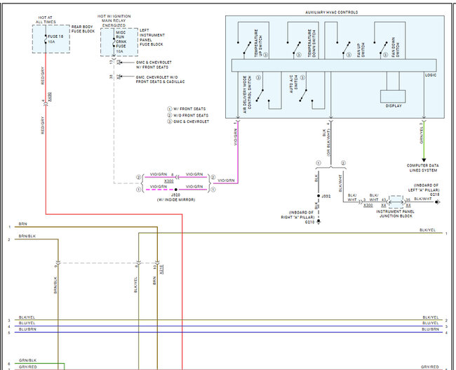
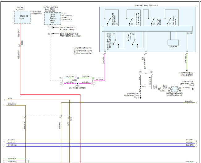
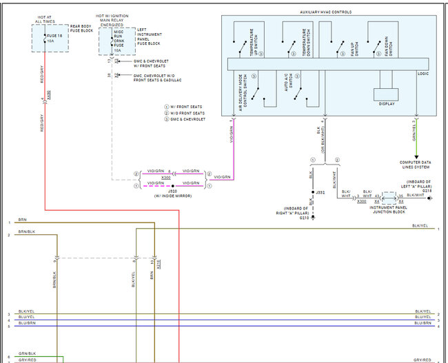
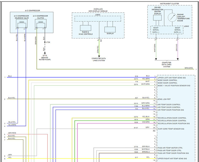
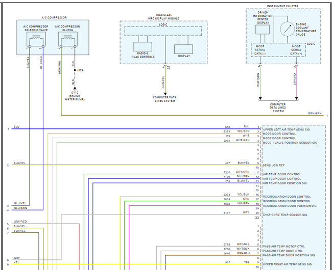
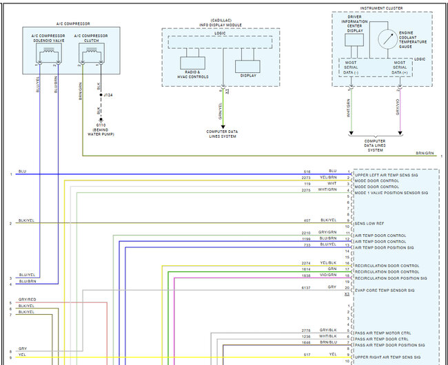
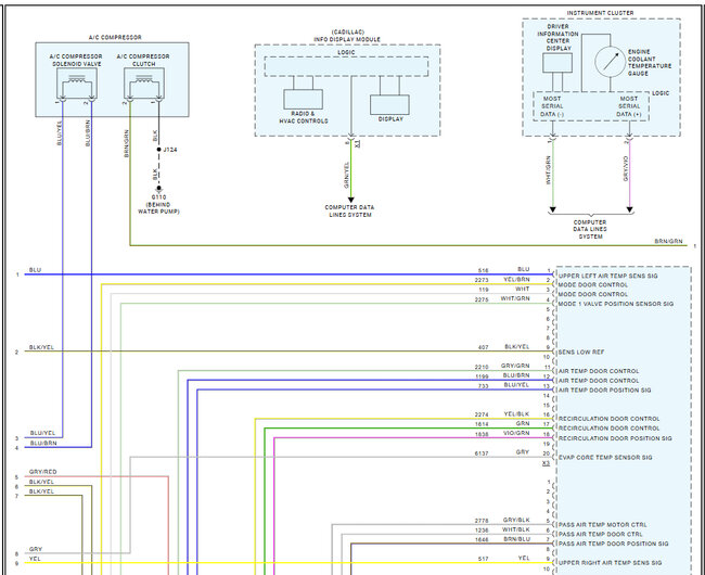
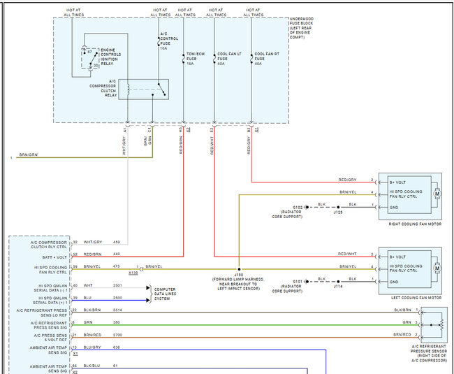
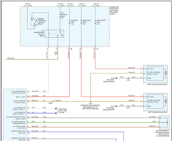
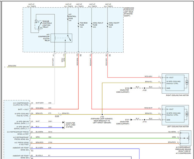
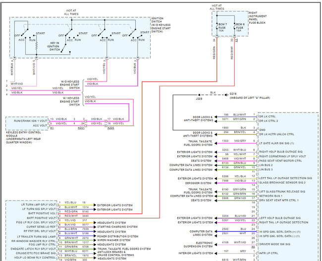
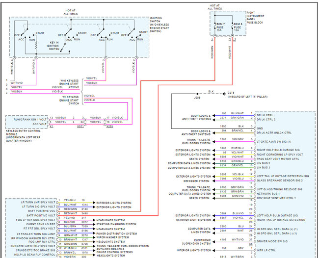
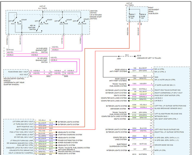
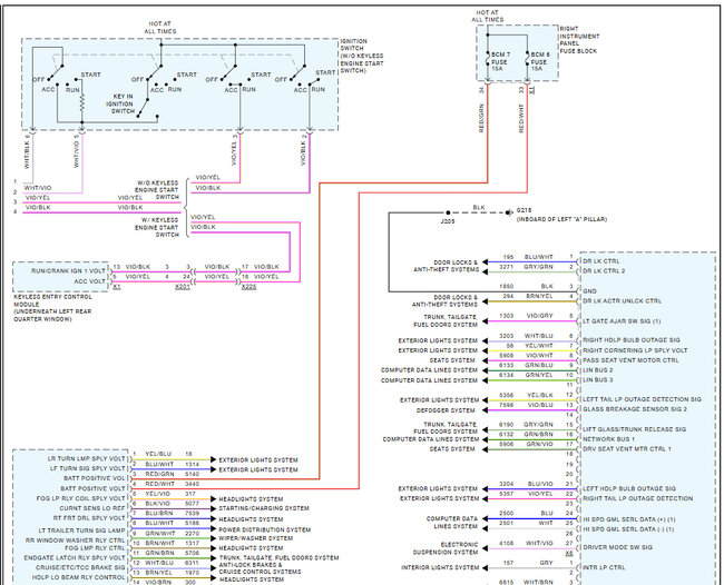
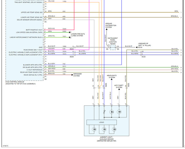
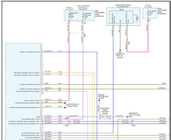
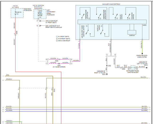
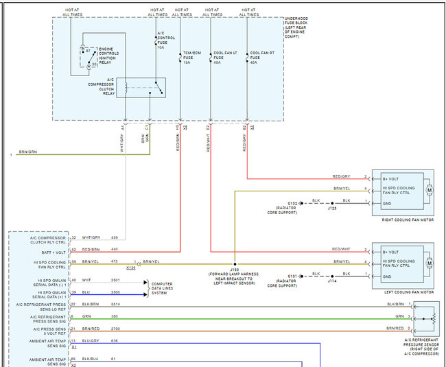
I have a problem with the A/C. It is not working sometimes. Could you please write wiring diagram for all items connected to A/C sensors and LIN BUS? Where is A/C controller/driver? What does it mean U1511.00? When I connected the car to scan tool there was information, that there is not connection to AC/LIN. What shall I check or do? I am waiting for your reply.
Have a nice day,
Pawel
Thursday, November 28th, 2024 AT 9:15 AM























