Replaced water temp sensor. Because it was cheap & easy.
Replaced knock sensor. Because it was cheap & easy.
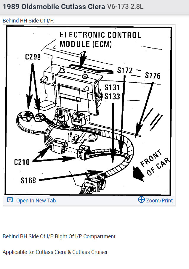
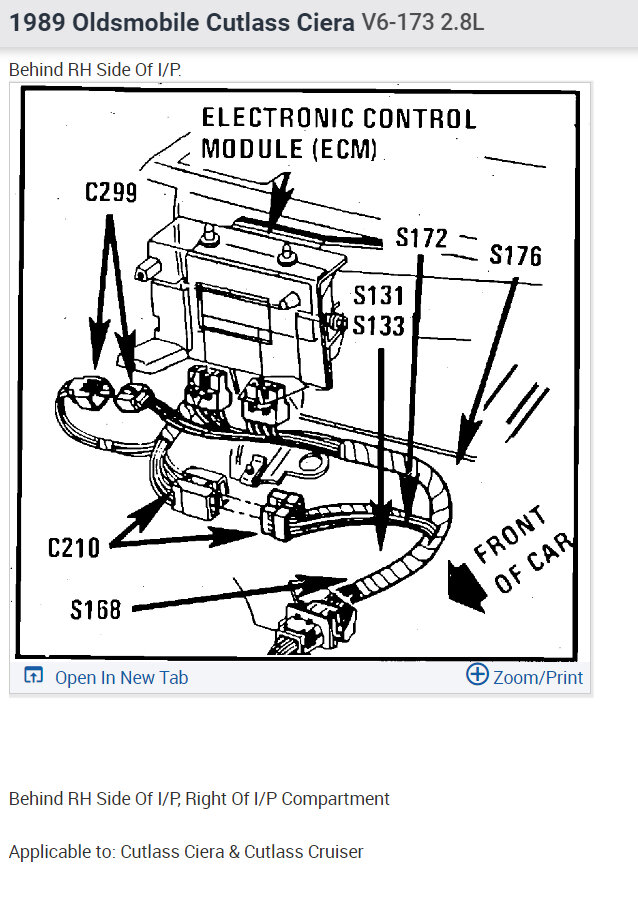
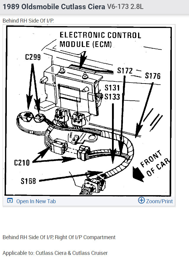
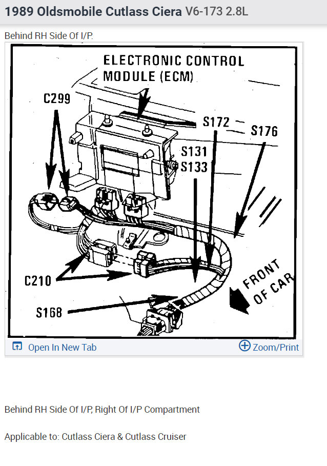
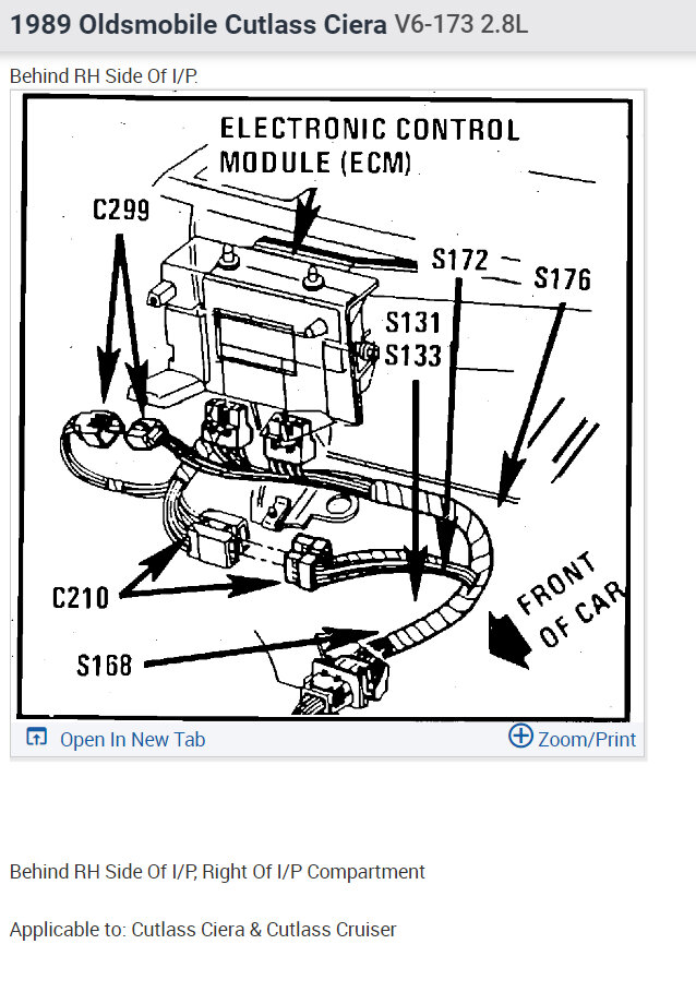
Checked knock sensor wire connections. The wire and connector appear to be good.
Replaced fuel filter. Because I did not know vehicles history.
Replaced the three coils and ignition module. Because I found the center coil was a used and different coil that had heavy corrosion on the plug wire terminals and because they were difficult to access.
Checked fuel pressure: 36PSI idle 42PSI upon demand, quickly returns to 36PSI afterwards
Replaced all spark plugs. Because I did not know vehicles history.
Replaced the fuel pressure regulator. Because it was the factory original regulator and it had to be removed in order to replace the injectors. Why take the chance, it was already loose.
Replaced all the fuel rail O-rings.
Replace the intake manifold gaskets
OHM tested all six injectors. I found fault on #1 and #2 injectors and discovered the #5 injector was different from all the other injectors. I purchased a "flow match set" of six Bosch injectors that were tested to within one percent of each other's fuel flow to insure even fuel delivery. The two faulty injectors were below OHM specs and created issues with the PCM driver causing the engine to stall with greater and increasing frequency and, shorter and shorter run times to the point the car would not make it to the end of driveway without stalling. It was found that the replacement of the injectors cured the stalling issues all together.
None of the other items I replaced seem to have any effect on the running or miss firing issues. The only thing that made any difference was the replacement of all six injectors. The engine seems somewhat stronger than before they were changed, when it would run. But it still is not as powerful as it was before code #43 appeared. Code #43 by default reduces ignition timing to try to reduce engine "knock" as detected by the knock sensor. As long as that code stays on the timing will remain retarded. The motor no longer stalls and seems to be running fairly good but does not have the same power level that it had before the fault code #43 appeared, probably because of the timing being retarded. Now I'm not sure where to look in order to turn off the fault code? I cleared the code, but it comes right back on, right after startup.
Friday, December 1st, 2023 AT 4:26 PM





