Fast blinking turn signal right side

Tiny
LYNN R.
  • MEMBER
  • 2007 TOYOTA 4RUNNER
  • 4.0L
  • 6 CYL
  • 2WD
  • AUTOMATIC
  • 136,000 MILES
Left side turn signal works fine, right front signal blinks fast and right rear signal does not work. I have replaced the bulb and checked the fuses but still does not work. Also, I did not see any corrosion.

Please help,
Lynn
Monday, October 18th, 2021 AT 11:40 AM

1 Reply

Tiny
JACOBANDNICKOLAS
  • MECHANIC
  • 110,194 POSTS
Hi,

Since the front right is working, it isn't a fuse issue. The front and rear are powered by the same supply.

Question. If you turn the hazard lights on, do all lights work, or does the right rear still now work?

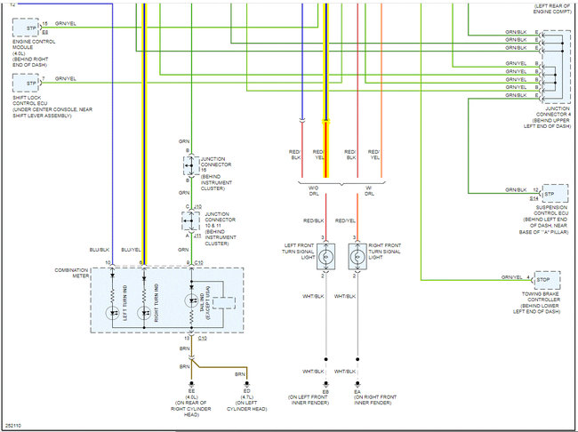
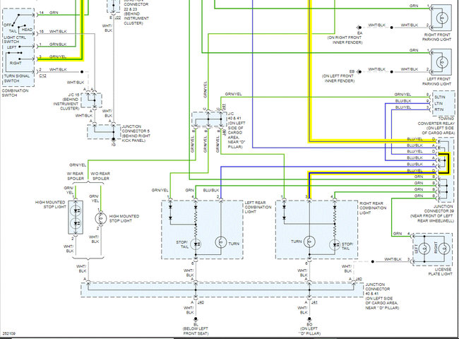
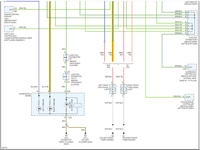
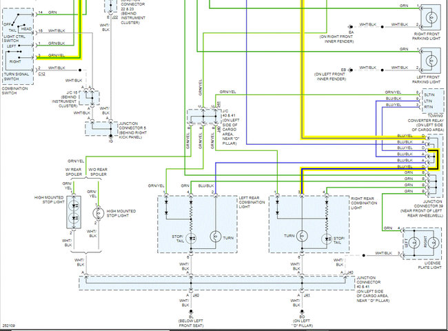
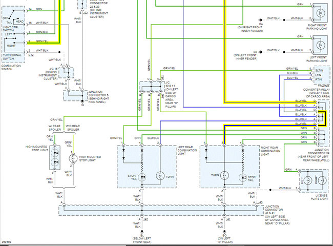
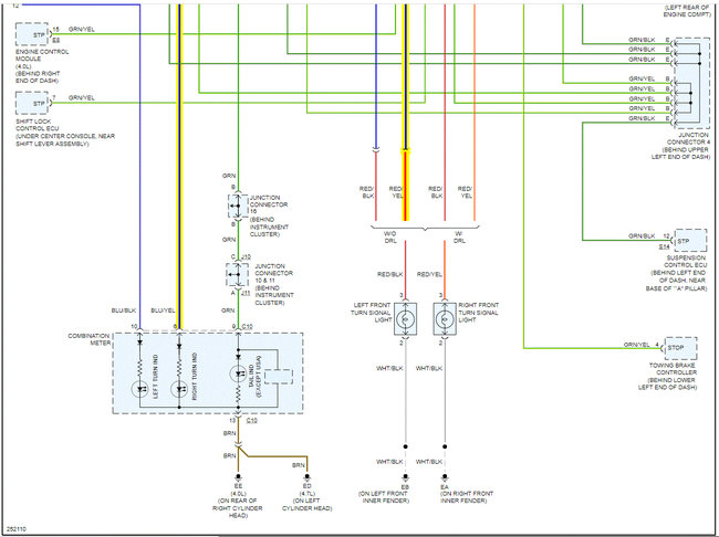
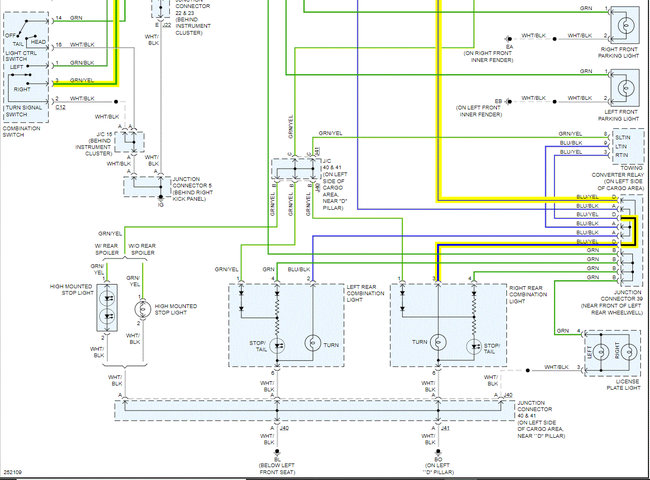
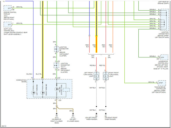
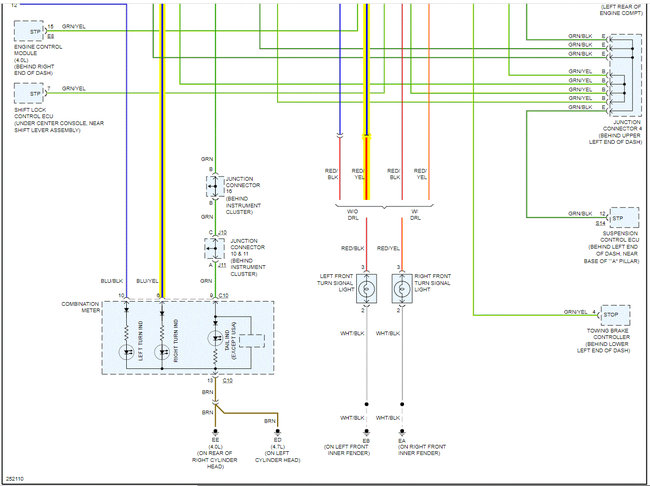
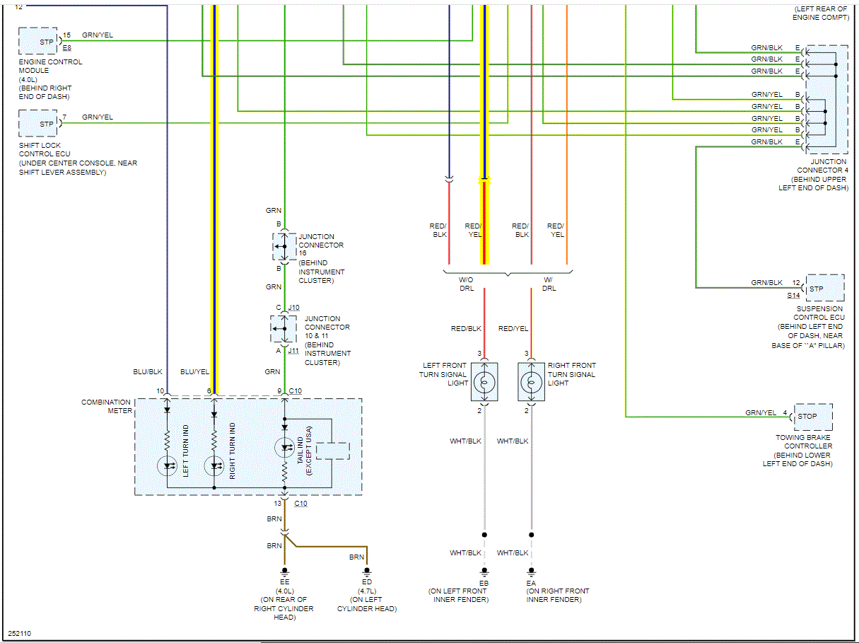
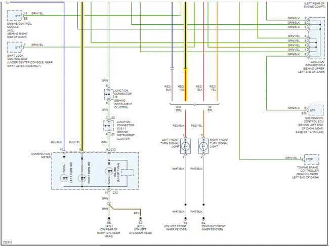
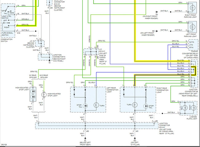
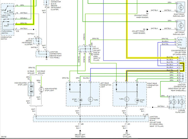
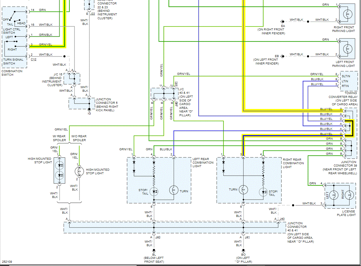
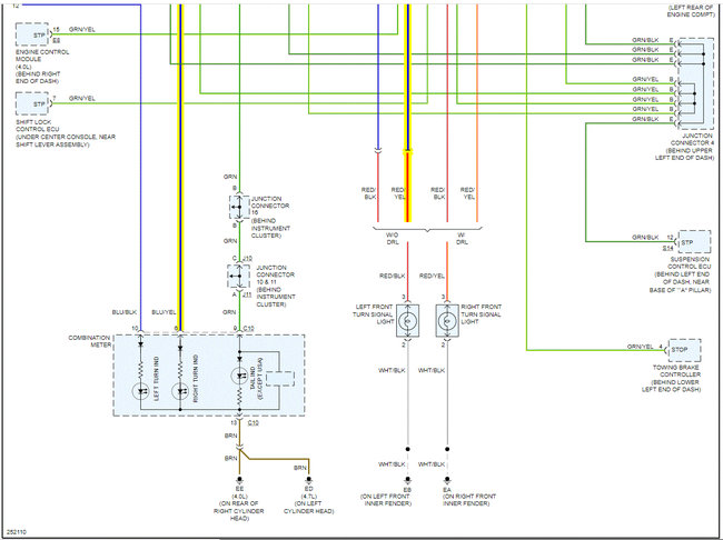
Here is what I need you to do: First, I attached the wiring schematic for the exterior lighting system below. At the signal lamp (rear) will be a blue wire with a yellow tracer. Using a test light or voltmeter, make sure you have a good ground and then with the signal on, check for power at that wire.

Let me know. Also, the wiring schematic goes all over the place. LOL, I highlighted the wiring from the switch to the signal bulb so you can follow them.

Here is a link you may find helpful:

https://www.2carpros.com/articles/how-to-check-wiring

Let me know what you find or if you have other questions.

Take care,

Joe

See pics below. Note: The original schematic was two pages long. I had to cut each page in half to make them readable for you. However, I did overlap them so you can follow from one to the next.

Was this
answer
helpful?
Yes
No
Monday, October 18th, 2021 AT 7:49 PM

Please login or register to post a reply.