Thursday, June 10th, 2021 AT 8:49 PM
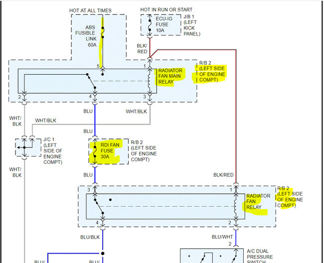
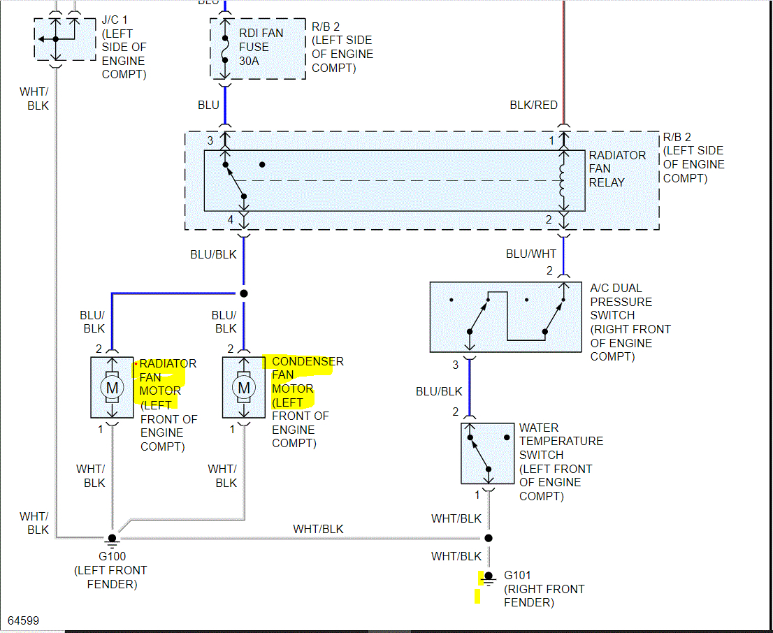
My car cares a fan clutch to my fan to cool the engine but also 2 other fans. My car is overheating still after I replaced the fan clutch. Does the 2 other fans supposed to come on at some point? I was told that the radiator fan and the A/C fan comes on also when it reaches a certain temperature but I have never heard them come on at all. I’ve also replaced thermostat, radiator, relays, engine coolant sensor/switch and the radiator fan temp sensor/switch below the radiator but still can’t get any progress of getting the fans to come on. One fan is located in front of the A/C condenser and the other one is placed behind the radiator but no signs of coming on unless I unplugged the radiator sensor/switch. Than they both comes on until I plug it back. Can I get help from anyone please.




